h1_key

TI(德州仪器) ADS7843-Q1
德州仪器 (TI) 全系列产品在线购买
  • TI(德州仪器) ADS7843-Q1
  • TI(德州仪器) ADS7843-Q1
  • TI(德州仪器) ADS7843-Q1
  • TI(德州仪器) ADS7843-Q1
  • TI(德州仪器) ADS7843-Q1
  • TI(德州仪器) ADS7843-Q1
立即查看
您当前的位置: 首页 > 数据转换器 > 集成型和特殊功能数据转换器 > 触摸屏控制器 > ADS7843-Q1
ADS7843-Q1

ADS7843-Q1

正在供货

汽车类 4 线触摸屏控制器

产品详情
  • 说明
  • 特性
  • 参数
  • 封装 | 引脚 | 尺寸

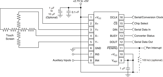
ADS7843-Q1 是一款具有一个同步串行接口以及用于驱动触摸屏的低导通电阻开关的 12 位采样模数转换器 (ADC)。 吞吐率为 125kHz 并且由一个 +2.7V 电源供电时,典型功率耗散为 750µW。 基准电压 (VREF) 可以在 1V 至 +VCC之间变化,相应地提供 0V 至 VREF的输入电压范围。 该器件包括一个可将典型功率耗散减少至低于 0.5µW 的关断模式。 ADS7843-Q1 可在低至 2.7V 的电压下工作。

ADS7843-Q1 所具有的低功耗、高速度以及板载开关使其成为电池供电类系统,例如带有电阻式触摸屏的个人数字助理和其它便携式设备的理想选择。 ADS7843-Q1 采用 SSOP-16 封装,额定温度范围 -40°C 至 +85°C。

  • 符合汽车应用要求
  • 按比例转换
  • 单电源:2.7V 至 5V
  • 转换率高达 125kHz
  • 串行接口
  • 可编程 8 位或 12 位分辨率
  • 2 个辅助模拟输入
  • 完全断电控制
SAR ADC resolution (Bits)12
SAR sample rate (max) (ksps)125
Touch panel4-Wire
Control interfaceSPI
Vref (int/ext)Internal
RatingAutomotive
Operating temperature range (°C)-40 to 125
Analog supply (min) (V)2.7
Analog supply voltage (max) (V)5.25
I/O supply voltage (min) (V)2.7
I/O supply voltage (max) (V)3.6
Input typeSingle-ended
SSOP (DBQ)1629.4 mm² 4.9 x 6
产品购买
  • 商品型号
  • 封装
  • 工作温度
  • 包装
  • 价格
  • 现货库存
  • 操作
10s
温馨提示:
订单商品问题请移至我的售后服务提交售后申请,其他需投诉问题可移至我的投诉提交,我们将在第一时间给您答复
返回顶部