h1_key

TI(德州仪器) SM73201
德州仪器 (TI) 全系列产品在线购买
  • TI(德州仪器) SM73201
  • TI(德州仪器) SM73201
  • TI(德州仪器) SM73201
  • TI(德州仪器) SM73201
  • TI(德州仪器) SM73201
  • TI(德州仪器) SM73201
立即查看
您当前的位置: 首页 > 数据转换器 > 模数转换器 (ADC) > 精密 ADC > SM73201
SM73201

SM73201

正在供货

具有全差分输入的 16 位、250kSPS、单通道 SAR ADC

产品详情
  • 说明
  • 特性
  • 参数
  • 封装 | 引脚 | 尺寸

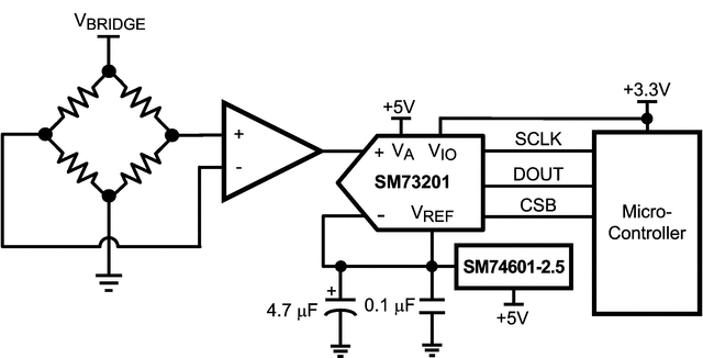
The SM73201 is a 16-bit successive-approximation register (SAR) Analog-to-Digital converter (ADC) with a maximum sampling rate of 250 kSPS. The converter features a differential analog input with an excellent common-mode signal rejection ratio of 85 dB, making the SM73201 suitable for noisy environments.

The SM73201 operates with a single analog supply (VA) and a separate digital input/output (VIO) supply. VA can range from +4.5V to +5.5V and VIO can range from +2.7V to +5.5V. This allows a system designer to maximize performance and minimize power consumption by operating the analog portion of the ADC at a VA of +5V while interfacing with a +3.3V controller. The serial data output is binary 2's complement and is SPI compatible.

The performance of the SM73201 is specified over temperature at clock rates of 1 MHz to 5 MHz and reference voltages of +2.5V to +5.5V. The SM73201 is available in a small 10-lead VSSOP package. The high accuracy, differential input, low power consumption, and small size make the SM73201 ideal for direct connection to bridge sensors and transducers in battery operated systems or remote data acquisition applications.

  • Renewable Energy Grade
  • Specified Performance from 50 to 250 kSPS
  • Separate Digital Input/Output Supply
  • True Differential Input
  • External Voltage Reference Range of +0.5V to VA
  • Wide Input Common-Mode Voltage Range of 0V to VA
  • SPI/QSPI/MICROWIRE Compatible Serial Interface
  • Operating Temperature Range of −40°C to +85°C
  • Small VSSOP-10 Package

Key Specifications

  • Conversion Rate: 50 kSPS to 250 kSPS
  • SNR: 93.2 dBc
  • SFDR: 108 dBc
  • THD: −104 dBc
  • Power Consumption
    • 200 kSPS, 5V: 5.3 mW
    • 250 kSPS, 5V: 5.8 mW
    • Power-Down, 5V: 10 μW

All trademarks are the property of their respective owners.

Resolution (Bits)16
Sample rate (max) (ksps)250
Number of input channels1
Interface typeSPI
ArchitectureSAR
Input typeDifferential
RatingCatalog
Reference modeExternal
Input voltage range (max) (V)5.5
Input voltage range (min) (V)0
Operating temperature range (°C)-40 to 85
Power consumption (typ) (mW)5.3
Analog supply (min) (V)4.5
Analog supply voltage (max) (V)5.5
SNR (dB)93.2
Digital supply (min) (V)2.7
Digital supply (max) (V)5.5
VSSOP (DGS)1014.7 mm² 3 x 4.9
产品购买
  • 商品型号
  • 封装
  • 工作温度
  • 包装
  • 价格
  • 现货库存
  • 操作
10s
温馨提示:
订单商品问题请移至我的售后服务提交售后申请,其他需投诉问题可移至我的投诉提交,我们将在第一时间给您答复
返回顶部