h1_key

TI(德州仪器) ADS41B49
德州仪器 (TI) 全系列产品在线购买
  • TI(德州仪器) ADS41B49
  • TI(德州仪器) ADS41B49
  • TI(德州仪器) ADS41B49
  • TI(德州仪器) ADS41B49
  • TI(德州仪器) ADS41B49
  • TI(德州仪器) ADS41B49
立即查看
您当前的位置: 首页 > 数据转换器 > 模数转换器 (ADC) > 高速 ADC (≥10MSPS) > ADS41B49
ADS41B49

ADS41B49

正在供货

14 位、250MSPS 模数转换器 (ADC)

产品详情
  • 说明
  • 特性
  • 参数
  • 封装 | 引脚 | 尺寸

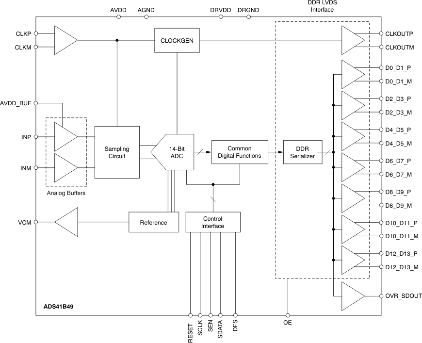
The ADS41Bx9 are members of the ultralow-power ADS4xxx analog-to-digital converter (ADC) family, featuring integrated analog input buffers. These devices use innovative design techniques to achieve high dynamic performance, and consume extremely low power. The analog input pins have buffers, with benefits of constant performance and input impedance across a wide frequency range. The devices are well-suited for multi-carrier, wide bandwidth communications applications such as PA linearization.

The ADS41Bx9 have features such as digital gain and offset correction. The gain option can be used to improve SFDR performance at lower full-scale input ranges, especially at high input frequencies. The integrated dc offset correction loop can be used to estimate and cancel the ADC offset. At lower sampling rates, the ADC automatically operates at scaled-down power with no loss in performance.

The devices support both double data rate (DDR) low-voltage differential signaling (LVDS) and parallel CMOS digital output interfaces. The low data rate of the DDR LVDS interface (maximum 500 MBPS) makes using low-cost field-programmable gate array (FPGA)-based receivers possible. The devices have a low-swing LVDS mode that can be used to further reduce the power consumption. The strength of the LVDS output buffers can also be increased to support 50-Ω differential termination.

The devices are available in a compact VQFN-48 package and are specified over the industrial temperature range (–40°C to +85°C).

  • ADS41B49: 14-Bit, 250 MSPS
    ADS41B29: 12-Bit, 250 MSPS
  • Integrated High-Impedance
    Analog Input Buffer:
    • Input Capacitance: 2 pF
    • 200-MHz Input Resistance: 3 kΩ
  • Maximum Sample Rate: 250 MSPS
  • Ultralow Power:
    • 1.8-V Analog Power: 180 mW
    • 3.3-V Buffer Power: 96 mW
    • I/O Power: 135 mW (DDR LVDS)
  • High Dynamic Performance:
    • SNR: 69 dBFS at 170 MHz
    • SFDR: 82.5 dBc at 170 MHz
  • Output Interface:
    • Double Data Rate (DDR) LVDS with Programmable Swing and Strength:
      • Standard Swing: 350 mV
      • Low Swing: 200 mV
      • Default Strength: 100-Ω Termination
      • 2x Strength: 50-Ω Termination
    • 1.8-V Parallel CMOS Interface Also Supported
  • Programmable Gain for SNR, SFDR Trade-Off
  • DC Offset Correction
  • Supports Low Input Clock Amplitude
  • Package: VQFN-48 (7 mm × 7 mm)
Sample rate (max) (Msps)250
Resolution (Bits)14
Number of input channels1
Interface typeDDR LVDS, Parallel CMOS
Analog input BW (MHz)800
FeaturesHigh Performance
RatingCatalog
Peak-to-peak input voltage range (V)1.5
Power consumption (typ) (mW)350
ArchitecturePipeline
SNR (dB)69.7
ENOB (bit)11.2
SFDR (dB)89
Operating temperature range (°C)-40 to 85
Input bufferYes
VQFN (RGZ)4849 mm² 7 x 7
产品购买
  • 商品型号
  • 封装
  • 工作温度
  • 包装
  • 价格
  • 现货库存
  • 操作
10s
温馨提示:
订单商品问题请移至我的售后服务提交售后申请,其他需投诉问题可移至我的投诉提交,我们将在第一时间给您答复
返回顶部