h1_key

TI(德州仪器) LM10000
德州仪器 (TI) 全系列产品在线购买
  • TI(德州仪器) LM10000
  • TI(德州仪器) LM10000
  • TI(德州仪器) LM10000
  • TI(德州仪器) LM10000
  • TI(德州仪器) LM10000
  • TI(德州仪器) LM10000
立即查看
您当前的位置: 首页 > 数据转换器 > 数模转换器 (DAC) > 精密 DAC (≤10MSPS) > LM10000
LM10000

LM10000

正在供货

AVS 系统控制器

产品详情
  • 说明
  • 特性
  • 参数
  • 封装 | 引脚 | 尺寸

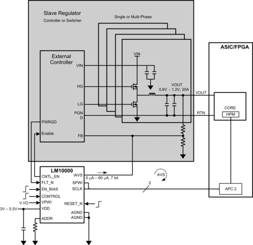
The LM10000 is used to enable Adaptive Voltage Scaling (AVS) to non-AVS regulators. It includes a complete Slave Power Controller (SPC 2.0) to communicate to the PowerWise Interface (PWI 2.0), and a programmable current output DAC that allows voltage control to any regulator utilizing a feedback node/resistors to set the output voltage.

In addition to enabling AVS the LM10000 allows the system to control power states such as sleep and shutdown, and to configure the voltage step slew rate from the PWI.

  • Flexible Enable Inputs to Allow Independent Enable Control of External Controller and LM10000
  • Fault Input Restores Output Voltage Setting to Default Value
  • CNTL_EN Output That Enables/Disables External Controller
  • 7-Bit Current DAC That Can Directly Connect to the Feedback Node of an External Controller and Provide Smooth Voltage Control
  • Programmable Slew Rate Control

Key Specifications

  • PWI 2.0 Interface
  • AVS Control for One Output
  • Precision Enable

All trademarks are the property of their respective owners.

RatingCatalog
Operating temperature range (°C)-40 to 125
WSON (NHK)1412 mm² 4 x 3
产品购买
  • 商品型号
  • 封装
  • 工作温度
  • 包装
  • 价格
  • 现货库存
  • 操作
10s
温馨提示:
订单商品问题请移至我的售后服务提交售后申请,其他需投诉问题可移至我的投诉提交,我们将在第一时间给您答复
返回顶部