h1_key

TI(德州仪器) LM98640QML-SP
德州仪器 (TI) 全系列产品在线购买
  • TI(德州仪器) LM98640QML-SP
  • TI(德州仪器) LM98640QML-SP
  • TI(德州仪器) LM98640QML-SP
  • TI(德州仪器) LM98640QML-SP
  • TI(德州仪器) LM98640QML-SP
  • TI(德州仪器) LM98640QML-SP
立即查看
您当前的位置: 首页 > 数据转换器 > 集成型和特殊功能数据转换器 > CCD 和 CIS 成像 AFE > LM98640QML-SP
LM98640QML-SP

LM98640QML-SP

正在供货

具有 LVDS 输出的双通道、14 位、40MSPS 模拟前端

产品详情
  • 说明
  • 特性
  • 参数
  • 封装 | 引脚 | 尺寸

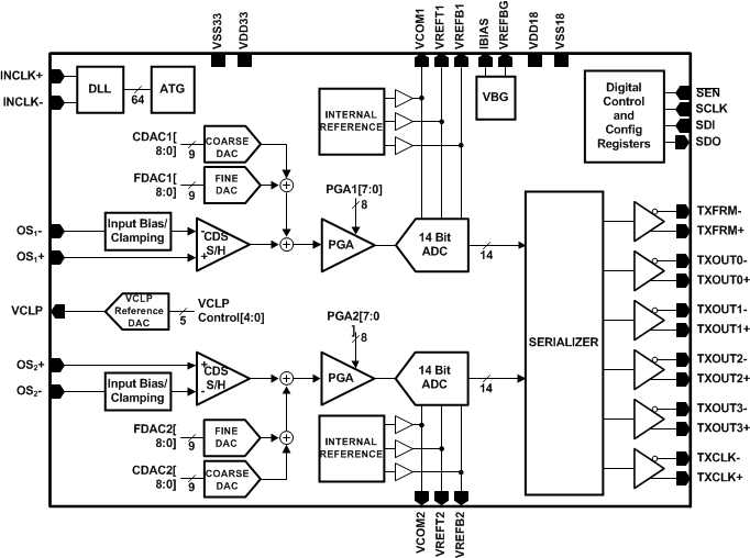
LM98640QML-SP 是一种完全集成的高性能 14 位 5MSPS 至 40MSPS 信号处理解决方案。串行 LVDS 输出格式在单粒子曝光期间表现良好,可防止数据丢失。LM98640QML-SP 具有自适应功率调节功能,可根据工作频率和所需增益量优化功耗。借助创新型架构,并利用相关双采样 (CDS) 技术 - 通常用于 CCD 阵列或采样保持 (S/H) 输入(用于 CIS 和 CMOS 图像传感器),可实现高速信号吞吐量。采样边沿可编程为 1/64 像素周期的分辨率。CDS 和 S/H 都具有 0dB 或 6dB 的可编程增益。信号路径使用两个 ±8 位失调电压校正 DAC 进行粗略和精细的失调电压校正,并使用可为每个输入独立编程的 8 位可编程增益放大器 (PGA)。然后,信号将传送至两个片上 14 位 40MHz 高性能模数转换器 (ADC)。全差分处理通道提供卓越的抗噪能力,在 1 倍增益下具有 –79dB 的极低本底噪声。

  • 耐辐射
    • TID 100krad(Si)
    • 单粒子锁定 (SEL) 对于 LET 的抗扰度 = 120MeV-cm2/mg
    • 在高达 120MeV-cm2/mg 的条件下无单粒子功能中断 (SEFI)
    • SMD 5962R1820301VXC
  • ADC 分辨率:14 位
  • ADC 采样速率:5MSPS 至 40MSPS
  • 输入电平:2.85V
  • 电源电压 3.3V 和 1.8V(标称值)
    • 15MSPS 时的每通道功耗为 125mW
    • 40MSPS 时的每通道功耗为 178mW
  • 针对 CCD 或 CIS 传感器的 CDS 或 S/H 处理
    • CDS 或 S/H 增益为 0dB 或 6dB
  • 每个通道具有可编程模拟增益
    • 256 步;范围 –3dB 至 18dB
  • 可编程模拟失调电压校正
    • 精细和粗略 DAC 分辨率 ±8 位
    • 精细 DAC 范围 ±5mV
    • 粗略 DAC 范围 ±250mV
  • 可编程输入钳位电压
  • 可编程采样边沿:1/64 像素周期
  • 15MHz 时的 INL:±3.5LSB
  • 本底噪声:–79dB
  • 串扰:–80dB
  • 工作温度:–55°C 至 125°C
Resolution (Bits)14
Number of channels2
Sample rate (Msps)40
Gain (min) (dB)-3.8
Gain (max) (dB)18.4
Pd (typ) (mW)356
Supply voltage (max) (V)3.3
Operating temperature range (°C)-55 to 125
Output data formatLVDS
RatingSpace
CFP (NBB)68582.2569 mm² 24.13 x 24.13
产品购买
  • 商品型号
  • 封装
  • 工作温度
  • 包装
  • 价格
  • 现货库存
  • 操作

很抱歉,暂时无法提供与“LM98640QML-SP”系列相匹配的产品,您可以联系专属客服快速找货或在现货搜索框中重新搜索。

10s
温馨提示:
订单商品问题请移至我的售后服务提交售后申请,其他需投诉问题可移至我的投诉提交,我们将在第一时间给您答复
返回顶部