h1_key

TI(德州仪器) VSP5610
德州仪器 (TI) 全系列产品在线购买
  • TI(德州仪器) VSP5610
  • TI(德州仪器) VSP5610
  • TI(德州仪器) VSP5610
  • TI(德州仪器) VSP5610
  • TI(德州仪器) VSP5610
  • TI(德州仪器) VSP5610
立即查看
您当前的位置: 首页 > 数据转换器 > 集成型和特殊功能数据转换器 > CCD 和 CIS 成像 AFE > VSP5610
VSP5610

VSP5610

正在供货

16 位 35MSPS 4 通道成像模拟前端

产品详情
  • 说明
  • 特性
  • 参数
  • 封装 | 引脚 | 尺寸

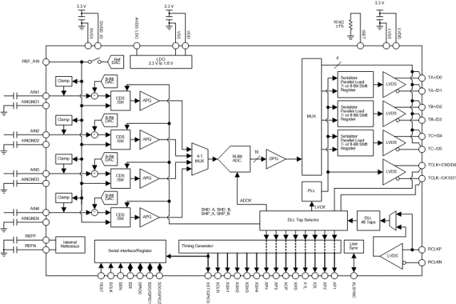
VSP5610/11/12 为高速、高性能 16 位模数转换器 (ADC),具有四个独立的采样电路通道,用于多路输出充电耦合设备 (CCD) 及互补金属氧化物半导体 (CMOS) 系列传感器。 传感器的像素数据由采样/保持 (SH) 或相关双采样 (CDS) 电路采样,然后由 ADC 转化为数字数据。 数据输出在低电压差动信号 (LVDS) 或 CMOS 模式下可选。

VSP5610/11/12 包括一个可编程增益,支持亮度引起的像素级反射。 集成数模转换器 (DAC) 可用于调节模拟输入信号的偏移级别。 此外,定时发生器 (TG) 和一些控制传感器运行的器件集成。

VSP5610/11/12 使用 1.65V 至 1.95V 用于内核电压,3.0V 至 3.6V 用于 I/O。 内核电压由内置低压降稳压器 (LDO) 提供。

  • 四通道 CCD/CMOS 信号:2 通道、4 通道或 4 通道(可选)
  • 电源: 仅限 3.3V(典型值)
    (内置 LDO,3.3V 至 1.8V)
  • 最大转换速率:
    • VSP5610: 35 MSPS
    • VSP5611: 50 MSPS
    • VSP5612: 70 MSPS
  • 16 位分辨率
  • CDS/SH(可选)
  • 最大输入信号范围:2.0V
  • 模拟和数字混合增益:
    • 模拟增益:3/64-V/V 步骤中为
      0.5V/V 至 3.5V/V
    • 数字增益:1/256-V/V 步骤中为
      1V/V 至 2V/V
  • 偏移校正 DAC:±250mV、8 位
  • 标准 LVDS/CMOS 可选输出:
    • LVDS:
      • 数据通道:2 通道、3 通道
      • 时钟通道:1 通道
      • 8 位/7 位串行器(可选)
    • CMOS:
      • 4 位 × 4、8 位 × 2
  • 定时发生器:
    • 快速传输时钟:八个信号
    • 慢速传输时钟:六个信号
  • 定时调节分辨率:tMCLK/48
  • 输入钳位/输入参考级别内部/外部(可选)
  • 参考 DAC: 0.5V、1.1V、1.5V、2V
  • SPI™:三线串行
  • GPIO:四端口
  • 应用
    • 复印机
    • 传真机
    • 扫描仪
  • SPI is a trademark of Motorola.
    All other trademarks are the property of their respective owners.

    Resolution (Bits)16
    Number of channels4
    Sample rate (Msps)35
    Gain (min) (dB)-6
    Gain (max) (dB)17
    Pd (typ) (mW)339
    Supply voltage (max) (V)3.3
    Operating temperature range (°C)0 to 85
    Output data formatCMOS Parallel, LVDS
    RatingCatalog
    VQFN (RSH)5649 mm² 7 x 7
    产品购买
    • 商品型号
    • 封装
    • 工作温度
    • 包装
    • 价格
    • 现货库存
    • 操作
    10s
    温馨提示:
    订单商品问题请移至我的售后服务提交售后申请,其他需投诉问题可移至我的投诉提交,我们将在第一时间给您答复
    返回顶部