h1_key

TI(德州仪器) DAC8234
德州仪器 (TI) 全系列产品在线购买
  • TI(德州仪器) DAC8234
  • TI(德州仪器) DAC8234
  • TI(德州仪器) DAC8234
  • TI(德州仪器) DAC8234
  • TI(德州仪器) DAC8234
  • TI(德州仪器) DAC8234
立即查看
您当前的位置: 首页 > 数据转换器 > 数模转换器 (DAC) > 精密 DAC (≤10MSPS) > DAC8234
DAC8234

DAC8234

正在供货

四通道 14 位高精度 +/-16.5V 输出串行输入数模转换器

产品详情
  • 说明
  • 特性
  • 参数
  • 封装 | 引脚 | 尺寸

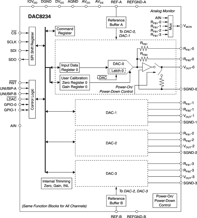
The DAC8234 is a high-accuracy, quad-channel, 14-bit digital-to-analog converter (DAC) that operates from supply voltages of ±5V to ±18V in bipolar output mode, and from ±5V to +24V/-12V in unipolar mode. With a 5V reference, the DAC8234 can be configured to output ±10V, ±5V, 0V to 20V, or 0V to 10V. The DAC8234 provides 14-bit monotonicity, excellent integral nonlinearity (INL) error of ±0.5 LSB, low glitch, and low noise over the operating temperature range of -40°C to +105°C. This device is trimmed in production for very low zero and gain errors. In addition, the DAC8234 implements a user-programmable system-level calibration function to achieve ±0.031 LSB zero error and ±0.25 LSB gain error.

The DAC8234 has integrated reference buffers and output buffers. It features a standard high-speed 1.8V, 3V, or 5V serial peripheral interface (SPI) that operates at clock rates of up to 50MHz to communicate with a DSP or microprocessor. The four DAC channels and the auxiliary registers are addressed with four address bits. The device features double-buffered interface logic for simultaneous updates of all DACs. An asynchronous load input (LDAC) transfers data from the input data register to the DAC latch, and the contents of the DAC latch set the output voltage. The asynchronous RST input sets the output of all four DACs to 0V. The VMON pin is an analog monitor output that multiplexes the individual DAC outputs or the AIN pin.

The DAC8234 is pin-compatible with the DAC8734 (16-bit) and the DAC7716 (12-bit).

  • Bipolar Output: Up to ±16V
  • Unipolar Output: 0V to +20V
  • 14-Bit Monotonic
  • Relative Accuracy: 0.5 LSB Max
  • Low Zero and Gain Errors
    • Before User Calibration: 1 LSB
    • After User Calibration: 0.031 LSB Zero Error, 0.25 LSB Gain Error
  • Low Noise: 60nV/Hz
  • Settling Time: 6µs
  • Configurable Gain: x2/x4
  • Analog Output Monitor
  • Power-Down Mode
  • SPI: Up to 50MHz, 1.8V/3V/5V Logic
  • Daisy-Chain Mode
  • Operating Temperature: -40°C to +105°C
  • Packages: QFN-40 (6x6mm), TQFP-48 (7x7mm)
  • APPLICATIONS
    • Automatic Test Equipment
    • Instrumentation
    • Industrial Process Control
    • Communications

All trademarks are the property of their respective owners.

Resolution (Bits)14
Number of DAC channels4
Interface typeSPI
Output typeBuffered Voltage
Settling time (µs)6
FeaturesOn-chip Offset and Gain Calibration, SDO
Reference typeExt
ArchitectureR-2R
RatingCatalog
Output range (max) (mA/V)16.5
Output range (min) (mA/V)-16.5
Sample/update rate (Msps)0.125
Power consumption (typ) (mW)260
Operating temperature range (°C)-40 to 105
TQFP (PFB)4881 mm² 9 x 9
VQFN (RHA)4036 mm² 6 x 6
产品购买
  • 商品型号
  • 封装
  • 工作温度
  • 包装
  • 价格
  • 现货库存
  • 操作
10s
温馨提示:
订单商品问题请移至我的售后服务提交售后申请,其他需投诉问题可移至我的投诉提交,我们将在第一时间给您答复
返回顶部