h1_key

TI(德州仪器) LM98725
德州仪器 (TI) 全系列产品在线购买
  • TI(德州仪器) LM98725
  • TI(德州仪器) LM98725
  • TI(德州仪器) LM98725
  • TI(德州仪器) LM98725
  • TI(德州仪器) LM98725
  • TI(德州仪器) LM98725
立即查看
您当前的位置: 首页 > 数据转换器 > 集成型和特殊功能数据转换器 > CCD 和 CIS 成像 AFE > LM98725
LM98725

LM98725

正在供货

具有 LVDS/CMOS 输出和集成 CCD/CIS 传感器定时发送器的 3 通道 16 位 81MSPS AFE

产品详情
  • 说明
  • 特性
  • 参数
  • 封装 | 引脚 | 尺寸

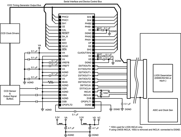
The LM98725 is a fully integrated, high performance 16-Bit, 81 MSPS signal processing solution for digital color copiers, scanners, and other image processing applications. The LM98725 achieves high-speed signal throughput with an innovative architecture utilizing Correlated Double Sampling (CDS), typically employed with CCD arrays, or Sample and Hold (S/H) inputs (for higher speed CCD or CMOS image sensors). The signal paths utilize 8 bit Programmable Gain Amplifiers (PGA), a ±9-Bit offset correction DAC, and independently controlled Digital Black Level correction loops for each input. The independently programmed PGA and offset DAC allow unique values of gain and offset for each of the three analog inputs. The signals are then routed to a 81 MHz high performance analog-to-digital converter (ADC). The fully differential processing channel shows exceptional noise immunity with a very low noise floor of –74 dB. The 16-bit ADC has excellent dynamic performance making the LM98725 transparent in the image reproduction chain.

A very flexible integrated Spread Spectrum Clock Generation (SSCG) modulator is included to assist with EM compliance and reduce system costs.

  • LVDS/CMOS Outputs
  • LVDS/CMOS/Crystal Clock Source with PLL
    Multiplication
  • Integrated Flexible Spread Spectrum Clock
    Generation
  • CDS or S/H Processing for CCD or CIS Sensors
  • Independent Gain/Offset Correction for Each
    Channel
  • Automatic per-Channel Gain and Offset
    Calibration
  • Programmable Input Clamp Voltage
  • Flexible CCD/CIS Sensor Timing Generator
Resolution (Bits)16
Number of channels3
Sample rate (Msps)81
Gain (min) (dB)-4.2
Gain (max) (dB)18.4
Pd (typ) (mW)755
Supply voltage (max) (V)3.3
Operating temperature range (°C)0 to 70
Output data formatCMOS, LVDS
RatingCatalog
TSSOP (DGG)56113.4 mm² 14 x 8.1
产品购买
  • 商品型号
  • 封装
  • 工作温度
  • 包装
  • 价格
  • 现货库存
  • 操作
10s
温馨提示:
订单商品问题请移至我的售后服务提交售后申请,其他需投诉问题可移至我的投诉提交,我们将在第一时间给您答复
返回顶部