h1_key

TI(德州仪器) ADC12DC105
德州仪器 (TI) 全系列产品在线购买
  • TI(德州仪器) ADC12DC105
  • TI(德州仪器) ADC12DC105
  • TI(德州仪器) ADC12DC105
  • TI(德州仪器) ADC12DC105
  • TI(德州仪器) ADC12DC105
  • TI(德州仪器) ADC12DC105
立即查看
您当前的位置: 首页 > 数据转换器 > 模数转换器 (ADC) > 高速 ADC (≥10MSPS) > ADC12DC105
ADC12DC105

ADC12DC105

正在供货

双通道、12 位、105MSPS、1.0GHz 输入带宽模数转换器 (ADC)

产品详情
  • 说明
  • 特性
  • 参数
  • 封装 | 引脚 | 尺寸

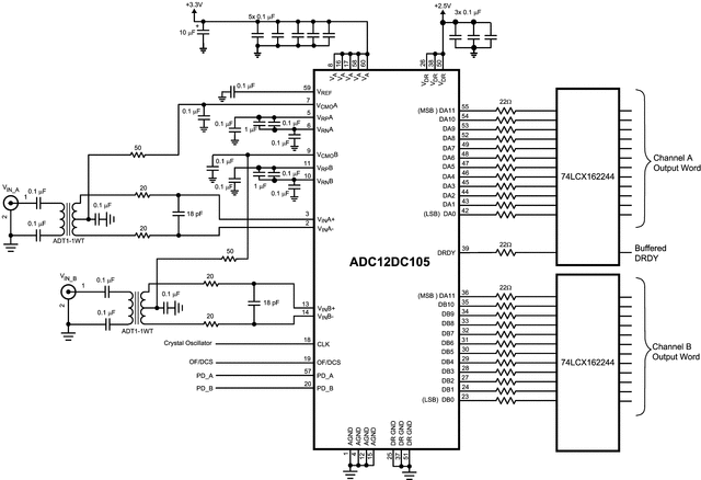
The ADC12DC105 is a high-performance CMOS analog-to-digital converter capable of converting two analog input signals into 12-bit digital words at rates up to 105 Mega Samples Per Second (MSPS). These converters use a differential, pipelined architecture with digital error correction and an on-chip sample-and-hold circuit to minimize power consumption and the external component count, while providing excellent dynamic performance. A unique sample-and-hold stage yields a full-power bandwidth of 1 GHz. The ADC12DC080/105 may be operated from a single +3.0V or +3.3V power supply. A power-down feature reduces the power consumption to very low levels while still allowing fast wake-up time to full operation. The differential inputs provide a 2V full scale differential input swing. A stable 1.2V internal voltage reference is provided, or the ADC12DC105 can be operated with an external 1.2V reference. Output data format (offset binary versus 2's complement) and duty cycle stabilizer are pin-selectable. The duty cycle stabilizer maintains performance over a wide range of clock duty cycles.

The ADC12DC105 is available in a 60-lead WQFN package and operates over the industrial temperature range of −40°C to +85°C.

  • Internal Sample-and-Hold Circuit and Precision Reference
  • Low Power Consumption
  • Clock Duty Cycle Stabilizer
  • Single +3.0V or +3.3V Supply Operation
  • Power-Down Mode
  • Offset Binary or 2's Complement Output Data Format
  • 60-Pin WQFN Package, (9x9x0.8mm, 0.5mm Pin-Pitch)

Key Specifications

  • High IF Sampling Receivers
  • Wireless Base Station Receivers
  • Test and Measurement Equipment
  • Communications Instrumentation
  • Portable Instrumentation

All trademarks are the property of their respective owners.

Sample rate (max) (Msps)105
Resolution (Bits)12
Number of input channels2
Interface typeParallel CMOS
Analog input BW (MHz)1000
FeaturesLow Power
RatingCatalog
Peak-to-peak input voltage range (V)2
Power consumption (typ) (mW)800
ArchitecturePipeline
SNR (dB)71
ENOB (bit)11.5
SFDR (dB)90
Operating temperature range (°C)-45 to 85
Input bufferNo
WQFN (NKA)6081 mm² 9 x 9
产品购买
  • 商品型号
  • 封装
  • 工作温度
  • 包装
  • 价格
  • 现货库存
  • 操作
10s
温馨提示:
订单商品问题请移至我的售后服务提交售后申请,其他需投诉问题可移至我的投诉提交,我们将在第一时间给您答复
返回顶部