h1_key

TI(德州仪器) ADC12DS105
德州仪器 (TI) 全系列产品在线购买
  • TI(德州仪器) ADC12DS105
  • TI(德州仪器) ADC12DS105
  • TI(德州仪器) ADC12DS105
  • TI(德州仪器) ADC12DS105
  • TI(德州仪器) ADC12DS105
  • TI(德州仪器) ADC12DS105
立即查看
您当前的位置: 首页 > 数据转换器 > 模数转换器 (ADC) > 高速 ADC (≥10MSPS) > ADC12DS105
ADC12DS105

ADC12DS105

正在供货

双通道、12 位、105MSPS 模数转换器 (ADC)

产品详情
  • 说明
  • 特性
  • 参数
  • 封装 | 引脚 | 尺寸

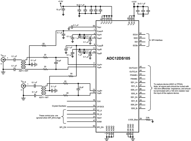
The ADC12DS105 is a high-performance CMOS analog-to-digital converter capable of converting two analog input signals into 12-bit digital words at rates up to 105 Mega Samples Per Second (MSPS). The digital outputs are serialized and provided on differential LVDS signal pairs. This converter uses a differential, pipelined architecture with digital error correction and an on-chip sample-and-hold circuit to minimize power consumption and the external component count, while providing excellent dynamic performance. The ADC12DS105 may be operated from a single +3.0V or 3.3V power supply. A power-down feature reduces the power consumption to very low levels while still allowing fast wake-up time to full operation. The differential inputs accept a 2V full scale differential input swing. A stable 1.2V internal voltage reference is provided, or the ADC12DS105 can be operated with an external 1.2V reference. The selectable duty cycle stabilizer maintains performance over a wide range of clock duty cycles. A serial interface allows access to the internal registers for full control of the ADC12DS105's functionality. The ADC12DS105 is available in a 60-lead WQFN package and operates over the industrial temperature range of −40°C to +85°C

  • Clock Duty Cycle Stabilizer
  • Single +3.0 or 3.3V Supply Operation
  • Serial LVDS Outputs
  • Serial Control Interface
  • Overrange Outputs
  • 60-pin WQFN Package, (9x9x0.8mm, 0.5mm pin-pitch)

Key Specifications

  • Resolution: 12 Bits
  • Conversion Rate: 105 MSPS
  • SNR (fIN = 240 MHz): 68.5 dBFS (typ)
  • SFDR (fIN = 240 MHz): 83 dBFS (typ)
  • Full Power Bandwidth: 1 GHz (typ)
  • Power Consumption: 1 W (typ)

All trademarks are the property of their respective owners.

Sample rate (max) (Msps)125
Resolution (Bits)12
Number of input channels2
Interface typeSerial LVDS
Analog input BW (MHz)1000
FeaturesLow Power
RatingCatalog
Peak-to-peak input voltage range (V)2
Power consumption (typ) (mW)1000
ArchitecturePipeline
SNR (dB)71
ENOB (bit)11.5
SFDR (dB)88
Operating temperature range (°C)-40 to 85
Input bufferNo
WQFN (NKA)6081 mm² 9 x 9
产品购买
  • 商品型号
  • 封装
  • 工作温度
  • 包装
  • 价格
  • 现货库存
  • 操作
10s
温馨提示:
订单商品问题请移至我的售后服务提交售后申请,其他需投诉问题可移至我的投诉提交,我们将在第一时间给您答复
返回顶部