h1_key

TI(德州仪器) ADS6225
德州仪器 (TI) 全系列产品在线购买
  • TI(德州仪器) ADS6225
  • TI(德州仪器) ADS6225
  • TI(德州仪器) ADS6225
  • TI(德州仪器) ADS6225
  • TI(德州仪器) ADS6225
  • TI(德州仪器) ADS6225
立即查看
您当前的位置: 首页 > 数据转换器 > 模数转换器 (ADC) > 高速 ADC (≥10MSPS) > ADS6225
ADS6225

ADS6225

正在供货

双通道、12 位、125MSPS 模数转换器 (ADC)

产品详情
  • 说明
  • 特性
  • 参数
  • 封装 | 引脚 | 尺寸

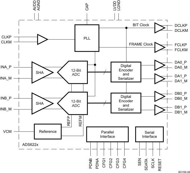
ADS6225/ADS6224/ADS6223/ADS6222 (ADS622X) is a family of high performance 12-bit 125/105/80/65 MSPS dual channel A-D converters. Serial LVDS data outputs reduce the number of interface lines, resulting in a compact 48-pin QFN package (7 mm × 7 mm) that allows for high system integration density. The device includes 3.5 dB coarse gain option that can be used to improve SFDR performance with little degradation in SNR. In addition to the coarse gain, fine gain options also exist, programmable in 1 dB steps up to 6 dB.

The output interface is 2-wire, where each ADC data is serialized and output over two LVDS pairs. This makes it possible to halve the serial data rate (compared to a 1-wire interface) and restrict it to less than 1 Gbps easing receiver design. The ADS622X also includes the traditional 1-wire interface that can be used at lower sampling frequencies.

An internal phase lock loop (PLL) multiplies the incoming ADC sampling clock to derive the bit clock. The bit clock is used to serialize the ADC data from each channel. In addition to the serial data streams, the frame and bit clocks are also transmitted as LVDS outputs. The LVDS output buffers have features such as programmable LVDS currents, current doubling modes and internal termination options. These can be used to widen eye-openings and improve signal integrity, easing capture by the receiver.

The ADC channel outputs can be transmitted either as MSB or LSB first and 2s complement or straight binary.

ADS622X has internal references, but can also support an external reference mode. The device is specified over the industrial temperature range (–40°C to 85°C).

  • Maximum Sample Rate: 125 MSPS
  • 12-Bit Resolution with No Missing Codes
  • Simultaneous Sample and Hold
  • 3.5 dB Coarse Gain and up to 6 dB Programmable
    Fine Gain for SFDR/SNR Trade-Off
  • Serialized LVDS Outputs with Programmable
    Internal Termination Option
  • Supports Sine, LVCMOS, LVPECL, LVDS Clock
    Inputs and Amplitude Down to 400 mVpp
  • Internal Reference with External Reference Support
  • No External Decoupling Required for References
  • 3.3-V Analog and Digital Supply
  • 48 QFN Package (7 mm × 7 mm)
  • Pin Compatible 14-Bit Family (ADS624X – SLAS542)
  • Feature Compatible Quad Channel Family
    (ADS644X – SLAS531 and ADS642X – SLAS532)
Sample rate (max) (Msps)125
Resolution (Bits)12
Number of input channels2
Interface typeSerial LVDS
Analog input BW (MHz)500
FeaturesHigh Performance
RatingCatalog
Peak-to-peak input voltage range (V)2
Power consumption (typ) (mW)1000
ArchitecturePipeline
SNR (dB)70.9
ENOB (bit)11.4
SFDR (dB)90
Operating temperature range (°C)-40 to 85
Input bufferNo
VQFN (RGZ)4849 mm² 7 x 7
产品购买
  • 商品型号
  • 封装
  • 工作温度
  • 包装
  • 价格
  • 现货库存
  • 操作
10s
温馨提示:
订单商品问题请移至我的售后服务提交售后申请,其他需投诉问题可移至我的投诉提交,我们将在第一时间给您答复
返回顶部