h1_key

TI(德州仪器) DAC128S085
德州仪器 (TI) 全系列产品在线购买
  • TI(德州仪器) DAC128S085
  • TI(德州仪器) DAC128S085
  • TI(德州仪器) DAC128S085
  • TI(德州仪器) DAC128S085
  • TI(德州仪器) DAC128S085
  • TI(德州仪器) DAC128S085
立即查看
您当前的位置: 首页 > 数据转换器 > 数模转换器 (DAC) > 精密 DAC (≤10MSPS) > DAC128S085
DAC128S085

DAC128S085

正在供货

具有轨到轨输出的 12 位微功耗八路数模转换器

产品详情
  • 说明
  • 特性
  • 参数
  • 封装 | 引脚 | 尺寸

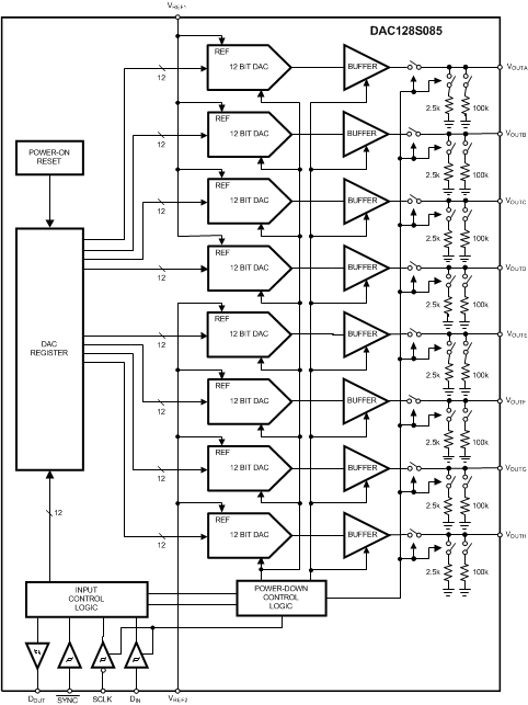
The DAC128S085 is a full-featured, general-purpose OCTAL 12-bit voltage-output digital-to-analog converter (DAC) that can operate from a single 2.7-V to 5.5-V supply and consumes 1.95 mW at 3 V and 4.85 mW at 5 V. The DAC128S085 is packaged in a 16-lead WQFN package and a 16-lead TSSOP package. The WQFN package makes the DAC128S085 the smallest OCTAL DAC in its class. The on-chip output amplifiers allow rail-to-rail output swing, and the 3-wire serial interface operates at clock rates up to 40 MHz over the entire supply voltage range. Competitive devices are limited to 25-MHz clock rates at supply voltages in the 2.7-V to 3.6-V range. The serial interface is compatible with standard SPI™, QSPI, MICROWIRE, and DSP interfaces. The DAC128S085 also offers daisy-chain operation, where an unlimited number of DAC128S085s can be updated simultaneously using a single serial interface.

There are two references for the DAC128S085. One reference input serves channels A through D, while the other reference serves channels E through H. Each reference can be set independently between 0.5 V and VA, providing the widest possible output dynamic range. The DAC128S085 has a 16-bit input shift register that controls the mode of operation, the power-down condition, and the register/output value of the DAC channels. All eight DAC outputs can be updated simultaneously or individually.

A power-on reset circuit ensures that the DAC outputs power up to zero volts and remain there until there is a valid write to the device. The power-down feature of the DAC128S085 allows each DAC to be independently powered with three different termination options. With all the DAC channels powered down, power consumption reduces to less than 0.3 µW at 3 V and less than 1 µW at 5 V. The low power consumption and small packages of the DAC128S085 make it an excellent choice for use in battery-operated equipment.

The DAC128S085 is one of a family of pin-compatible DACs, including the 8-bit DAC088S085 and the 10-bit DAC108S085. All three parts are offered with the same pinout, allowing system designers to select a resolution appropriate for their application without redesigning their printed circuit board. The DAC128S085 operates over the extended industrial temperature range of –40°C to 125°C.

  • Ensured Monotonicity
  • Low Power Operation
  • Rail-to-Rail Voltage Output
  • Daisy-Chain Capability
  • Power-on Reset to 0 V
  • Simultaneous Output Updating
  • Individual Channel Power-Down Capability
  • Wide Power Supply Range (2.7 V to 5.5 V)
  • Dual Reference Voltages With Range of 0.5 V
    to VA
  • Operating Temperature Range of –40°C to 125°C
  • Smallest Package in the Industry
  • Resolution 12 Bits
  • INL ±8 LSB (Maximum)
  • DNL 0.75 / –0.4 LSB (Maximum)
  • Settling Time 8.5 μs (Maximum)
  • Zero Code Error 15 mV (Maximum)
  • Full-Scale Error –0.75 %FSR (Maximum)
  • Supply Power
    • 1.95 mW (3 V) / 4.85 mW (5 V) Typical
    • Power Down 0.3 µW (3 V) / 1 µW (5 V) Typical
Resolution (Bits)12
Number of DAC channels8
Interface typeSPI
Output typeBuffered Voltage
Settling time (µs)8.5
FeaturesCost Optimized, Low Power, SDO, Small Size
Reference typeExt
ArchitectureString
RatingCatalog
Output range (max) (mA/V)5.5
Output range (min) (mA/V)0
Sample/update rate (Msps)2.5
Power consumption (typ) (mW)1.95
Operating temperature range (°C)-40 to 125
TSSOP (PW)1632 mm² 5 x 6.4
WQFN (RGH)1616 mm² 4 x 4
产品购买
  • 商品型号
  • 封装
  • 工作温度
  • 包装
  • 价格
  • 现货库存
  • 操作
10s
温馨提示:
订单商品问题请移至我的售后服务提交售后申请,其他需投诉问题可移至我的投诉提交,我们将在第一时间给您答复
返回顶部