h1_key

TI(德州仪器) ADC12C105
德州仪器 (TI) 全系列产品在线购买
  • TI(德州仪器) ADC12C105
  • TI(德州仪器) ADC12C105
  • TI(德州仪器) ADC12C105
  • TI(德州仪器) ADC12C105
  • TI(德州仪器) ADC12C105
  • TI(德州仪器) ADC12C105
立即查看
您当前的位置: 首页 > 数据转换器 > 模数转换器 (ADC) > 高速 ADC (≥10MSPS) > ADC12C105
ADC12C105

ADC12C105

正在供货

12 位、105MSPS、1.0GHz 输入带宽模数转换器 (ADC)

产品详情
  • 说明
  • 特性
  • 参数
  • 封装 | 引脚 | 尺寸

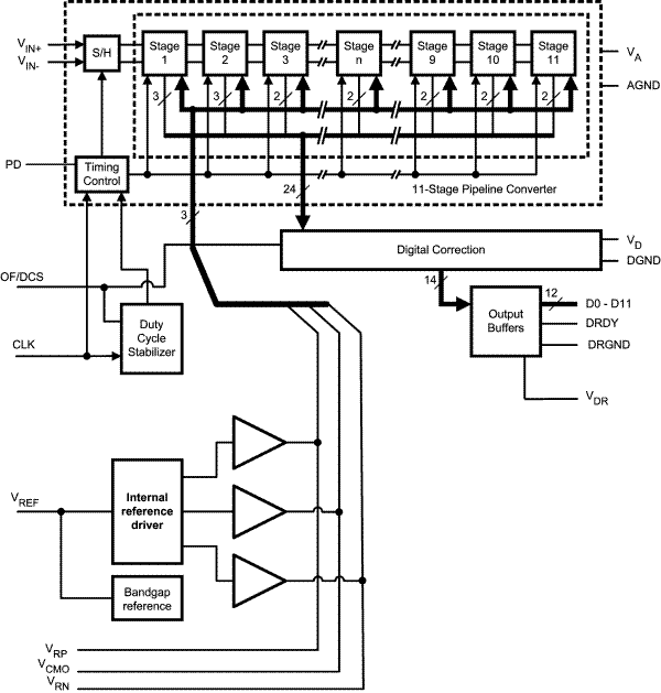
The ADC12C105 is a high-performance CMOS analog-to-digital converter capable of converting analog input signals into 12-bit digital words at rates up to 105 Mega Samples Per Second (MSPS). This converter uses a differential, pipelined architecture with digital error correction and an on-chip sample-and-hold circuit to minimize power consumption and the external component count, while providing excellent dynamic performance. A unique sample-and-hold stage yields a full-power bandwidth of 1 GHz. The ADC12C105 may be operated from a single +3.0V or +3.3V power supply and consumes low power.

A separate +2.5V supply may be used for the digital output interface which allows lower power operation with reduced noise. A power-down feature reduces the power consumption to very low levels while still allowing fast wake-up time to full operation. The differential inputs accept a 2V full scale differential input swing. A stable 1.2V internal voltage reference is provided, or the ADC12C105 can be operated with an external 1.2V reference. Output data format (offset binary versus 2's complement) and duty cycle stabilizer are pin-selectable. The duty cycle stabilizer maintains performance over a wide range of clock duty cycles.

The ADC12C105 is available in a 32-lead WQFN package and operates over the industrial temperature range of −40°C to +85°C.

  • 1 GHz Full Power Bandwidth
  • Internal Reference and Sample-and-Hold Circuit
  • Low Power Consumption
  • Data Ready Output Clock
  • Clock Duty Cycle Stabilizer
  • Single +3.0V or +3.3V Supply Operation
  • Power-Down Mode
  • 32-Pin WQFN Package, (5x5x0.8mm, 0.5mm Pin-Pitch)

Key Specifications

  • Resolution: 12 Bits
  • Conversion Rate: 105 MSPS
  • SNR: (fIN = 240 MHz) 69 dBFS (typ)
  • SFDR: (fIN = 240 MHz) 82 dBFS (typ)
  • Full Power Bandwidth: 1 GHz (typ)
  • Power Consumption:
    • 350 mW (typ), VA=3.0 V
    • 400 mW (typ), VA=3.3 V

All trademarks are the property of their respective owners.

Sample rate (max) (Msps)105
Resolution (Bits)12
Number of input channels1
Interface typeParallel CMOS
Analog input BW (MHz)1000
FeaturesLow Power
RatingCatalog
Peak-to-peak input voltage range (V)2
Power consumption (typ) (mW)400
ArchitecturePipeline
SNR (dB)71
ENOB (bit)11.5
SFDR (dB)90
Operating temperature range (°C)-40 to 85
Input bufferNo
WQFN (RTV)3225 mm² 5 x 5
产品购买
  • 商品型号
  • 封装
  • 工作温度
  • 包装
  • 价格
  • 现货库存
  • 操作
10s
温馨提示:
订单商品问题请移至我的售后服务提交售后申请,其他需投诉问题可移至我的投诉提交,我们将在第一时间给您答复
返回顶部