h1_key

TI(德州仪器) DAC082S085
德州仪器 (TI) 全系列产品在线购买
  • TI(德州仪器) DAC082S085
  • TI(德州仪器) DAC082S085
  • TI(德州仪器) DAC082S085
  • TI(德州仪器) DAC082S085
  • TI(德州仪器) DAC082S085
  • TI(德州仪器) DAC082S085
立即查看
您当前的位置: 首页 > 数据转换器 > 数模转换器 (DAC) > 精密 DAC (≤10MSPS) > DAC082S085
DAC082S085

DAC082S085

正在供货

具有轨到轨输出的 8 位微功耗双通道数模转换器

产品详情
  • 说明
  • 特性
  • 参数
  • 封装 | 引脚 | 尺寸

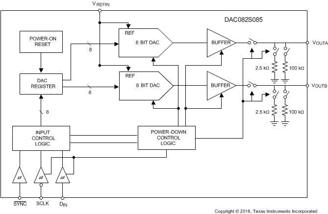
The DAC082S085 device is a full-featured, general-purpose, DUAL, 8-bit, voltage-output, digital-to-analog converter (DAC) that can operate from a single 2.7-V to 5.5-V supply and consumes 0.6 mW at 3 V and 1.6 mW at 5 V. The DAC082S085 is packaged in 10-pin SON and VSSOP packages. The 10-pin WSON package makes the DAC082S085 the smallest DUAL DAC in its class. The on-chip output amplifier allows rail-to-rail output swing, and the three-wire serial interface operates at clock rates up to 40 MHz over the entire supply voltage range. Competitive devices are limited to 25-MHz clock rates at supply voltages in the 2.7 V to 3.6 V range. The serial interface is compatible with standard SPI™, QSPI, MICROWIRE, and DSP interfaces.

  • Ensured Monotonicity
  • Low Power Operation
  • Rail-to-Rail Voltage Output
  • Power-On Reset to 0 V
  • Simultaneous Output Updating
  • Wide Power Supply Range: 2.7 V to 5.5 V
  • Industry’s Smallest Package
  • Power-Down Modes
  • Key Specifications:
    • Resolution: 8 Bits
    • INL: ±0.5 LSB (Maximum)
    • DNL: 0.18 / –0.13 LSB (Maximum)
    • Settling Time: 4.5 µs (Maximum)
    • Zero Code Error: 15 mV (Maximum)
    • Full-Scale Error: –0.75% FS (Maximum)
    • Supply Power:
      • Normal: 0.6 mW (3 V) / 1.6 mW (5 V)
        (Typical)
      • Power Down: 0.3 µW (3 V) / 0.8 µW (5 V)
        (Typical)
Resolution (Bits)8
Number of DAC channels2
Interface typeSPI
Output typeBuffered Voltage
Settling time (µs)4.5
FeaturesCost Optimized, Low Power, Small Size
Reference typeExt
ArchitectureString
RatingCatalog
Output range (max) (mA/V)5.5
Output range (min) (mA/V)0
Sample/update rate (Msps)2.5
Power consumption (typ) (mW)0.6
Operating temperature range (°C)-40 to 105
VSSOP (DGS)1014.7 mm² 3 x 4.9
WSON (DSC)109 mm² 3 x 3
产品购买
  • 商品型号
  • 封装
  • 工作温度
  • 包装
  • 价格
  • 现货库存
  • 操作
10s
温馨提示:
订单商品问题请移至我的售后服务提交售后申请,其他需投诉问题可移至我的投诉提交,我们将在第一时间给您答复
返回顶部