h1_key

TI(德州仪器) DAC8803
德州仪器 (TI) 全系列产品在线购买
  • TI(德州仪器) DAC8803
  • TI(德州仪器) DAC8803
  • TI(德州仪器) DAC8803
  • TI(德州仪器) DAC8803
  • TI(德州仪器) DAC8803
  • TI(德州仪器) DAC8803
立即查看
您当前的位置: 首页 > 数据转换器 > 数模转换器 (DAC) > 精密 DAC (≤10MSPS) > DAC8803
DAC8803

DAC8803

正在供货

14 位四通道串行接口乘法数模转换器

产品详情
  • 说明
  • 特性
  • 参数
  • 封装 | 引脚 | 尺寸

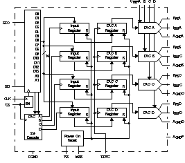
The DAC8803 is a quad, 14-bit, current-output digital-to-analog converter (DAC) designed to operate from a single +2.7-V to 5-V supply.

The applied external reference input voltage VREF determines the full-scale output current. An internal feedback resistor (RFB) provides temperature tracking for the full-scale output when combined with an external I-to-V precision amplifier.

A doubled buffered serial data interface offers high-speed, 3-wire, SPI and microcontroller compatible inputs using serial data in (SDI), clock (CLK), and a chip select (CS). In addition, a serial data out pin (SDO) allows for daisy chaining when multiple packages are used. A common level-sensitive load DAC strobe (LDAC) input allows simultaneous update of all DAC outputs from previously loaded input registers. Additionally, an internal power-on reset forces the output voltage to zero at system turn on. An MSB pin allows system reset assertion (RS) to force all registers to zero code when MSB = 0, or to half-scale code when MSB = 1.

The DAC8803 is packaged in an SSOP package.

  • Relative Accuracy: 1 LSB Max
  • Differential Nonlinearity: 1 LSB Max
  • 2-mA Full-Scale Current with VREF = ±10 V
  • 0.5-µs Settling Time
  • Midscale or Zero-Scale Reset
  • Four Separate 4Q Multiplying Reference Inputs
  • Reference Bandwidth: 10 MHz
  • Reference Dynamics: -105 dB THD
  • SPI™-Compatible 3-Wire Interface: 50-MHz
  • Double Buffered Registers Enable
  • Simultaneous Multichannel Update
  • Internal Power-On Reset
  • Compact SSOP-28 Package
  • Industry-Standard Pin Configuration
  • APPLICATIONS
    • Automatic Test Equipment
    • Instrumentation
    • Digitally-Controlled Calibration

SPI is a trademark of Motorola, Inc.
All trademarks are the property of their respective owners.

Resolution (Bits)14
Number of DAC channels4
Interface typeSPI
Output typeUnbuffered Current
Settling time (µs)0.5
FeaturesReset to Mid-Scale, SDO
Reference typeExt
ArchitectureMultiplying DAC
RatingCatalog
Output range (max) (mA/V)2
Output range (min) (mA/V)0
Sample/update rate (Msps)2
Power consumption (typ) (mW)0.0275
Operating temperature range (°C)-40 to 85
SSOP (DB)2879.56 mm² 10.2 x 7.8
产品购买
  • 商品型号
  • 封装
  • 工作温度
  • 包装
  • 价格
  • 现货库存
  • 操作
10s
温馨提示:
订单商品问题请移至我的售后服务提交售后申请,其他需投诉问题可移至我的投诉提交,我们将在第一时间给您答复
返回顶部