h1_key

TI(德州仪器) DAC8814
德州仪器 (TI) 全系列产品在线购买
  • TI(德州仪器) DAC8814
  • TI(德州仪器) DAC8814
  • TI(德州仪器) DAC8814
  • TI(德州仪器) DAC8814
  • TI(德州仪器) DAC8814
  • TI(德州仪器) DAC8814
立即查看
您当前的位置: 首页 > 数据转换器 > 数模转换器 (DAC) > 精密 DAC (≤10MSPS) > DAC8814
DAC8814

DAC8814

正在供货

16 位、四路、串行输入乘法数模转换器

产品详情
  • 说明
  • 特性
  • 参数
  • 封装 | 引脚 | 尺寸

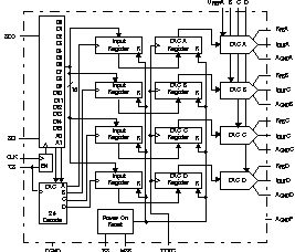
The DAC8814 is a quad, 16-bit, current-output digital-to-analog converter (DAC) designed to operate from a single +2.7-V to 5.0-V supply.

The applied external reference input voltage VREF determines the full-scale output current. An internal feedback resistor (RFB) provides temperature tracking for the full-scale output when combined with an external I-to-V precision amplifier.

A doubled buffered serial data interface offers high-speed, 3-wire, SPI and microcontroller compatible inputs using serial data in (SDI), clock (CLK), and a chip-select (CS). In addition, a serial data out pin (SDO) allows for daisy-chaining when multiple packages are used. A common level-sensitive load DAC strobe (LDAC) input allows simultaneous update of all DAC outputs from previously loaded input registers. Additionally, an internal power-on reset forces the output voltage to zero at system turn on. An MSB pin allows system reset assertion (RS) to force all registers to zero code when MSB = 0, or to half-scale code when MSB = 1.

The DAC8814 is available in an SSOP package.

  • Relative Accuracy: 1 LSB Max
  • Differential Nonlinearity: 1 LSB Max
  • 2-mA Full-Scale Current with VREF = ±10 V
  • 0.5-µs Settling Time
  • Midscale or Zero-Scale Reset
  • Four Separate 4Q Multiplying Reference Inputs
  • Reference Bandwidth: 10 MHz
  • Reference Dynamics: -105 dB THD
  • SPI™-Compatible 3-Wire Interface: 50 MHz
  • Double Buffered Registers Enable
  • Simultaneous Multichannel Change
  • Internal Power-On Reset
  • Industry-Standard Pin Configuration
  • APPLICATIONS
    • Automatic Test Equipment
    • Instrumentation
    • Digitally-Controlled Calibration

SPI is a trademark of Motorola, Inc.
All other trademarks are the property of their respective owners.

Resolution (Bits)16
Number of DAC channels4
Interface typeSPI
Output typeUnbuffered Current
Settling time (µs)0.5
FeaturesSDO
Reference typeExt
ArchitectureMultiplying DAC
RatingCatalog
Output range (max) (mA/V)2
Output range (min) (mA/V)0
Sample/update rate (Msps)2
Power consumption (typ) (mW)0.0275
Operating temperature range (°C)-40 to 85
SSOP (DB)2879.56 mm² 10.2 x 7.8
产品购买
  • 商品型号
  • 封装
  • 工作温度
  • 包装
  • 价格
  • 现货库存
  • 操作
10s
温馨提示:
订单商品问题请移至我的售后服务提交售后申请,其他需投诉问题可移至我的投诉提交,我们将在第一时间给您答复
返回顶部