h1_key

TI(德州仪器) ADC14L040
德州仪器 (TI) 全系列产品在线购买
  • TI(德州仪器) ADC14L040
  • TI(德州仪器) ADC14L040
  • TI(德州仪器) ADC14L040
  • TI(德州仪器) ADC14L040
  • TI(德州仪器) ADC14L040
  • TI(德州仪器) ADC14L040
立即查看
您当前的位置: 首页 > 数据转换器 > 模数转换器 (ADC) > 高速 ADC (≥10MSPS) > ADC14L040
ADC14L040

ADC14L040

正在供货

14 位、40MSPS 模数转换器 (ADC)

产品详情
  • 说明
  • 特性
  • 参数
  • 封装 | 引脚 | 尺寸

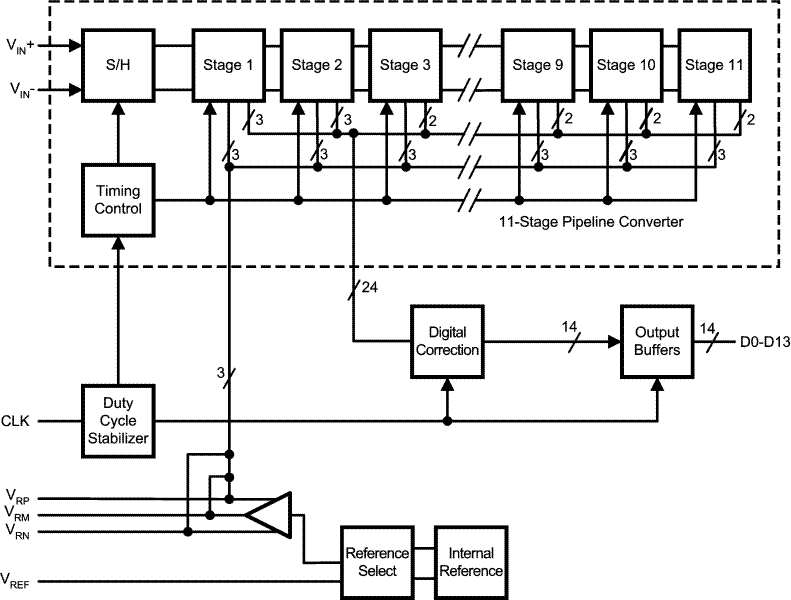
The ADC14L040 is a low power monolithic CMOS analog-to-digital converter capable of converting analog input signals into 14-bit digital words at 40 Megasamples per second (MSPS). This converter uses a differential, pipeline architecture with digital error correction and an on-chip sample-and-hold circuit to minimize power consumption while providing excellent dynamic performance and a 150 MHz Full Power Bandwidth. Operating on a single +3.3V power supply, the ADC14L040 achieves 11.9 effective bits at nyquist and consumes just 235 mW at 40 MSPS . The Power Down feature reduces power consumption to 15 mW.

The differential inputs provide a full scale differential input swing equal to 2 times VREF with the possibility of a single-ended input. Full use of the differential input is recommended for optimum performance. Duty cycle stabilization and output data format are selectable using a quad state function pin. The output data can be set for offset binary or two's complement.

To ease interfacing to lower voltage systems, the digital output driver power pins of the ADC14L040 can be connected to a separate supply voltage in the range of 2.4V to the analog supply voltage.

This device is available in the 32-lead LQFP package and will operate over the industrial temperature range of −40°C to +85°C. An evaluation board is available to ease the evaluation process.

  • Single +3.3V Supply Operation
  • Internal Sample-and-Hold
  • Internal Reference
  • Outputs 2.4V to 3.6V Compatible
  • Duty Cycle Stabilizer
  • Power Down Mode

Key Specifications

  • Resolution 14 Bits
  • DNL ±0.5 LSB (typ)
  • SNR (fIN = 10 MHz) 74 dB (typ)
  • SFDR (fIN = 10 MHz) 90 dB (typ)
  • Data Latency 7 Clock Cycles
  • Power Consumption
    • Operating 235 mW (typ)
    • Power Down Mode 15 mW (typ)

All trademarks are the property of their respective owners.

Sample rate (max) (Msps)40
Resolution (Bits)14
Number of input channels1
Interface typeParallel CMOS, TTL
Analog input BW (MHz)150
FeaturesLow Power
RatingCatalog
Peak-to-peak input voltage range (V)2
Power consumption (typ) (mW)235
ArchitecturePipeline
SNR (dB)74
ENOB (bit)12
SFDR (dB)90
Operating temperature range (°C)-40 to 85
Input bufferNo
LQFP (NEY)3281 mm² 9 x 9
产品购买
  • 商品型号
  • 封装
  • 工作温度
  • 包装
  • 价格
  • 现货库存
  • 操作
10s
温馨提示:
订单商品问题请移至我的售后服务提交售后申请,其他需投诉问题可移至我的投诉提交,我们将在第一时间给您答复
返回顶部