h1_key

TI(德州仪器) LM98714
德州仪器 (TI) 全系列产品在线购买
  • TI(德州仪器) LM98714
  • TI(德州仪器) LM98714
  • TI(德州仪器) LM98714
  • TI(德州仪器) LM98714
  • TI(德州仪器) LM98714
  • TI(德州仪器) LM98714
立即查看
您当前的位置: 首页 > 数据转换器 > 集成型和特殊功能数据转换器 > CCD 和 CIS 成像 AFE > LM98714
LM98714

LM98714

正在供货

具有集成 CCD/CIS 传感器定时发送器和 LVDS 输出的 3 通道 16 位 45 MSPS 数字复印机 AFE

产品详情
  • 说明
  • 特性
  • 参数
  • 封装 | 引脚 | 尺寸

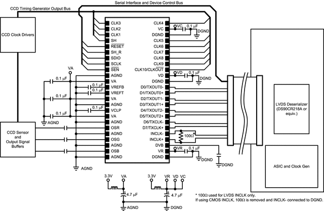
The LM98714 is a fully integrated, high performance 16-Bit, 45 MSPS signal processing solution for digital color copiers, scanners, and other image processing applications. High-speed signal throughput is achieved with an innovative architecture utilizing Correlated Double Sampling (CDS), typically employed with CCD arrays, or Sample and Hold (S/H) inputs (for Contact Image Sensors and CMOS image sensors). The signal paths utilize 8 bit Programmable Gain Amplifiers (PGA), a ±9-Bit offset correction DAC and independently controlled Digital Black Level correction loops for each input. The PGA and offset DAC are programmed independently allowing unique values of gain and offset for each of the three inputs. The signals are then routed to a 45 MHz high performance analog-to-digital converter (ADC). The fully differential processing channel shows exceptional noise immunity, having a very low noise floor of –74dB. The 16-bit ADC has excellent dynamic performance making the LM98714 transparent in the image reproduction chain.

  • LVDS/CMOS Outputs
  • LVDS/CMOS Pixel Rate Input Clock or ADC Input Clock
  • CDS or S/H Processing for CCD or CIS Sensors
  • Independent Gain/Offset Correction for Each Channel
  • Digital Black Level Correction Loop for Each Channel
  • Programmable Input Clamp Voltage
  • Flexible CCD/CIS Sensor Timing Generator
  • Key Specifications
    • Maximum Input Level: 1.2 or 2.4 Volt Modes
      • (Both with + or – Polarity Option)
    • ADC Resolution: 16-Bit
    • ADC Sampling Rate: 45 MSPS
    • INL: ±23 LSB (Typ)
    • Channel Sampling Rate: 15/22.5/30 MSPS
    • PGA Gain Steps: 256 Steps
    • PGA Gain Range: 0.7 to 7.84x
    • Analog DAC Resolution: ±9 Bits
    • Analog DAC Range: ±300 mV or ±600 mV
    • Digital DAC Resolution: ±6 Bits
    • Digital DAC Range: –1024 LSB to + 1008 LSB
    • SNR: –74dB (at 0 dB PGA Gain)
    • Power Dissipation: 505 mW (LVDS) 610 mW (CMOS)
    • Operating Temp: 0 to 70°C
    • Supply Voltage: 3.3 V Nominal (3.0 V to 3.6 V Range)
Resolution (Bits)16
Number of channels3
Sample rate (Msps)45
Gain (min) (dB)-3
Gain (max) (dB)17.9
Pd (typ) (mW)505
Supply voltage (max) (V)3.3
Operating temperature range (°C)0 to 70
Output data formatCMOS, LVDS
RatingCatalog
TSSOP (DGG)48101.25 mm² 12.5 x 8.1
产品购买
  • 商品型号
  • 封装
  • 工作温度
  • 包装
  • 价格
  • 现货库存
  • 操作
10s
温馨提示:
订单商品问题请移至我的售后服务提交售后申请,其他需投诉问题可移至我的投诉提交,我们将在第一时间给您答复
返回顶部