h1_key

TI(德州仪器) ADC12DL040
德州仪器 (TI) 全系列产品在线购买
  • TI(德州仪器) ADC12DL040
  • TI(德州仪器) ADC12DL040
  • TI(德州仪器) ADC12DL040
  • TI(德州仪器) ADC12DL040
  • TI(德州仪器) ADC12DL040
  • TI(德州仪器) ADC12DL040
立即查看
您当前的位置: 首页 > 数据转换器 > 模数转换器 (ADC) > 高速 ADC (≥10MSPS) > ADC12DL040
ADC12DL040

ADC12DL040

正在供货

双通道、12 位、40MSPS 模数转换器 (ADC)

产品详情
  • 说明
  • 特性
  • 参数
  • 封装 | 引脚 | 尺寸

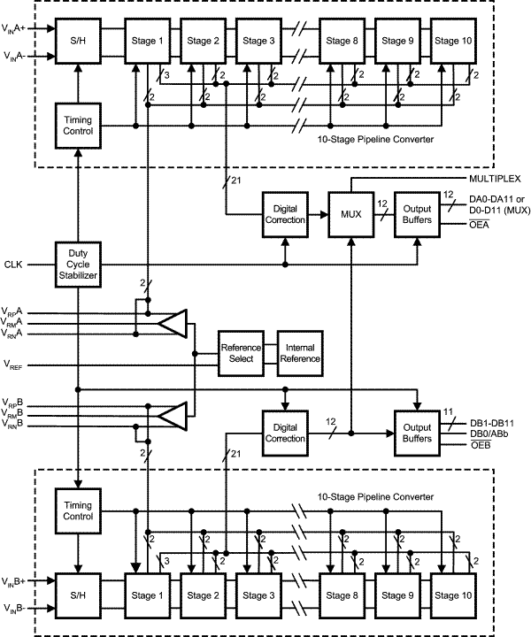
The ADC12DL040 is a dual, low power monolithic CMOS analog-to-digital converter capable of converting analog input signals into 12-bit digital words at 40 Megasamples per second (MSPS). This converter uses a differential, pipeline architecture with digital error correction and an on-chip sample-and-hold circuit to minimize power consumption while providing excellent dynamic performance and a 250 MHz Full Power Bandwidth. Operating on a single +3.0V power supply, the ADC12DL040 achieves 11.1 effective bits at nyquist and consumes just 210 mW at 40 MSPS, including the reference current. The Power Down feature reduces power consumption to 36 mW.

The differential inputs provide a full scale differential input swing equal to 2 times VREF with the possibility of a single-ended input. Full use of the differential input is recommended for optimum performance. The digital outputs from the two ADC's are available on a single multiplexed 12-bit bus or on separate buses. Duty cycle stabilization and output data format are selectable using a quad state function pin. The output data can be set for offset binary or two's complement.

To ease interfacing to lower voltage systems, the digital output driver power pins of the ADC12DL040 can be connected to a separate supply voltage in the range of 2.4V to the analog supply voltage.

This device is available in the 64-lead TQFP package and will operate over the industrial temperature range of −40°C to +85°C. An evaluation board is available to ease the evaluation process.

  • Single +3.0V Supply Operation
  • Internal Sample-and-Hold
  • Internal Reference
  • Outputs 2.4V to 3.6V Compatible
  • Power Down Mode
  • Duty Cycle Stabilizer
  • Multiplexed Output Mode

Key Specifications

  • Resolution 12 Bits
  • DNL ±0.3 LSB (typ)
  • SNR (fIN = 10 MHz) 69 dB (typ)
  • SFDR (fIN = 10 MHz) 85 dB (typ)
  • Data Latency 7 Clock Cycles
  • Power Consumption
    • Operating 210 mW (typ)
    • Power Down Mode 36 mW (typ)

All trademarks are the property of their respective owners. TRI-STATE is a trademark of Texas Instruments.

Sample rate (max) (Msps)40
Resolution (Bits)12
Number of input channels2
Interface typeParallel CMOS, TTL
Analog input BW (MHz)250
FeaturesLow Power
RatingCatalog
Peak-to-peak input voltage range (V)2
Power consumption (typ) (mW)210
ArchitecturePipeline
SNR (dB)69
ENOB (bit)11.1
SFDR (dB)86
Operating temperature range (°C)-40 to 85
Input bufferNo
TQFP (PAG)64144 mm² 12 x 12
产品购买
  • 商品型号
  • 封装
  • 工作温度
  • 包装
  • 价格
  • 现货库存
  • 操作
10s
温馨提示:
订单商品问题请移至我的售后服务提交售后申请,其他需投诉问题可移至我的投诉提交,我们将在第一时间给您答复
返回顶部