h1_key

TI(德州仪器) ADC78H90
德州仪器 (TI) 全系列产品在线购买
  • TI(德州仪器) ADC78H90
  • TI(德州仪器) ADC78H90
  • TI(德州仪器) ADC78H90
  • TI(德州仪器) ADC78H90
  • TI(德州仪器) ADC78H90
  • TI(德州仪器) ADC78H90
立即查看
您当前的位置: 首页 > 数据转换器 > 模数转换器 (ADC) > 精密 ADC > ADC78H90
ADC78H90

ADC78H90

正在供货

8 通道、500 KSPS、12 位 A/D 转换器

产品详情
  • 说明
  • 特性
  • 参数
  • 封装 | 引脚 | 尺寸

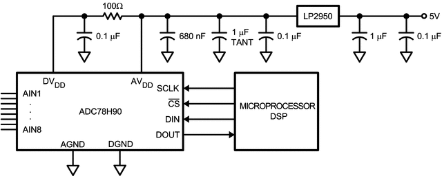
The ADC78H90 is a low-power, eight-channel CMOS 12-bit analog-to-digital converter with a conversion throughput of 500 kSPS. The converter is based on a successive-approximation register architecture with an internal track-and-hold circuit. It can be configured to accept up to eight input signals at inputs AIN1 through AIN8.

The output serial data is straight binary, and is compatible with several standards, such as SPI™, QSPI™, MICROWIRE™, and many common DSP serial interfaces.

The ADC78H90 may be operated with independent analog and digital supplies. The analog supply (AVDD) can range from +2.7V to +5.25V, and the digital supply (DVDD) can range from +2.7V to AVDD. Normal power consumption using a +3V or +5V supply is 1.5 mW and 8.3 mW, respectively. The power-down feature reduces the power consumption to just 0.3 µW using a +3V supply, or 0.5 µW using a +5V supply.

The ADC78H90 is packaged in a 16-lead TSSOP package. Operation over the industrial temperature range of −40°C to +85°C is ensured.

  • Eight input channels
  • Variable power management
  • Independent analog and digital supplies
  • SPI™/QSPI™/MICROWIRE™/DSP compatible
  • Packaged in 16-lead TSSOP

Key Specifications

  • Conversion Rate: 500kSPS
  • DNL: ± 1LSB (max)
  • INL: ± 1LSB (max)
  • Power Consumption
    • 3V Supply: 1.5 mW (typ)
    • 5V Supply: 8.3 mW (typ)

All trademarks are the property of their respective owners.

Resolution (Bits)12
Sample rate (max) (ksps)500
Number of input channels8
Interface typeMicrowire (Serial I/O), SPI
ArchitectureSAR
Input typeSingle-ended
Multichannel configurationMultiplexed
RatingCatalog
Reference modeSupply
Input voltage range (max) (V)5.25
Input voltage range (min) (V)0
Operating temperature range (°C)-40 to 85
Power consumption (typ) (mW)1.5
Analog supply (min) (V)2.7
Analog supply voltage (max) (V)5.25
SNR (dB)73
Digital supply (min) (V)2.7
Digital supply (max) (V)5.25
TSSOP (PW)1632 mm² 5 x 6.4
产品购买
  • 商品型号
  • 封装
  • 工作温度
  • 包装
  • 价格
  • 现货库存
  • 操作
10s
温馨提示:
订单商品问题请移至我的售后服务提交售后申请,其他需投诉问题可移至我的投诉提交,我们将在第一时间给您答复
返回顶部