h1_key

TI(德州仪器) ADC12D040
德州仪器 (TI) 全系列产品在线购买
  • TI(德州仪器) ADC12D040
  • TI(德州仪器) ADC12D040
  • TI(德州仪器) ADC12D040
  • TI(德州仪器) ADC12D040
  • TI(德州仪器) ADC12D040
  • TI(德州仪器) ADC12D040
立即查看
您当前的位置: 首页 > 数据转换器 > 模数转换器 (ADC) > 高速 ADC (≥10MSPS) > ADC12D040
ADC12D040

ADC12D040

正在供货

双通道、12 位、40MSPS 模数转换器 (ADC)

产品详情
  • 说明
  • 特性
  • 参数
  • 封装 | 引脚 | 尺寸

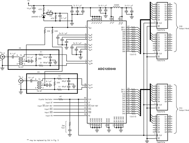
The ADC12D040 is a dual, low power monolithic CMOS analog-to-digital converter capable of converting analog input signals into 12-bit digital words at 40 Megasamples per second (Msps), minimum. This converter uses a differential, pipeline architecture with digital error correction and an on-chip sample-and-hold circuit to minimize die size and power consumption while providing excellent dynamic performance. Operating on a single 5V power supply, the ADC12D040 achieves 10.9 effective bits at 10 MHz input and consumes just 600 mW at 40 Msps, including the reference current. The Power Down feature reduces power consumption to 75 mW.

The differential inputs provide a full scale differential input swing equal to 2VREF with the possibility of a single-ended input. Full use of the differential input is recommended for optimum performance. The digital outputs for the two ADCs are available on separate 12-bit buses with an output data format choice of offset binary or 2’s complement.

For ease of interface, the digital output driver power pins of the ADC12D040 can be connected to a separate supply voltage in the range of 2.4V to the digital supply voltage, making the outputs compatible with low voltage systems. The ADC12D040’s speed, resolution and single supply operation make it well suited for a variety of applications.

This device is available in the 64-lead TQFP package and will operate over the industrial temperature range of −40°C to +85°C. An evaluation board is available to facilitate the product evaluation process

  • Binary or 2’s Complement Output Format
  • Single Supply Operation
  • Internal Sample-and-Hold
  • Outputs 2.4V to 5V Compatible
  • Power Down Mode
  • Pin-Compatible with ADC12DL066
  • Internal/External Reference

Key Specifications

  • SNR (fIN = 10 MHz): 68 dB (typ)
  • ENOB (fIN = 10 MHz): 10.9 bits (typ)
  • SFDR (fIN = 10 MHz): 80 dB (typ)
  • Data Latency: 6 Clock Cycles
  • Supply Voltage: +5V ±5%
  • Power Consumption, Operating
    • (Operating): 600 mW (typ)
    • (Power Down Mode): 75 mW (typ)

All trademarks are the property of their respective owners.

Sample rate (max) (Msps)40
Resolution (Bits)12
Number of input channels2
Interface typeParallel CMOS, TTL
Analog input BW (MHz)100
FeaturesLow Power
RatingCatalog
Peak-to-peak input voltage range (V)4
Power consumption (typ) (mW)600
ArchitecturePipeline
SNR (dB)84
ENOB (bit)11.1
SFDR (dB)80
Operating temperature range (°C)-40 to 85
Input bufferNo
TQFP (PAG)64144 mm² 12 x 12
产品购买
  • 商品型号
  • 封装
  • 工作温度
  • 包装
  • 价格
  • 现货库存
  • 操作
10s
温馨提示:
订单商品问题请移至我的售后服务提交售后申请,其他需投诉问题可移至我的投诉提交,我们将在第一时间给您答复
返回顶部