h1_key

TI(德州仪器) THS1206-EP
德州仪器 (TI) 全系列产品在线购买
  • TI(德州仪器) THS1206-EP
  • TI(德州仪器) THS1206-EP
  • TI(德州仪器) THS1206-EP
  • TI(德州仪器) THS1206-EP
  • TI(德州仪器) THS1206-EP
  • TI(德州仪器) THS1206-EP
立即查看
您当前的位置: 首页 > 数据转换器 > 模数转换器 (ADC) > 精密 ADC > THS1206-EP
THS1206-EP

THS1206-EP

正在供货

增强型产品 12 位、6MSPS ADC,四通道(可配置)、DSP/uP IF、集成16x Fifo

产品详情
  • 说明
  • 特性
  • 参数
  • 封装 | 引脚 | 尺寸

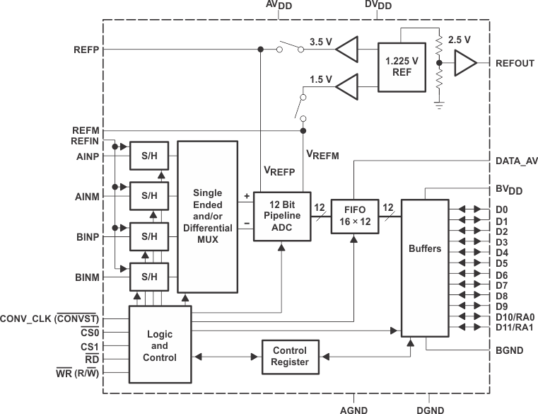
The THS1206 is a CMOS, low-power, 12-bit, 6 MSPS analog-to-digital converter (ADC). The speed, resolution, bandwidth, and single-supply operation are suited for applications in radar, imaging, high-speed acquisition, and communications. A multistage pipelined architecture with output error correction logic provides for no missing codes over the full operating temperature range. Internal control registers are used to program the ADC into the desired mode. The THS1206 consists of four analog inputs, which are sampled simultaneously. These inputs can be selected individually and configured to single-ended or differential inputs. An integrated 16 word deep FIFO allows the storage of data in order to take the load off of the processor connected to the ADC. Internal reference voltages for the ADC (1.5 V and 3.5 V) are provided.

An external reference can also be chosen to suit the dc accuracy and temperature drift requirements of the application. Two different conversion modes can be selected. In single conversion mode, a single and simultaneous conversion of up to four inputs can be initiated by using the single conversion start signal (CONVST). The conversion clock in single conversion mode is generated internally using a clock oscillator circuit. In continuous conversion mode, an external clock signal is applied to the CONV_CLK input of the THS1206. The internal clock oscillator is switched off in continuous conversion mode.

  • Controlled Baseline
    • One Assembly/Test Site, One Fabrication Site
  • Extended Temperature Performance of –55°C to 125°C
  • Enhanced Diminishing Manufacturing Sources (DMS) Support
  • Enhanced Product Change Notification
  • Qualification Pedigree
  • High-Speed 6 MSPS ADC
  • 4 Single-Ended or 2 Differential Inputs
  • Simultaneous Sampling of 4 Single-Ended Signals or 2 Differential Signals or Combination of Both
  • Differential Nonlinearity Error: ±1 LSB
  • Integral Nonlinearity Error: ±1.8 LSB
  • Signal-to-Noise and Distortion Ratio: 68 dB at fI = 2 MHz
  • Auto-Scan Mode for 2, 3, or 4 Inputs
  • 3-V or 5-V Digital Interface Compatible
  • Low Power: 216 mW Max
  • 5-V Analog Single Supply Operation
  • Internal Voltage References . . . 50 PPM/°C and ±5% Accuracy
  • Glueless DSP Interface
  • Parallel µC/DSP Interface
  • Integrated FIFO
  • Available in TSSOP Package
  • applications
    • Radar Applications
    • Communications
    • Control Applications
    • High-Speed DSP Front-End
    • Selected Military Applications

Component qualification in accordance with JEDEC and industry standards to ensure reliable operation over an extended temperature range. This includes, but is not limited to, Highly Accelerated Stress Test (HAST) or biased 85/85, temperature cycle, autoclave or unbiased HAST, electromigration, bond intermetallic life, and mold compound life. Such qualification testing should not be viewed as justifying use of this component beyond specified performance and environmental limits.

Resolution (Bits)12
Sample rate (max) (ksps)6000
Number of input channels4
Interface typeParallel
ArchitecturePipeline
Input typeDifferential, Single-ended
Multichannel configurationSimultaneous Sampling
RatingHiRel Enhanced Product
Reference modeExternal, Internal
Input voltage range (max) (V)4
Input voltage range (min) (V)1.4
Operating temperature range (°C)-55 to 125
Power consumption (typ) (mW)186
Analog supply (min) (V)4.75
Analog supply voltage (max) (V)5.25
SNR (dB)69
Digital supply (min) (V)3
Digital supply (max) (V)5.25
TSSOP (DA)3289.1 mm² 11 x 8.1
产品购买
  • 商品型号
  • 封装
  • 工作温度
  • 包装
  • 价格
  • 现货库存
  • 操作
10s
温馨提示:
订单商品问题请移至我的售后服务提交售后申请,其他需投诉问题可移至我的投诉提交,我们将在第一时间给您答复
返回顶部