h1_key

TI(德州仪器) TLV5619-EP
德州仪器 (TI) 全系列产品在线购买
  • TI(德州仪器) TLV5619-EP
  • TI(德州仪器) TLV5619-EP
  • TI(德州仪器) TLV5619-EP
  • TI(德州仪器) TLV5619-EP
  • TI(德州仪器) TLV5619-EP
  • TI(德州仪器) TLV5619-EP
立即查看
您当前的位置: 首页 > 数据转换器 > 数模转换器 (DAC) > 精密 DAC (≤10MSPS) > TLV5619-EP
TLV5619-EP

TLV5619-EP

正在供货

增强型产品 12 位,单通道 Dac,并行,电压输出,低功耗

产品详情
  • 说明
  • 特性
  • 参数
  • 封装 | 引脚 | 尺寸

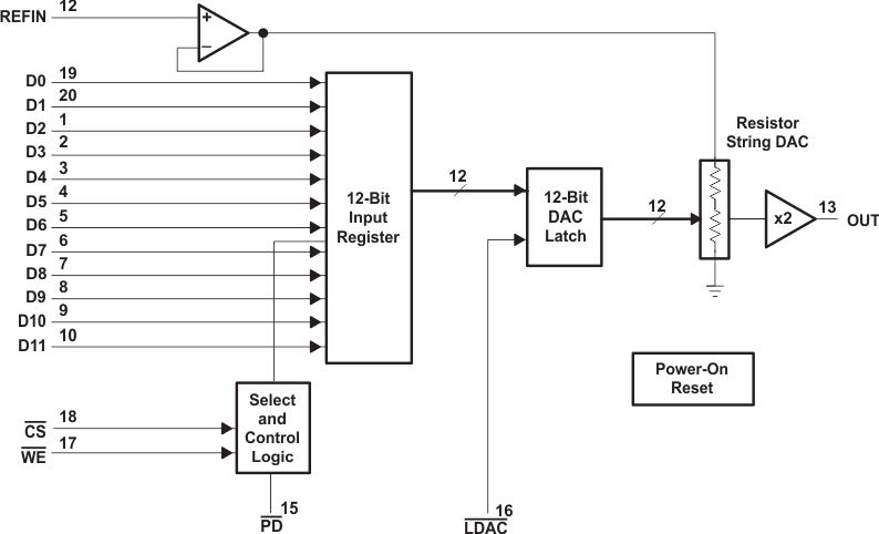
The TLV5619 is a 12-bit voltage output DAC with a microprocessor and TMS320 compatible parallel interface. The 12 data bits are double buffered so that the output can be updated asynchronously using the LDAC pin. During normal operation, the device dissipates 8 mW at a 5-V supply and 4.3 mW at a 3-V supply. The power consumption can be lowered to 50 nW by setting the DAC to power-down mode.

The output voltage is buffered by a ×2 gain rail-to-rail amplifier, which features a Class A output stage to improve stability and reduce settling time.

  • Controlled Baseline
    • One Assembly/Test Site, One Fabrication Site
  • Extended Temperature Performance of –40°C to 125°C
  • Enhanced Diminishing Manufacturing Sources (DMS) Support
  • Enhanced Product Change Notification
  • Qualification Pedigree
  • Single Supply 2.7-V to 5.5-V Operation
  • ±0.4 LSB Differential Nonlinearity (DNL), ±1.5 LSB Integral Nonlinearity (INL)
  • 12-Bit Parallel Interface
  • Compatible With TMS320 DSP
  • Internal Power On Reset
  • Settling Time 1 µs Typ
  • Low Power Consumption:
    • 8 mW for 5-V Supply
    • 4.3 mW for 3-V Supply
  • Reference Input Buffers
  • Voltage Output
  • Monotonic Over Temperature
  • Asynchronous Update
  • applications
    • Battery Powered Test Instruments
    • Digital Offset and Gain Adjustment
    • Battery Operated/Remote Industrial Controls
    • Machine and Motion Control Devices
    • Cordless and Wireless Telephones
    • Speech Synthesis
    • Communication Modulators
    • Arbitrary Waveform Generation

Component qualification in accordance with JEDEC and industry standards to ensure reliable operation over an extended temperature range. This includes, but is not limited to, Highly Accelerated Stress Test (HAST) or biased 85/85, temperature cycle, autoclave or unbiased HAST, electromigration, bond intermetallic life, and mold compound life. Such qualification testing should not be viewed as justifying use of this component beyond specified performance and environmental limits.

Resolution (Bits)12
Number of DAC channels1
Interface typeParallel
Output typeBuffered Voltage
Settling time (µs)1
Reference typeExt
ArchitectureString
RatingHiRel Enhanced Product
Output range (max) (mA/V)5.1
Output range (min) (mA/V)0
Sample/update rate (Msps)1
Power consumption (typ) (mW)4.3
Operating temperature range (°C)-40 to 125
SOIC (DW)20131.84 mm² 12.8 x 10.3
产品购买
  • 商品型号
  • 封装
  • 工作温度
  • 包装
  • 价格
  • 现货库存
  • 操作
10s
温馨提示:
订单商品问题请移至我的售后服务提交售后申请,其他需投诉问题可移至我的投诉提交,我们将在第一时间给您答复
返回顶部