h1_key

TI(德州仪器) ADS8364
德州仪器 (TI) 全系列产品在线购买
  • TI(德州仪器) ADS8364
  • TI(德州仪器) ADS8364
  • TI(德州仪器) ADS8364
  • TI(德州仪器) ADS8364
  • TI(德州仪器) ADS8364
  • TI(德州仪器) ADS8364
立即查看
您当前的位置: 首页 > 数据转换器 > 模数转换器 (ADC) > 精密 ADC > ADS8364
ADS8364

ADS8364

正在供货

用于电机和电源控制的 6 通道、16 位、250kSPS、同步采样 SAR ADC

产品详情
  • 说明
  • 特性
  • 参数
  • 封装 | 引脚 | 尺寸

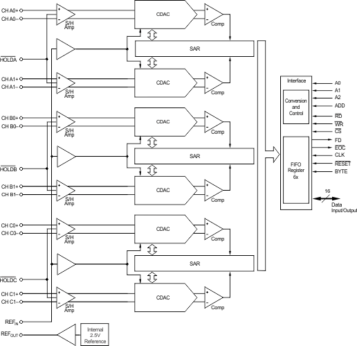
The ADS8364 includes six, 16-bit, 250KHz ADCs (Analog to Digital Converters) with 6 fully differential input channels grouped into two pairs for high-speed simultaneous signal acquisition. Inputs to the sample-and-hold amplifiers are fully differential and are maintained differential to the input of the ADC. This provides excellent common-mode rejection of 80dB at 50KHz that is important in high-noise environments.

The ADS8364 offers a flexible high-speed parallel interface with a direct address mode, a cycle, and a FIFO mode. The output data for each channel is available as a 16-bit word.

  • 6 INPUT CHANNELS
  • FULLY DIFFERENTIAL INPUTS
  • 6 INDEPENDENT 16-BIT ADC
  • 4 µs TOTAL THROUGHPUT PER CHANNEL
  • TESTED NO MISSING CODES TO 14 BITS
  • BUFFERED REFERENCE INPUTS
  • LOW POWER: 450mW
  • TQFP-64 PACKAGE
  • APPLICATIONS
    • MOTOR CONTROL
    • MULTI-AXIS POSITIONING SYSTEMS
    • 3-PHASE POWER CONTROL

All trademarks are the property of their respective owners.

Resolution (Bits)16
Sample rate (max) (ksps)250
Number of input channels6
Interface typeByte-Wide, Parallel
ArchitectureSAR
Input typePseudo-Differential
Multichannel configurationSimultaneous Sampling
RatingCatalog
Reference modeExternal, Internal
Input voltage range (max) (V)2.6
Input voltage range (min) (V)0
Operating temperature range (°C)-40 to 85
Power consumption (typ) (mW)413.1
Analog supply (min) (V)4.75
Analog supply voltage (max) (V)5.25
SNR (dB)83.2
Digital supply (min) (V)2.7
Digital supply (max) (V)5.5
TQFP (PAG)64144 mm² 12 x 12
产品购买
  • 商品型号
  • 封装
  • 工作温度
  • 包装
  • 价格
  • 现货库存
  • 操作
10s
温馨提示:
订单商品问题请移至我的售后服务提交售后申请,其他需投诉问题可移至我的投诉提交,我们将在第一时间给您答复
返回顶部