h1_key

TI(德州仪器) THS1207
德州仪器 (TI) 全系列产品在线购买
  • TI(德州仪器) THS1207
  • TI(德州仪器) THS1207
  • TI(德州仪器) THS1207
  • TI(德州仪器) THS1207
  • TI(德州仪器) THS1207
  • TI(德州仪器) THS1207
立即查看
您当前的位置: 首页 > 数据转换器 > 模数转换器 (ADC) > 精密 ADC > THS1207
THS1207

THS1207

正在供货

12 位、6MSPS 同步采样四通道 ADC,包含并行 DSP/uP I/F 和信道自动扫描

产品详情
  • 说明
  • 特性
  • 参数
  • 封装 | 引脚 | 尺寸

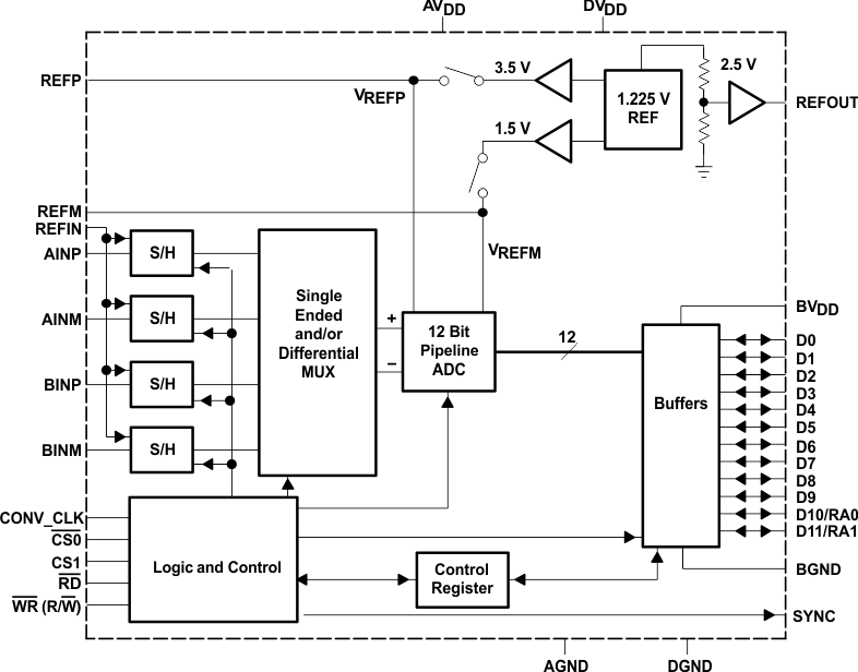
The THS1207 is a CMOS, low-power, 12-bit, 6 MSPS analog-to-digital converter (ADC). The speed, resolution, bandwidth, and single-supply operation are suited for applications in radar, imaging, high-speed acquisition, and communications. A multistage pipelined architecture with output error correction logic provides for no missing codes over the full operating temperature range. Internal control registers are used to program the ADC into the desired mode. The THS1207 consists of four analog inputs, which are sampled simultaneously. These inputs can be selected individually and configured to single-ended or differential-inputs. Internal reference voltages for the ADC (1.5 V and 3.5 V) are provided. An external reference can also be chosen to suit the dc accuracy and temperature drift requirements of the application.

The THS1207C is characterized for operation from 0°C to 70°C, the THS1207I is characterized for operation from –40°C to 85°C.

  • Simultaneous Sampling of 4 Single-Ended Signals or 2 Differential Signals or Combination of Both
  • Signal-to-Noise and Distortion Ratio:
    68 dB at fI = 2 MHz
  • Differential Nonlinearity Error: ±1 LSB
  • Integral Nonlinearity Error: ±1.5 LSB
  • Auto-Scan Mode for 2, 3, or 4 Inputs
  • 3-V or 5-V Digital Interface Compatible
  • Low Power: 216 mW Max at 5 V
  • Power Down: 1 mW Max
  • 5-V Analog Single Supply Operation
  • Internal Voltage References ...50 PPM/°C and ±5% Accuracy
  • Glueless DSP Interface
  • Parallel µC/DSP Interface
  • APPLICATIONS
    • Radar Applications
    • Communications
    • Control Applications
    • High-Speed DSP Front-End
    • Automotive Applications

Resolution (Bits)12
Sample rate (max) (ksps)6000
Number of input channels4
Interface typeParallel
ArchitecturePipeline
Input typeDifferential, Single-ended
Multichannel configurationSimultaneous Sampling
RatingCatalog
Reference modeExternal, Internal
Input voltage range (max) (V)4
Input voltage range (min) (V)1.4
Operating temperature range (°C)-40 to 85
Power consumption (typ) (mW)186
Analog supply (min) (V)4.75
Analog supply voltage (max) (V)5.25
SNR (dB)69
Digital supply (min) (V)3
Digital supply (max) (V)5.25
TSSOP (DA)3289.1 mm² 11 x 8.1
产品购买
  • 商品型号
  • 封装
  • 工作温度
  • 包装
  • 价格
  • 现货库存
  • 操作
10s
温馨提示:
订单商品问题请移至我的售后服务提交售后申请,其他需投诉问题可移至我的投诉提交,我们将在第一时间给您答复
返回顶部