h1_key

TI(德州仪器) TLV5632
德州仪器 (TI) 全系列产品在线购买
  • TI(德州仪器) TLV5632
  • TI(德州仪器) TLV5632
  • TI(德州仪器) TLV5632
  • TI(德州仪器) TLV5632
  • TI(德州仪器) TLV5632
  • TI(德州仪器) TLV5632
立即查看
您当前的位置: 首页 > 数据转换器 > 数模转换器 (DAC) > 精密 DAC (≤10MSPS) > TLV5632
TLV5632

TLV5632

正在供货

具有串行输入、可编程稳定时间/功耗、低功耗、关断、内部基准的 8 位、8 通道、1/3us DAC

产品详情
  • 说明
  • 特性
  • 参数
  • 封装 | 引脚 | 尺寸

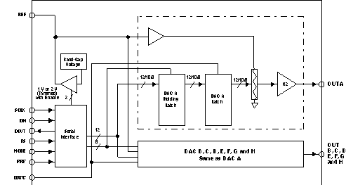
The TLV5630, TLV5631, and TLV5632 are pin-compatible,eight-channel, 12-/10-/8-bit voltage output DACs each with a flexible serial interface. The serial interface allows glueless interface to TMS320 and SPI, QSPI, and Microwire serial ports. It is programmed with a 16-bit serial string containing 4 control and 12 data bits.

Additional features are a power-down mode, an LDAC input for simultaneous update of all eight DAC outputs, and a data output which can be used to cascade multiple devices, and an internal programmable band-gap reference.

The resistor string output voltage is buffered by a rail-to-rail output amplifier with a programmable settling time to allow the designer to optimize speed vs power dissipation. The buffered, high-impedance reference input can be connected to the supply voltage.

Implemented with a CMOS process, the DACs are designed for single-supply operation from 2.7 V to 5.5 V, and can operate on two separate analog and digital power supplies. The devices are available in 20-pin SOIC and TSSOP packages.

  • Eight Voltage Output DACs in One Package
    • TLV5630 . . .12-Bit
    • TLV5631 . . .10-Bit
    • TLV5632 . . .8-Bit
    • 1 µs in Fast Mode
    • 3 µs in Slow Mode
  • Programmable Settling Time vs Power
    Consumption
    • 1 µs in Fast Mode
    • 3 µs in Slow Mode
    • 18 mW in Slow Mode at 3 V
    • 48 mW in Fast Mode at 3 V
  • Compatible With TMS320 and SPI Serial Ports
  • Monotonic Over Temperature
  • Low Power Consumption:
    • 18 mW in Slow Mode at 3 V
    • 48 mW in Fast Mode at 3 V
  • Power-Down Mode
  • Internal Reference
  • Data Output for Daisy-Chaining
  • APPLICATIONS
    • Digital Servo Control Loops
    • Digital Offset and Gain Adjustment
    • Industrial Process Control
    • Machine and Motion Control Devices
    • Mass Storage Devices
Resolution (Bits)8
Number of DAC channels8
Interface typeSPI
Output typeBuffered Voltage
Settling time (µs)1
FeaturesSDO
Reference typeExt, Int
ArchitectureString
RatingCatalog
Output range (max) (mA/V)5.1
Output range (min) (mA/V)0
Sample/update rate (Msps)0.283
Power consumption (typ) (mW)18
Operating temperature range (°C)-40 to 85
SOIC (DW)20131.84 mm² 12.8 x 10.3
TSSOP (PW)2041.6 mm² 6.5 x 6.4
产品购买
  • 商品型号
  • 封装
  • 工作温度
  • 包装
  • 价格
  • 现货库存
  • 操作
10s
温馨提示:
订单商品问题请移至我的售后服务提交售后申请,其他需投诉问题可移至我的投诉提交,我们将在第一时间给您答复
返回顶部