h1_key

TI(德州仪器) ADC10040
德州仪器 (TI) 全系列产品在线购买
  • TI(德州仪器) ADC10040
  • TI(德州仪器) ADC10040
  • TI(德州仪器) ADC10040
  • TI(德州仪器) ADC10040
  • TI(德州仪器) ADC10040
  • TI(德州仪器) ADC10040
立即查看
您当前的位置: 首页 > 数据转换器 > 模数转换器 (ADC) > 高速 ADC (≥10MSPS) > ADC10040
ADC10040

ADC10040

正在供货

10 位、40MSPS 模数转换器 (ADC)

产品详情
  • 说明
  • 特性
  • 参数
  • 封装 | 引脚 | 尺寸

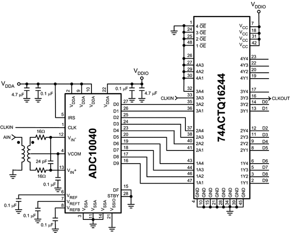
The ADC10040 is a monolithic CMOS analog-to-digital converter capable of converting analog input signals into 10-bit digital words at 40 Megasamples per second (MSPS). This converter uses a differential, pipeline architecture with digital error correction and an on-chip sample-and-hold circuit to provide a complete conversion solution, and to minimize power consumption, while providing excellent dynamic performance. A unique sample-and-hold stage yields a full-power bandwidth of 400 MHz. Operating on a single 3.0V power supply, this device consumes just 55.5 mW at 40 MSPS, including the reference current. The Standby feature reduces power consumption to just 13.5 mW.

The differential inputs provide a full scale selectable input swing of 2.0 VP-P, 1.5 VP-P, 1.0 VP-P, with the possibility of a single-ended input. Full use of the differential input is recommended for optimum performance. An internal +1.2V precision bandgap reference is used to set the ADC full-scale range, and also allows the user to supply a buffered referenced voltage for those applications requiring increased accuracy. The output data format is user choice of offset binary or two’s complement.

The ADC10040Q runs on an Automotive Grade Flow and is AEC-Q100 Grade 3 Qualified.

This device is available in the 28-lead TSSOP package and will operate over the industrial temperature range of −40°C to +85°C.

  • Single +3.0V Operation
  • Selectable 2.0 VP-P, 1.5 VP-P, or 1.0 VP-P full-scale input swing
  • 400 MHz −3 dB Input Bandwidth
  • Low Power Consumption
  • Standby Mode
  • On-Chip Reference and Sample-and-Hold Amplifier
  • Offset Binary or Two’s Complement Data Format
  • Separate Adjustable Output Driver Supply to Accommodate 2.5V and 3.3V Logic Families
  • AEC-Q100 Grade 3 Qualified
  • 28-Pin TSSOP Package

Key Specifications

  • Resolution: 10 Bits
  • Conversion Rate: 40 MSPS
  • Full Power Bandwidth: 400 MHz
  • DNL: ±0.3 LSB typ)
  • SNR (fIN = 11 MHz): 59.6 dB (typ)
  • SFDR (fIN = 11 MHz): -80 dB (typ)
  • Power Consumption, 40 MHz: 55.5 mW

All trademarks are the property of their respective owners.

Sample rate (max) (Msps)40
Resolution (Bits)10
Number of input channels1
Interface typeParallel CMOS, TTL
Analog input BW (MHz)400
FeaturesLow Power
RatingCatalog
Peak-to-peak input voltage range (V)2
Power consumption (typ) (mW)55.5
ArchitecturePipeline
SNR (dB)59.6
ENOB (bit)9.6
SFDR (dB)80
Operating temperature range (°C)-40 to 85
Input bufferNo
TSSOP (PW)2862.08 mm² 9.7 x 6.4
产品购买
  • 商品型号
  • 封装
  • 工作温度
  • 包装
  • 价格
  • 现货库存
  • 操作
10s
温馨提示:
订单商品问题请移至我的售后服务提交售后申请,其他需投诉问题可移至我的投诉提交,我们将在第一时间给您答复
返回顶部