h1_key

TI(德州仪器) THS1206
德州仪器 (TI) 全系列产品在线购买
  • TI(德州仪器) THS1206
  • TI(德州仪器) THS1206
  • TI(德州仪器) THS1206
  • TI(德州仪器) THS1206
  • TI(德州仪器) THS1206
  • TI(德州仪器) THS1206
立即查看
您当前的位置: 首页 > 数据转换器 > 模数转换器 (ADC) > 精密 ADC > THS1206
THS1206

THS1206

正在供货

12 位、6MSPS ADC,四通道(可配置)、DSP/uP 接口、集成16x FIFO、信道自动扫描功能和低功耗模式

产品详情
  • 说明
  • 特性
  • 参数
  • 封装 | 引脚 | 尺寸

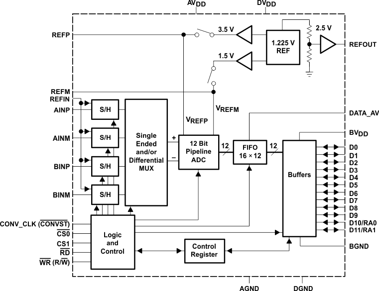
The THS1206 is a CMOS, low-power, 12-bit, 6 MSPS analog-to-digital converter (ADC). The speed, resolution, bandwidth, and single-supply operation are suited for applications in radar, imaging, high-speed acquisition, and communications. A multistage pipelined architecture with output error correction logic provides for no missing codes over the full operating temperature range. Internal control registers are used to program the ADC into the desired mode. The THS1206 consists of four analog inputs, which are sampled simultaneously. These inputs can be selected individually and configured to single-ended or differential inputs. An integrated 16 word deep FIFO allows the storage of data in order to take the load off of the processor connected to the ADC. Internal reference voltages for the ADC (1.5 V and 3.5 V) are provided.

An external reference can also be chosen to suit the dc accuracy and temperature drift requirements of the application. Two different conversion modes can be selected. In single conversion mode, a single and simultaneous conversion of up to four inputs can be initiated by using the single conversion start signal (CONVST). The conversion clock in single conversion mode is generated internally using a clock oscillator circuit. In continuous conversion mode, an external clock signal is applied to the CONV_CLK input of the THS1206. The internal clock oscillator is switched off in continuous conversion mode.

The THS1206C is characterized for operation from 0°C to 70°C, the THS1206I is characterized for operation from –40°C to 85°C, the THS1206Q is characterized to meet the rigorous requirements of the automotive environment from –40°C to 125°C, and the THS1206M is characterized for operation over the full military temperature range of –55°C to 125°C.

  • High-Speed 6 MSPS ADC
  • 4 Analog Inputs
  • Simultaneous Sampling of 4 Single-Ended Signals or 2 Differential Signals or Combination of Both
  • Differential Nonlinearity Error: ±1 LSB
  • Integral Nonlinearity Error: ±1.5 LSB
  • Signal-to-Noise and Distortion Ratio: 68 dB at fI = 2 MHz
  • Auto-Scan Mode for 2, 3, or 4 Inputs
  • 3-V or 5-V Digital Interface Compatible
  • Low Power: 216 mW Max
  • 5-V Analog Single Supply Operation
  • Internal Voltage References ...50 PPM/°C and ±5% Accuracy
  • Glueless DSP Interface
  • Parallel µC/DSP Interface
  • Integrated FIFO
  • Available in TSSOP Package
  • Pin Compatible Upgrade to THS10064
  • APPLICATIONS
    • Radar Applications
    • Communications
    • Control Applications
    • High-Speed DSP Front-End
    • Automotive Applications

Resolution (Bits)12
Sample rate (max) (ksps)6000
Number of input channels4
Interface typeParallel
ArchitecturePipeline
Input typeDifferential, Single-ended
Multichannel configurationSimultaneous Sampling
RatingAutomotive, Catalog
Reference modeExternal, Internal
Input voltage range (max) (V)4
Input voltage range (min) (V)1.4
Operating temperature range (°C)-40 to 125
Power consumption (typ) (mW)186
Analog supply (min) (V)4.75
Analog supply voltage (max) (V)5.25
SNR (dB)69
Digital supply (min) (V)3
Digital supply (max) (V)5.25
TSSOP (DA)3289.1 mm² 11 x 8.1
产品购买
  • 商品型号
  • 封装
  • 工作温度
  • 包装
  • 价格
  • 现货库存
  • 操作
10s
温馨提示:
订单商品问题请移至我的售后服务提交售后申请,其他需投诉问题可移至我的投诉提交,我们将在第一时间给您答复
返回顶部