h1_key

TI(德州仪器) TLV5626
德州仪器 (TI) 全系列产品在线购买
  • TI(德州仪器) TLV5626
  • TI(德州仪器) TLV5626
  • TI(德州仪器) TLV5626
  • TI(德州仪器) TLV5626
  • TI(德州仪器) TLV5626
  • TI(德州仪器) TLV5626
立即查看
您当前的位置: 首页 > 数据转换器 > 数模转换器 (DAC) > 精密 DAC (≤10MSPS) > TLV5626
TLV5626

TLV5626

正在供货

具有串行输入、可编程内部基准和稳定时间的 8 位、1us 双通道 DAC

产品详情
  • 说明
  • 特性
  • 参数
  • 封装 | 引脚 | 尺寸

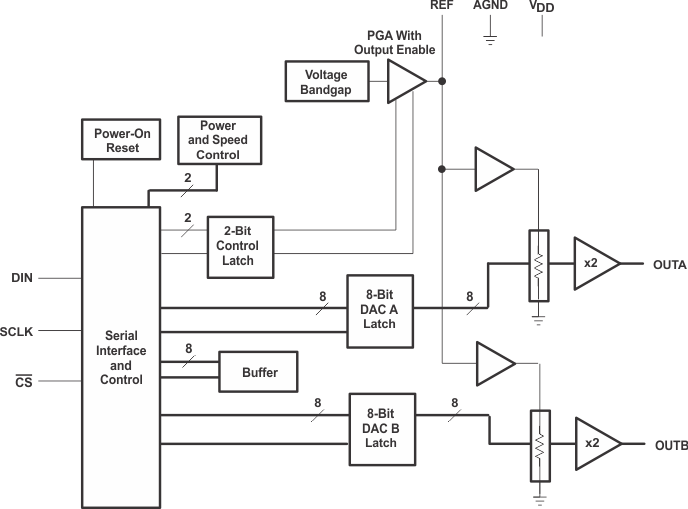
The TLV5626 is a dual 8-bit voltage output DAC with a flexible 3-wire serial interface.The serial interface allows glueless interface to TMS320 and SPITM QSPITM, and MicrowireTM serial ports. It is programmed with a 16-bit serial string containing 2 control and 8 data bits.

The resistor string output voltage is buffered by a x2 gain rail-to-rail output buffer. The buffer features a ClassAB output stage to improve stability and reduce settling time. The programmable settling time of the DAC allows the designer to optimize speed versus power dissipation. With its on-chip programmable precision voltage reference, the TLV5626 simplifies overall system design.

Because of its ability to source up to 1 mA, the reference can also be used as a system reference. Implemented with a CMOS process, the device is designed for single supply operation from 2.7 V to 5.5 V. It is available in an 8-pin SOIC package to reduce board space in standard commercial and industrial temperature ranges.

  • Dual 8-Bit Voltage Output DAC
  • Programmable Internal Reference
  • Programmable Settling Time:
  • 0.8 us in Fast Mode ,
  • 2.8 us in Slow Mode
  • Compatible With TMS320 and SPITM Serial Ports
  • Differential Nonlinearity <0.1 LSB Typ
  • Monotonic Over Temperature
  • Applications
    • Digital Servo Control Loops
    • Digital Offset and Gain Adjustment
    • Industrial Process Control
    • Machine and Motion Control Devices
    • Mass Storage Devices

SPI and QSPI are trademarks of Motorola, Inc.
Microwire is a trademark of National Semiconductor Corporation.
,

Resolution (Bits)8
Number of DAC channels2
Interface typeSPI
Output typeBuffered Voltage
Settling time (µs)0.8
Reference typeExt, Int
ArchitectureString
RatingCatalog
Output range (max) (mA/V)5.1
Output range (min) (mA/V)0
Sample/update rate (Msps)0.278
Power consumption (typ) (mW)4.2
Operating temperature range (°C)-40 to 85
SOIC (D)829.4 mm² 4.9 x 6
产品购买
  • 商品型号
  • 封装
  • 工作温度
  • 包装
  • 价格
  • 现货库存
  • 操作
10s
温馨提示:
订单商品问题请移至我的售后服务提交售后申请,其他需投诉问题可移至我的投诉提交,我们将在第一时间给您答复
返回顶部