h1_key

TI(德州仪器) TLV5627
德州仪器 (TI) 全系列产品在线购买
  • TI(德州仪器) TLV5627
  • TI(德州仪器) TLV5627
  • TI(德州仪器) TLV5627
  • TI(德州仪器) TLV5627
  • TI(德州仪器) TLV5627
  • TI(德州仪器) TLV5627
立即查看
您当前的位置: 首页 > 数据转换器 > 数模转换器 (DAC) > 精密 DAC (≤10MSPS) > TLV5627
TLV5627

TLV5627

正在供货

具有串行输入、低功耗、硬件或软件断电功能的 8 位、3us 四通道 DAC

产品详情
  • 说明
  • 特性
  • 参数
  • 封装 | 引脚 | 尺寸

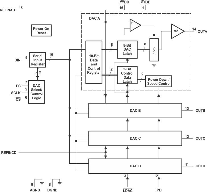
The TLV5627 is a four channel, 8-bit voltage output digital-to-analog converter (DAC) with a flexible 4-wire serial interface. The 4-wire serial interface allows glueless interface to TMS320, SPI, QSPI, and Microwire serial ports. The TLV5627 is programmed with a 16-bit serial word comprised of a DAC address, individual DAC control bits, and an 8-bit DAC value.

The device has provision for two supplies: one digital supply for the serial interface (via pins DVDD and DGND), and one for the DACs, reference buffers and output buffers (via pins AVDD and AGND). Each supply is independent of the other, and can be any value between 2.7 V and 5.5 V. The dual supplies allow a typical application where the DAC will be controlled via a microprocessor operating on a 3-V supply (also used on pins DVDD and DGND), with the DACs operating on a 5-V supply. The digital and analog supplies can be tied together.

The resistor string output voltage is buffered by an x2 gain rail-to-rail output buffer. The buffer features a Class AB output stage to improve stability and reduce settling time. A rail-to-rail output stage and a power-down mode make it ideal for single voltage, battery based applications. The settling time of the DAC is programmable to allow the designer to optimize speed versus power dissipation. The settling time is chosen by the control bits within the 16-bit serial input string. A high-impedance buffer is integrated on the REFINAB and REFINCD terminals to reduce the need for a low source impedance drive to the terminal. REFINAB and REFINCD allow DACs A and B to have a different reference voltage than DACs C and D.

The device, implemented with a CMOS process, is available in 16-terminal SOIC and TSSOP packages. The TLV5627C is characterized for operation from 0°C to 70°C. The TLV5627I is characterized for operation from –40°C to 85°C.

  • Four 8-Bit D/A Converters
  • Programmable Settling Time of 2.5 us or 8.5 us Typ
  • TMS320, (Q)SPI™, and Microwire™ Compatible Serial Interface
  • Low Power Consumption:
         7 mW, Slow Mode – 5-V Supply
         3 mW, Slow Mode – 3-V Supply
  • Reference Input Buffers
  • Monotonic Over Temperature
  • Dual 2.7-V to 5.5-V Supply (Separate Digital and Analog Supplies)
  • Hardware Power Down
  • Software Power Down
  • Simultaneous Update
  • applications
    • Battery Powered Test Instruments
    • Digital Offset and Gain Adjustment
    • Industrial Process Controls
    • Machine and Motion Control Devices
    • Arbitrary Waveform Generation

SPI and QSPI are trademarks of Motorola, Inc.
Microwire is a trademark of National Semiconductor Corporation.

Resolution (Bits)8
Number of DAC channels4
Interface typeSPI
Output typeBuffered Voltage
Settling time (µs)2.5
Reference typeExt
ArchitectureString
RatingCatalog
Output range (max) (mA/V)5.1
Output range (min) (mA/V)0
Sample/update rate (Msps)0.107
Power consumption (typ) (mW)3
Operating temperature range (°C)-40 to 85
SOIC (D)1659.4 mm² 9.9 x 6
TSSOP (PW)1632 mm² 5 x 6.4
产品购买
  • 商品型号
  • 封装
  • 工作温度
  • 包装
  • 价格
  • 现货库存
  • 操作
10s
温馨提示:
订单商品问题请移至我的售后服务提交售后申请,其他需投诉问题可移至我的投诉提交,我们将在第一时间给您答复
返回顶部