h1_key

TI(德州仪器) ADC1175-50
德州仪器 (TI) 全系列产品在线购买
  • TI(德州仪器) ADC1175-50
  • TI(德州仪器) ADC1175-50
  • TI(德州仪器) ADC1175-50
  • TI(德州仪器) ADC1175-50
  • TI(德州仪器) ADC1175-50
  • TI(德州仪器) ADC1175-50
立即查看
您当前的位置: 首页 > 数据转换器 > 模数转换器 (ADC) > 高速 ADC (≥10MSPS) > ADC1175-50
ADC1175-50

ADC1175-50

正在供货

8 位 50MSPS 模数转换器 (ADC)

产品详情
  • 说明
  • 特性
  • 参数
  • 封装 | 引脚 | 尺寸

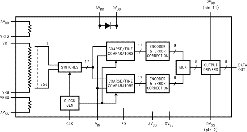
The ADC1175-50 is a low power, 50 MSPS analog-to-digital converter that digitizes signals to 8 bits while consuming just 125 mW (typ). The ADC1175-50 uses a unique architecture that achieves 6.8 Effective Bits at 25 MHz input and 50 MHz clock frequency. Output formatting is straight binary coding.

The excellent DC and AC characteristics of this device, together with its low power consumption and +5V single supply operation, make it ideally suited for many video and imaging applications, including use in portable equipment. Furthermore, the ADC1175-50 is resistant to latch-up and the outputs are short-circuit proof. The top and bottom of the ADC1175-50's reference ladder is available for connections, enabling a wide range of input possibilities. The low input capacitance (7 pF, typical) makes this device easier to drive than conventional flash converters and the power down mode reduces power consumption to less than 5 mW.

The ADC1175-50 is offered in 24-pin TSSOP and 24-pin WQFN packages and is designed to operate over the extended commercial temperature range of −20°C to +75°C.

  • Internal Track-and-Hold Function
  • Single +5V Operation
  • Internal Reference Bias Resistors
  • Industry Standard Pinout
  • Power-Down Mode (<5 mW)

Key Specifications

  • Resolution 8 Bits
  • Maximum Sampling Frequency 50 MSPS (min)
  • THD 54 dB (typ)
  • DNL 0.7 LSB (typ)
  • ENOB @ fIN = 25 MHz 6.8 Bits (typ)
  • Ensured No Missing Codes
  • Power Consumption (Excluding
    Reference Current) 125 mW (typ)
    190 mW (max)

All trademarks are the property of their respective owners.

Sample rate (max) (Msps)50
Resolution (Bits)8
Number of input channels1
Interface typeParallel CMOS
Analog input BW (MHz)120
FeaturesLow Power
RatingCatalog
Peak-to-peak input voltage range (V)2
Power consumption (typ) (mW)125
ArchitectureTwo-Step
SNR (dB)48
ENOB (bit)7.3
SFDR (dB)57
Operating temperature range (°C)-20 to 75
Input bufferNo
TSSOP (PW)2449.92 mm² 7.8 x 6.4
产品购买
  • 商品型号
  • 封装
  • 工作温度
  • 包装
  • 价格
  • 现货库存
  • 操作
10s
温馨提示:
订单商品问题请移至我的售后服务提交售后申请,其他需投诉问题可移至我的投诉提交,我们将在第一时间给您答复
返回顶部