h1_key

TI(德州仪器) TLV5613
德州仪器 (TI) 全系列产品在线购买
  • TI(德州仪器) TLV5613
  • TI(德州仪器) TLV5613
  • TI(德州仪器) TLV5613
  • TI(德州仪器) TLV5613
  • TI(德州仪器) TLV5613
  • TI(德州仪器) TLV5613
立即查看
您当前的位置: 首页 > 数据转换器 > 数模转换器 (DAC) > 精密 DAC (≤10MSPS) > TLV5613
TLV5613

TLV5613

正在供货

12 位,DAC,并行电压输出,可编程设定时间/功耗,自动断电

产品详情
  • 说明
  • 特性
  • 参数
  • 封装 | 引脚 | 尺寸

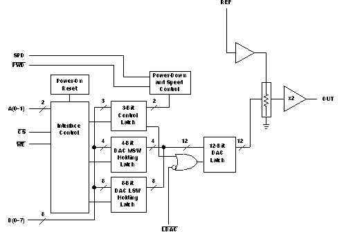
The TLV5613 is a 12-bit voltage output digital-to-analog converter (DAC) with a 8-bit microcontroller compatible parallel interface. The 8 LSBs, the 4 MSBs and 3 control bits are written using three different addresses. Developed for a wide range of supply voltages, the TLV5613 can be operated from 2.7 V to 5.5 V.

The resistor string output voltage is buffered by a x2 gain rail-to-rail output buffer. The buffer features a Class A (slow mode: AB) output stage to improve stability and reduce settling time. The programmable settling time of the DAC allows the designer to optimize speed versus power dissipation. The settling time can be chosen by the control bits within the 16-bit data word.

Implemented with a CMOS process, the device is designed for single supply operation from 2.7 V to 5.5 V. It is available in 20 pin SOIC in standard commercial and industrial temperature ranges.

  • 12-Bit Voltage Output DAC
  • Single Supply 2.7-V to 5.5-V Operation
  • Separate Analog and Digital Supplies
  • ±0.4 LSB Differential Nonlinearity (DNL),
    ±1.5 LSB Integral Nonlinearity (INL)
  • Programmable Settling Time vs Power Consumption:
    1 us/4.2 mW in Fast Mode,
    3.5 us/1.2 mW in Slow Mode
  • 8-Bit mController Compatible Interface (8+4 Bit)
  • Power-Down Mode (50 nW)
  • Rail-to-Rail Output Buffer
  • Synchronous or Asynchronous Update
  • Monotonic Over Temperature
  • Applications
    • Digital Servo Control Loops
    • Battery Powered Test Instruments
    • Digital Offset and Gain Adjustment
    • Industrial Process Control
    • Speech Synthesis
    • Machine and Motion Control Devices
    • Mass Storage Devices
Resolution (Bits)12
Number of DAC channels1
Interface typeParallel
Output typeBuffered Voltage
Settling time (µs)1
Reference typeExt
ArchitectureString
RatingCatalog
Output range (max) (mA/V)5.1
Output range (min) (mA/V)0
Sample/update rate (Msps)0.286
Power consumption (typ) (mW)1.2
Operating temperature range (°C)-40 to 85
SOIC (DW)20131.84 mm² 12.8 x 10.3
TSSOP (PW)2041.6 mm² 6.5 x 6.4
产品购买
  • 商品型号
  • 封装
  • 工作温度
  • 包装
  • 价格
  • 现货库存
  • 操作
10s
温馨提示:
订单商品问题请移至我的售后服务提交售后申请,其他需投诉问题可移至我的投诉提交,我们将在第一时间给您答复
返回顶部