h1_key

TI(德州仪器) ADC1173
德州仪器 (TI) 全系列产品在线购买
  • TI(德州仪器) ADC1173
  • TI(德州仪器) ADC1173
  • TI(德州仪器) ADC1173
  • TI(德州仪器) ADC1173
  • TI(德州仪器) ADC1173
  • TI(德州仪器) ADC1173
立即查看
您当前的位置: 首页 > 数据转换器 > 模数转换器 (ADC) > 高速 ADC (≥10MSPS) > ADC1173
ADC1173

ADC1173

正在供货

8 位 15MSPS 模数转换器 (ADC)

产品详情
  • 说明
  • 特性
  • 参数
  • 封装 | 引脚 | 尺寸

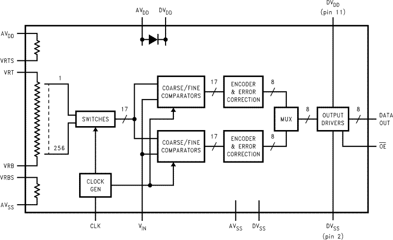
The ADC1173 is a low power, 15 MSPS analog-to-digital converter that digitizes signals to 8 bits while consuming just 33 mW of power (typ). The ADC1173 uses a unique architecture that achieves 7.6 Effective Bits. Output formatting is straight binary coding.

The excellent DC and AC characteristics of this device, together with its low power consumption and +3V single supply operation, make it ideally suited for many video, imaging and communications applications, including use in portable equipment. Furthermore, the ADC1173 is resistant to latch-up and the outputs are short-circuit proof. The top and bottom of the ADC1173's reference ladder is available for connections, enabling a wide range of input possibilities.

The ADC1173 is offered in a 24-pin TSSOP package and is designed to operate over the -40°C to +75°C commercial temperature range.

  • Internal Sample-and-Hold Function
  • Single +3V Operation
  • Internal Reference Bias Resistors
  • Industry Standard Pinout

Key Specifications

  • Resolution 8 Bits
  • Maximum Sampling Frequency 15 MSPS (min)
  • THD −54 dB (typ)
  • DNL ±0.85 LSB (max)
  • ENOB at 3.58 MHz Input 7.6 Bits (typ)
  • Differential Phase 0.5 Degree (max)
  • Differential Gain 1.5% (typ)
  • Power Consumption 33 mW (typ) (excluding reference current)

All trademarks are the property of their respective owners.

Sample rate (max) (Msps)15
Resolution (Bits)8
Number of input channels1
Interface typeParallel CMOS
Analog input BW (MHz)120
FeaturesLow Power
RatingCatalog
Peak-to-peak input voltage range (V)2
Power consumption (typ) (mW)33
ArchitectureTwo-Step
SNR (dB)49
ENOB (bit)7.7
SFDR (dB)65
Operating temperature range (°C)-40 to 75
Input bufferNo
TSSOP (PW)2449.92 mm² 7.8 x 6.4
产品购买
  • 商品型号
  • 封装
  • 工作温度
  • 包装
  • 价格
  • 现货库存
  • 操作
10s
温馨提示:
订单商品问题请移至我的售后服务提交售后申请,其他需投诉问题可移至我的投诉提交,我们将在第一时间给您答复
返回顶部