h1_key

TI(德州仪器) TLC7225
德州仪器 (TI) 全系列产品在线购买
  • TI(德州仪器) TLC7225
  • TI(德州仪器) TLC7225
  • TI(德州仪器) TLC7225
  • TI(德州仪器) TLC7225
  • TI(德州仪器) TLC7225
  • TI(德州仪器) TLC7225
立即查看
您当前的位置: 首页 > 数据转换器 > 数模转换器 (DAC) > 精密 DAC (≤10MSPS) > TLC7225
TLC7225

TLC7225

正在供货

具有并行输入、同步更新、二进制输入编码的 8 位 5us 四通道 DAC

产品详情
  • 说明
  • 特性
  • 参数
  • 封装 | 引脚 | 尺寸

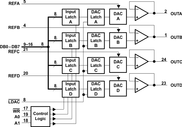
The TLC7225 consists of four 8-bit voltage-output digital-to-analog converters (DACs), with output buffer amplifiers and interface logic with double register-buffering.

Separate on-chip latches are provided for each of the DACs. Data is transferred into one of these data latches through a common 8-bit TTL/CMOS-compatible (5 V) input port. Control inputs A0 and A1 determine which DAC is loaded when WR goes low. Only the data held in the DAC registers determines the analog outputs of the converters. The double register buffering allows simultaneous update of all four outputs under control of LDAC. All logic inputs are TTL- and CMOS-level compatible and the control logic is speed compatible with most 8-bit microprocessors. Each DAC includes an output buffer amplifier capable of driving up to 5 mA of output current.

The TLC7225 performance is specified for input reference voltages from 2 V to VDD - 4 V with dual supplies. The voltage-mode configuration of the DACs allow the TLC7225 to be operated from a single power-supply rail at a reference of 10 V.

The TLC7225 is fabricated in a LinBiCMOSTM process that has been specifically developed to allow high-speed digital logic circuits and precision analog circuits to be integrated on the same chip. The TLC7225 has a common 8-bit data bus with individual DAC latches. This provides a versatile control architecture for simple interface to microprocessors. All latch-enable signals are level triggered.

Combining four DACs, four operational amplifiers, and interface logic into a small, 0.3-inch wide, 24-terminal SOIC allows significant reduction in board space requirements and offers increased reliability in systems using multiple converters. The pinout optimizes board layout with all of the analog inputs and outputs at one end of the package and all of the digital inputs at the other.

The TLC7225C is characterized for operation from 0°C to 70°C. The TLC7225I is characterized for operation from -25°C to 85°C.

  • Four 8-Bit D/A Converters With Individual References
  • Direct Bipolar Operation Without an External Level-Shift Amplifier
  • Microprocessor Compatible
  • TTL/CMOS Compatible
  • Single Supply Operation Possible
  • Simultaneous Update Facility
  • Binary Input Coding
  • Applications
    • Process Control
    • Automatic Test Equipment
    • Automatic Calibration of Large System Parameters e.g., Gain/Offset

LinBiCMOS is a trademark of Texas Instruments.

Resolution (Bits)8
Number of DAC channels4
Interface typeParallel
Output typeBuffered Voltage
Settling time (µs)5
Reference typeExt
ArchitectureR-2R
RatingCatalog
Output range (max) (mA/V)10
Output range (min) (mA/V)-5
Sample/update rate (Msps)0.143
Power consumption (typ) (mW)75
Operating temperature range (°C)-25 to 85
SOIC (DW)24159.65 mm² 15.5 x 10.3
产品购买
  • 商品型号
  • 封装
  • 工作温度
  • 包装
  • 价格
  • 现货库存
  • 操作
10s
温馨提示:
订单商品问题请移至我的售后服务提交售后申请,其他需投诉问题可移至我的投诉提交,我们将在第一时间给您答复
返回顶部