h1_key

TI(德州仪器) TLC0832
德州仪器 (TI) 全系列产品在线购买
  • TI(德州仪器) TLC0832
  • TI(德州仪器) TLC0832
  • TI(德州仪器) TLC0832
  • TI(德州仪器) TLC0832
  • TI(德州仪器) TLC0832
  • TI(德州仪器) TLC0832
立即查看
您当前的位置: 首页 > 数据转换器 > 模数转换器 (ADC) > 精密 ADC > TLC0832
TLC0832

TLC0832

正在供货

8 位,22kSPS ADC 串行输出,微处理器外设/独立运算,Mux 选项,具有 SE 或差分,2 通道

产品详情
  • 说明
  • 特性
  • 参数
  • 封装 | 引脚 | 尺寸

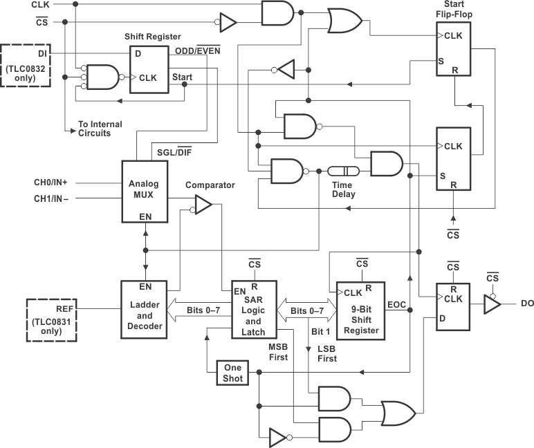
These devices are 8-bit successive-approximation analog-to-digital converters. The TLC0831 has single input channels; the TLC0832 has multiplexed twin input channels. The serial output is configured to interface with standard shift registers or microprocessors.

The TLC0832 multiplexer is software configured for single-ended or differential inputs. The differential analog voltage input allows for common-mode rejection or offset of the analog zero input voltage value. In addition, the voltage reference input can be adjusted to allow encoding any smaller analog voltage span to the full 8 bits of resolution.

The operation of the TLC0831 and TLC0832 devices is very similar to the more complex TLC0834 and TLC0838 devices. Ratiometric conversion can be attained by setting the REF input equal to the maximum analog input signal value, which gives the highest possible conversion resolution. Typically, REF is set equal to VCC (done internally on the TLC0832).

The TLC0831C and TLC0832C are characterized for operation from 0°C to 70°C. The TLC0831I and TLC0832I are characterized for operation from -40°C to 85°C.

  • 8-Bit Resolution
  • Easy Microprocessor Interface or Standalone Operation
  • Operates Ratiometrically or With 5-V Reference
  • Single Channel or Multiplexed Twin Channels With Single-Ended or Differential Input Options
  • Input Range 0 to 5 V With Single 5-V Supply
  • Inputs and Outputs Are Compatible With TTL and MOS
  • Conversion Time of 32 us at fclock = 250 kHz
  • Designed to Be Interchangeable With National Semiconductor ADC0831 and ADC0832
  • Total Unadjusted Error . . . ± 1 LSB

Resolution (Bits)8
Sample rate (max) (ksps)22
Number of input channels2
Interface typeSPI
ArchitectureSAR
Input typeDifferential, Single-ended
Multichannel configurationMultiplexed
RatingCatalog
Reference modeSupply
Input voltage range (max) (V)5.5
Input voltage range (min) (V)0
Operating temperature range (°C)-40 to 85
Power consumption (typ) (mW)12.5
Analog supply (min) (V)4.5
Analog supply voltage (max) (V)5.5
Digital supply (min) (V)4.5
Digital supply (max) (V)5.5
PDIP (P)892.5083 mm² 9.81 x 9.43
SOIC (D)829.4 mm² 4.9 x 6
产品购买
  • 商品型号
  • 封装
  • 工作温度
  • 包装
  • 价格
  • 现货库存
  • 操作
10s
温馨提示:
订单商品问题请移至我的售后服务提交售后申请,其他需投诉问题可移至我的投诉提交,我们将在第一时间给您答复
返回顶部