h1_key

TI(德州仪器) DAC8043
德州仪器 (TI) 全系列产品在线购买
  • TI(德州仪器) DAC8043
  • TI(德州仪器) DAC8043
  • TI(德州仪器) DAC8043
  • TI(德州仪器) DAC8043
  • TI(德州仪器) DAC8043
  • TI(德州仪器) DAC8043
立即查看
您当前的位置: 首页 > 数据转换器 > 数模转换器 (DAC) > 精密 DAC (≤10MSPS) > DAC8043
DAC8043

DAC8043

正在供货

CMOS 12 位串行输入乘法数模转换器

产品详情
  • 说明
  • 特性
  • 参数
  • 封装 | 引脚 | 尺寸

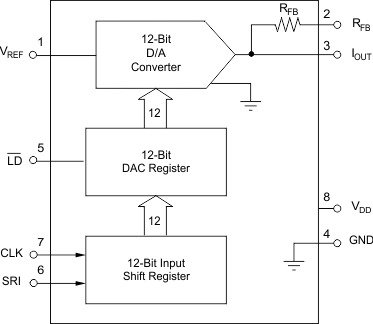
The DAC8043 is a 12-bit current output multiplying digital-to-analog converter (DAC) that is packaged in a space saving surface mount 8-pin SOIC and an 8-pin Mini-DIP. Its 3-wire serial interface saves additional circuit board space which results in low power dissipation. When used with microprocessors having a serial port, the DAC8043 minimizes the digital noise feedthrough from its input to output. The serial port can be used as a dedicated analog bus and kept inactive while the DAC8043 is in use. Serial interfacing reduces the complexity of opto or transformer isolation applications.

The DAC8043 contains a 12-bit serial-in, parallel-out shift register, a 12-bit DAC register, a 12-bit CMOS DAC, and control logic. Serial input (SRI) data is clocked into the input register on the rising edge of the clock (CLK) pulse. When the new data word had been clocked in, it is loaded into the DAC register by taking the LD input low. Data in the DAC register is converted to an output current by the D/A converter.

The DAC8043 operates from a single +5V power supply which makes the DAC8043 an ideal low power, small size, high performance solution for several applications.

  • 12-BIT ACCURACY IN 8-PIN MINI-DIP
    AND 8-PIN SOIC
  • FAST 3-WIRE SERIAL INTERFACE
  • LOW INL AND DNL: ±1/2 LSB max
  • GAIN ACCURACY TO ±1LSB max
  • LOW GAIN TEMPCO: 5ppm/°C max
  • OPERATES WITH +5V SUPPLY
  • TTL/CMOS COMPATIBLE
  • ESD PROTECTED
Resolution (Bits)12
Number of DAC channels1
Interface typeSPI
Output typeUnbuffered Current
Settling time (µs)1
Reference typeExt
ArchitectureMultiplying DAC
RatingCatalog
Output range (max) (mA/V)2
Output range (min) (mA/V)-2
Sample/update rate (Msps)0.284
Power consumption (typ) (mW)2.5
Operating temperature range (°C)-40 to 85
SOIC (D)829.4 mm² 4.9 x 6
产品购买
  • 商品型号
  • 封装
  • 工作温度
  • 包装
  • 价格
  • 现货库存
  • 操作
10s
温馨提示:
订单商品问题请移至我的售后服务提交售后申请,其他需投诉问题可移至我的投诉提交,我们将在第一时间给您答复
返回顶部