h1_key

TI(德州仪器) DAC0802
德州仪器 (TI) 全系列产品在线购买
  • TI(德州仪器) DAC0802
  • TI(德州仪器) DAC0802
  • TI(德州仪器) DAC0802
  • TI(德州仪器) DAC0802
  • TI(德州仪器) DAC0802
  • TI(德州仪器) DAC0802
立即查看
您当前的位置: 首页 > 数据转换器 > 数模转换器 (DAC) > 精密 DAC (≤10MSPS) > DAC0802
DAC0802

DAC0802

正在供货

8 位 D/A 转换器

产品详情
  • 说明
  • 特性
  • 参数
  • 封装 | 引脚 | 尺寸

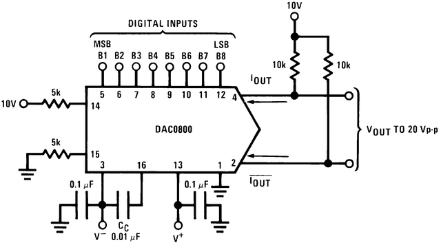
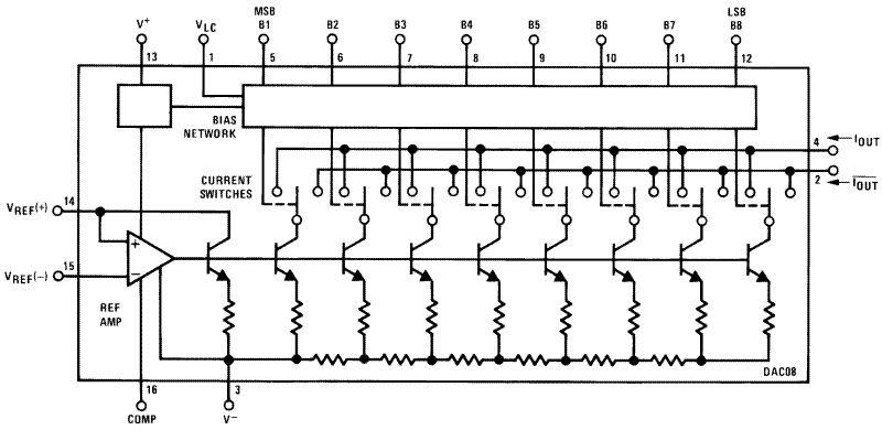
The DAC0800 series are monolithic 8-bit high-speed current-output digital-to-analog converters (DAC) featuring typical settling times of 100 ns. When used as a multiplying DAC, monotonic performance over a 40 to 1 reference current range is possible. The DAC0800 series also features high compliance complementary current outputs to allow differential output voltages of 20 Vp-p with simple resistor loads. The reference-to-full-scale current matching of better than ±1 LSB eliminates the need for full-scale trims in most applications, while the nonlinearities of better than ±0.1% over temperature minimizes system error accumulations.

The noise immune inputs will accept a variety of logic levels. The performance and characteristics of the device are essentially unchanged over the ±4.5V to ±18V power supply range and power consumption at only 33 mW with ±5V supplies is independent of logic input levels.

The DAC0800, DAC0802, DAC0800C and DAC0802C are a direct replacement for the DAC-08, DAC-08A, DAC-08C, and DAC-08H, respectively. For single supply operation, refer to AN-1525.

  • Fast Settling Output Current: 100 ns
  • Full Scale Error: ±1 LSB
  • Nonlinearity Over Temperature: ±0.1%
  • Full Scale Current Drift: ±10 ppm/°C
  • High Output Compliance: −10V to +18V
  • Complementary Current Outputs
  • Interface Directly with TTL, CMOS, PMOS and Others
  • 2 Quadrant Wide Range Multiplying Capability
  • Wide Power Supply Range: ±4.5V to ±18V
  • Low Power Consumption: 33 mW at ±5V
  • Low Cost

All trademarks are the property of their respective owners.

Resolution (Bits)8
Number of DAC channels1
Interface typeParallel
Output typeUnbuffered Current
Settling time (µs)0.1
FeaturesCurrent Output
Reference typeExt
ArchitectureMultiplying DAC
RatingCatalog
Output range (max) (mA/V)2
Output range (min) (mA/V)0
Sample/update rate (Msps)6.6
Power consumption (typ) (mW)33
Operating temperature range (°C)0 to 70
SOIC (D)1659.4 mm² 9.9 x 6
产品购买
  • 商品型号
  • 封装
  • 工作温度
  • 包装
  • 价格
  • 现货库存
  • 操作
10s
温馨提示:
订单商品问题请移至我的售后服务提交售后申请,其他需投诉问题可移至我的投诉提交,我们将在第一时间给您答复
返回顶部