h1_key

TI(德州仪器) DLPA100
德州仪器 (TI) 全系列产品在线购买
  • TI(德州仪器) DLPA100
  • TI(德州仪器) DLPA100
  • TI(德州仪器) DLPA100
  • TI(德州仪器) DLPA100
  • TI(德州仪器) DLPA100
  • TI(德州仪器) DLPA100
立即查看
您当前的位置: 首页 > DLP 产品 > 显示和投影产品 > ≥ 0.47 英寸阵列产品 > DLPA100
DLPA100

DLPA100

正在供货

适用于 DLPC4420、DLPC4430 和 DLPC7540 的 DLP® 驱动器

产品详情
  • 说明
  • 特性
  • 参数
  • 封装 | 引脚 | 尺寸

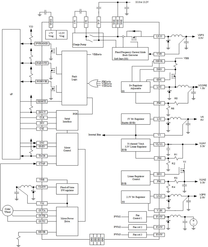
DLPA100 是一款专用电源管理和电机控制驱动器,适用于 DLP®4K UHD TRP 显示芯片组。DLPA100 与 DLP660TE 数字微镜器件和 DLPC4422 显示控制器共同构成芯片组。这款解决方案非常适合需要高分辨率、高亮度和系统简易性的显示系统。为了确保操作可靠性,DLP660TE DMD 和 DLPC4422 显示控制器必须始终与 DLPA100 电源管理和电机驱动器件搭配使用。

  • 3.3V 开关稳压器 - 逻辑电源
  • 具有使能功能的 5V 开关稳压器 - 模拟电路电源
  • 1.0V 至 3.3V 可调节开关稳压器 - 内核电源
  • 具有使能功能的可调节线性稳压器 - 锁相环 (PLL) 电源
  • 具有使能功能的可调节线性稳压器控制 - 模拟电源
  • 2.5V 开关稳压器数字电源
  • 电源序列控制
  • 电源监控电路
  • 适用于高侧驱动的集成电荷泵
  • 三个风扇驱动器
  • 热关断电路
  • 串行通信接口
  • 三相反电动势 (BEMF) 电动机驱动器/控制器
  • 电机电源开关稳压器
Component typeMicromirror Driver
Chipset familyDLPC4420, DLPC4430, DLPC7540
RatingCatalog
Operating temperature range (°C)0 to 75
DLP (DLP)48See data sheet
产品购买
  • 商品型号
  • 封装
  • 工作温度
  • 包装
  • 价格
  • 现货库存
  • 操作
10s
温馨提示:
订单商品问题请移至我的售后服务提交售后申请,其他需投诉问题可移至我的投诉提交,我们将在第一时间给您答复
返回顶部