h1_key

TI(德州仪器) DLPC410
德州仪器 (TI) 全系列产品在线购买
  • TI(德州仪器) DLPC410
  • TI(德州仪器) DLPC410
  • TI(德州仪器) DLPC410
  • TI(德州仪器) DLPC410
  • TI(德州仪器) DLPC410
  • TI(德州仪器) DLPC410
立即查看
您当前的位置: 首页 > DLP 产品 > 3D 打印和直接成像产品 > 近紫外线产品 (400 至 420 nm) > DLPC410
DLPC410

DLPC410

正在供货

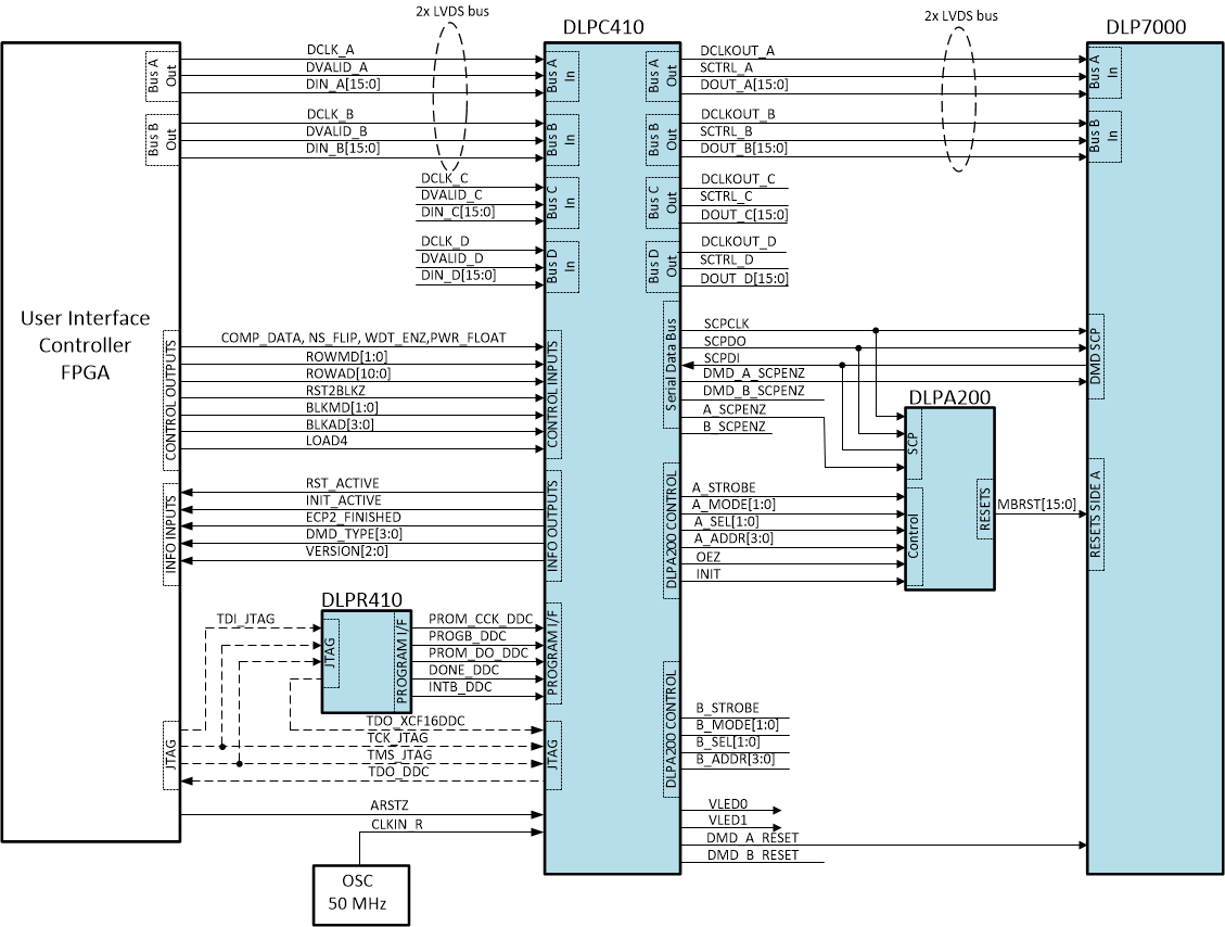
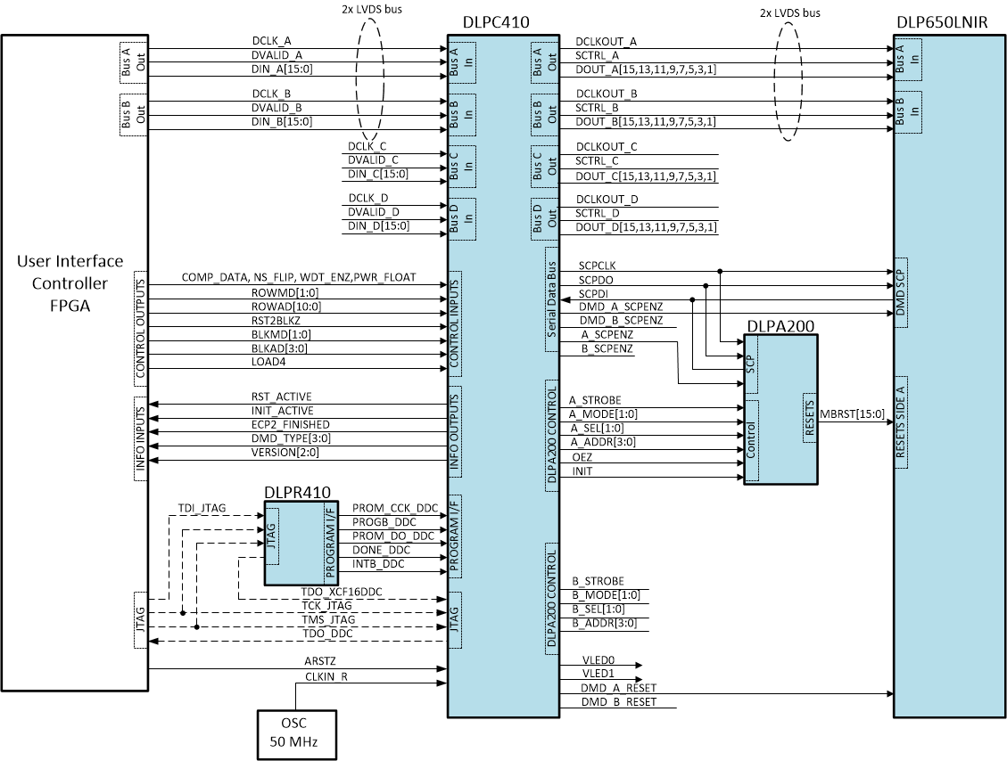
用于 DLP650LNIR、DLP7000/7000UV 和 DLP9500/DLP9500UV 数字微镜器件的数字控制器

产品详情
  • 说明
  • 特性
  • 参数
  • 封装 | 引脚 | 尺寸
Chipset familyDLP650LNIR, DLP7000, DLP7000UV, DLP9500, DLP9500UV, DLPA200, DLPC410, DLPLCRC410EVM, DLPR410
Component typeController
Pattern rate, binary (max) (Hz)32552
RatingCatalog
Operating temperature range (°C)0 to 85
Pattern rate, 8-bit (max) (Hz)4069
Thermal dissipation (°C/W)3.2
DLP (DLP)676See data sheet
产品购买
  • 商品型号
  • 封装
  • 工作温度
  • 包装
  • 价格
  • 现货库存
  • 操作
10s
温馨提示:
订单商品问题请移至我的售后服务提交售后申请,其他需投诉问题可移至我的投诉提交,我们将在第一时间给您答复
返回顶部