h1_key

TI(德州仪器) TCAL9539
德州仪器 (TI) 全系列产品在线购买
  • TI(德州仪器) TCAL9539
  • TI(德州仪器) TCAL9539
  • TI(德州仪器) TCAL9539
  • TI(德州仪器) TCAL9539
  • TI(德州仪器) TCAL9539
  • TI(德州仪器) TCAL9539
立即查看
您当前的位置: 首页 > 接口 > I2C IC > I2C 通用 I/O (GPIO) > TCAL9539
TCAL9539

TCAL9539

正在供货

具有中断、复位和灵活 I/O 配置的 16 位低压 I²C 总线和 SMBus I/O 扩展器

产品详情
  • 说明
  • 特性
  • 参数
  • 封装 | 引脚 | 尺寸

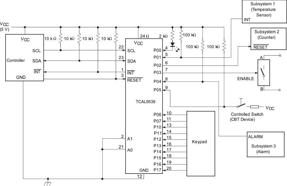
TCAL9539 器件可为两线双向 I2C 总线(或 SMBus)协议提供通用并行输入/输出 (I/O) 扩展并在 1.08V 至 3.6V VCC 下运行。

该器件支持 100kHz(标准模式)、400kHz(快速模式)和 1MHz(快速+ 模式)的 I2C 时钟频率。当开关、传感器、按钮、LED、风扇等设备需要额外使用 I/O 时,I/O 扩展器(如 TCAL9539)可提供简单解决方案。

TCAL9539 具有灵活的 I/O 端口,可提供旨在增强 I/O 速度、功耗和 EMI 性能的附加特性。此类附加特性包括:可编程输出驱动强度、可编程上拉和下拉电阻、可锁存输入、可屏蔽中断、中断状态寄存器和可编程开漏或推挽输出。

  • 工作电源电压范围为 1.08V 至 3.6V
  • 1.8mV 时具有 1µA(典型值)的低待机电流消耗
  • 1MHz 快速+ 模式 I2C 总线
  • 硬件地址引脚,允许在同一 I2C/SMBus 总线上支持两个器件
  • 低电平有效复位输入 (RESET)
  • 开漏低电平有效中断输出 (INT)
  • 输入或输出配置寄存器
  • 极性反转寄存器
  • 可配置 I/O 驱动强度寄存器
  • 上拉电阻和下拉电阻配置寄存器
  • 内部上电复位
  • SCL 或 SDA 输入端上有噪声滤波器
  • 具有最大高电流驱动能力的锁存输出,适用于直接驱动 LED
  • 闩锁性能超过 100mA,符合 JESD 78 II 类规范的要求
  • ESD 保护性能超过 JESD 22 规范要求
    • 2000V 人体放电模型 (A114-A)
    • 1000V 充电器件模型 (C101)
Number of I/Os16
Features1-MHz maximum frequency, Adjustable I/O level, Configuration registers, Interrupt pin, Reset pin
Supply voltage (min) (V)1.08
Supply voltage (max) (V)3.6
Addresses4
RatingCatalog
Frequency (max) (MHz)1
Operating temperature range (°C)-40 to 125
WQFN (RTW)2416 mm² 4 x 4
产品购买
  • 商品型号
  • 封装
  • 工作温度
  • 包装
  • 价格
  • 现货库存
  • 操作

很抱歉,暂时无法提供与“TCAL9539”系列相匹配的产品,您可以联系专属客服快速找货或在现货搜索框中重新搜索。

10s
温馨提示:
订单商品问题请移至我的售后服务提交售后申请,其他需投诉问题可移至我的投诉提交,我们将在第一时间给您答复
返回顶部