h1_key

TI(德州仪器) TPS25855-Q1
德州仪器 (TI) 全系列产品在线购买
  • TI(德州仪器) TPS25855-Q1
  • TI(德州仪器) TPS25855-Q1
  • TI(德州仪器) TPS25855-Q1
  • TI(德州仪器) TPS25855-Q1
  • TI(德州仪器) TPS25855-Q1
  • TI(德州仪器) TPS25855-Q1
立即查看
您当前的位置: 首页 > 接口 > USB IC > USB Type-C 和 USB 电力传输 IC > TPS25855-Q1
TPS25855-Q1

TPS25855-Q1

正在供货

具有甩负荷功能的 2.2MHz 单路 3A USB Type-C® 充电端口控制器

产品详情
  • 说明
  • 特性
  • 参数
  • 封装 | 引脚 | 尺寸

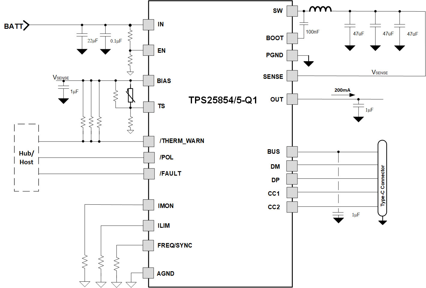
TPS2585x-Q1 是一款集成式 USB 充电端口解决方案,其中包括一个同步高效直流/直流转换器,而且它还集成了检测和控制功能,可充当 USB 电池充电 1.2 和 Type-C 端口。

TPS2585x-Q1 是一款高度集成的 USB Type-C 充电控制器,适用于单端口应用。

该器件集成了一个具有内部功率 MOSFET 的单片、同步、整流、降压开关模式转换器和一个具有充电端口自动检测功能的 USB 限流开关。TPS2585x-Q1 提供了一种紧凑型高效解决方案,可在宽输入电源电压范围内实现出色的负载和线路调节。该同步降压稳压器具有峰值电流模式控制,而且采用了内部补偿,可简化设计。对于 TPS25854-Q1,FREQ 引脚上有一个电阻器,可用于在 200kHz 和 800KHz 之间设置开关频率。对于 TPS25855-Q1,FREQ 引脚上有一个电阻器,可用于在 200kHz 和 3MHz 之间设置开关频率。在低于 400kHz 的频率下运行可实现更高的系统效率。在高于 2.1MHz 的频率下运行则可以避开 AM 无线电频带,并且能够使用较小的电感器。

TPS2585x-Q1 集成了标准 USB Type-C 端口控制器功能,包括用于 3A 和 1.5A 电流广播的配置通道 (CC) 逻辑。电池充电(1.2 版)集成提供了利用 USB 数据线信号来确定 USB 端口拉电流能力的传统非 Type-C USB 设备所需的电气特性。

TPS2585x-Q1 支持智能热调节。输出电流可根据外部 TS 阈值进行调节。此外,该器件还集成了 VCONN 电源,可满足 USB3.1 电源要求。由于系统集成度高且占用空间小,该器件特别适用于单端口应用。

TPS2585x-Q1 输出电压固定为 5.1V。该器件还集成了一个精密电流检测放大器,用于实现用户可编程电缆压降补偿和电流限制调整,最大电缆补偿电压限制为 400mV。电缆补偿可使降压稳压器输出电压随负载电流线性改变,以抵消由于汽车电缆布线中的导线电阻引起的压降,从而帮助便携式设备在重载下实现更理想的电流和电压充电。无论负载电流如何,在连接的便携式器件上测得的总线电压都保持大致恒定,这样,便携式器件的电池充电器就能够保持理想工作状态。

TPS2585x-Q1 提供针对 USB 充电和系统运行的多种安全特性,包括外部负热敏电阻监控、逐周期电流限制、断续短路保护、欠压锁定、总线过流和裸片过热保护。

该器件系列采用 25 引脚 3.5mm x 4.5mm QFN 封装。

  • 符合面向汽车应用的 AEC-Q100 标准:
    • 温度等级 1:TA 范围 –40°C 至 +125°C
    • HBM ESD 分类等级 H2
    • CDM ESD 分类等级 C5
  • 针对超低 EMI 要求进行了优化:
    • 符合 CISPR25 5 类标准
    • HotRod™ 封装可更大限度地减少开关节点振铃
    • 展频可降低峰值发射
  • 同步降压稳压器
    • 400 KHz 下的高效率:VIN = 12V、IBUS = 3A 时为 96%
    • 18mΩ/10mΩ 低 RDS(ON) 降压稳压器 MOSFET
    • 工作电压范围:5.5V 至 26V,可承受 36V 输入
    • 频率可调节:200kHz 至 3MHz (TPS25855-Q1)
    • 频率可调节:200kHz 至 800kHz (TPS25854-Q1)
    • 具有展频频谱抖动的 FPWM
    • 5.1V 固定输出电压
  • 内部电源路径:
    • 7mΩ/7mΩ 低 RDS(ON) 内部 USB 功率 MOSFET
    • USB 端口的高精度可编程电流限制:3.4A 下为 ±10%
    • OUT:用于辅助负载的 5.1V、200mA 电源
  • USB 数据线压降补偿:可编程,最高 400mV
  • 符合 USB-IF 标准
    • Type-C 1.3 版
      • 在 CC 上具有 3A 电流通告能力
      • VBUS 应用和放电
      • VCONN 拉电流:200mA
      • USB 电缆极性保护 (POL)
    • 自动 DCP 模式:
      • 符合 BC1.2 和 YD/T 1591 2009 要求的短路模式
      • 1.2V 模式
      • 2.7V 分压器 3 模式
  • 甩负荷和可编程 TA
  • 故障标志报告:USB 过流、热关断
  • 用于实现可编程热过载保护的热警告标志
  • 器件 TJ 范围:–40°C 至 +150°C
FunctionType-C, USB2, USB3
TypeCC controller, DC/DC converter
Power roleSource
Alternate modeNo
External power-path controlNo
Data roleDataless
Internal power path5 V 3 A
RatingAutomotive
Dead battery supportNo
Operating temperature range (°C)-45 to 125
VQFN-HR (RPQ)2515.75 mm² 4.5 x 3.5
产品购买
  • 商品型号
  • 封装
  • 工作温度
  • 包装
  • 价格
  • 现货库存
  • 操作
10s
温馨提示:
订单商品问题请移至我的售后服务提交售后申请,其他需投诉问题可移至我的投诉提交,我们将在第一时间给您答复
返回顶部