h1_key

TI(德州仪器) TPS25832A-Q1
德州仪器 (TI) 全系列产品在线购买
  • TI(德州仪器) TPS25832A-Q1
  • TI(德州仪器) TPS25832A-Q1
  • TI(德州仪器) TPS25832A-Q1
  • TI(德州仪器) TPS25832A-Q1
  • TI(德州仪器) TPS25832A-Q1
  • TI(德州仪器) TPS25832A-Q1
立即查看
您当前的位置: 首页 > 接口 > USB IC > USB Type-C 和 USB 电力传输 IC > TPS25832A-Q1
TPS25832A-Q1

TPS25832A-Q1

正在供货

具有电缆补偿和 MFi 功能的 USB Type-C® 和 SDP/CDP 充电端口转换器

产品详情
  • 说明
  • 特性
  • 参数
  • 封装 | 引脚 | 尺寸

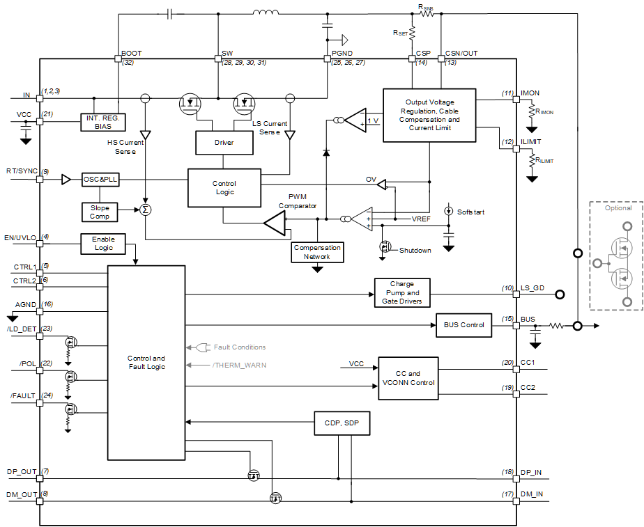
TPS2583xA-Q1 是一款包含一个同步直流/直流转换器的 USB Type-C 和 BC1.2 充电端口控制器。凭借电缆压降补偿,不管负载电流如何变化,VBUS 电压都保持恒定,确保能以更理想的电流和电压为连接的便携式设备充电。

TPS2583xA-Q1 包含可实现 DP 和 DM 直通的高带宽模拟开关。

TPS25830A-Q1 还在 VBUS、CC1、CC2、DM_IN 和 DP_IN 引脚上集成了对电池短路保护(支持高达 18V 的电压)。TPS25832A-Q1 不支持数据线(CC 和 Dx)对 VBAT 短路保护。

此同步降压稳压器具有电流模式控制并采用内部补偿,因此简化了设计。RT 引脚上有一个电阻器,可用于在 300kHz 和 2.2MHz 之间设置开关频率。在低于 400kHz 的频率下运行可实现更高的系统效率。在高于 2.1MHz 的频率下运行则可以避开 AM 无线电频带,并且能够使用较小的电感器。

TPS2583xA-Q1 集成了标准 USB Type-C 端口控制器功能,包括用于 3A 和 1.5A 电流广播的配置通道 (CC) 逻辑。电池充电(1.2 版)集成提供了利用 USB 数据线信号来确定 USB 端口拉电流能力的传统非 Type-C USB 设备所需的电气特性。

内含一个精密电流感应放大器,用于实现用户可编程电缆压降补偿和电流限制调整。电缆补偿可使降压稳压器输出电压随负载电流线性改变,以抵消由于汽车电缆布线中的导线电阻引起的压降,从而帮助便携式设备在重载下实现最佳电流和电压充电。不管负载电流如何变化,在连接的便携式设备上测得的 VBUS 电压都保持大致恒定,这使得便携式设备的电池充电器能够保持最佳工作状态。

USB 规范要求 USB 充电端口满足电流限制,但也留下了合理的自由空间,允许系统设计人员基于系统要求选择过流保护级别。TPS2583xA-Q1 使用了一种新颖的双阈值电流限制电路,允许系统设计人员对降压稳压器的平均电流限制保护进行编程,或者在 CSN/OUT 和 BUS 引脚之间使用一个外部 NMOS 来对电流限制进行调整。由于实施了 NFET,TPS2583xA-Q1 降压稳压器可在 USB 端口上存在过流故障期间为其他负载提供 5V 输出。此外,TPS2583xA-Q1 使用的电流限制方法可以满足最新的 MFi 要求。

TPS2583xA-Q1 集成保护功能包括逐周期电流限制、断续短路保护、欠压锁定、VBUS 过压和过流、CC 过压和过流、数据线 (Dx) 对 VBUS 和 VBAT 短路以及裸片过热保护。

TPS25830A-Q1 包括可实现 DP 和 DM 直通的高带宽模拟开关,支持数据线(Dx 和 CC)对 VBAT 短路保护。TPS25832A-Q1 不支持数据线(Dx 和 CC)对 VBAT 短路保护。

  • 符合面向汽车应用的 AEC-Q100 标准:
    • 温度等级 1:–40°C 至 +125°C,TA
    • HBM ESD 分类等级 H2
    • CDM ESD 分类等级 C5
  • 同步降压直流/直流稳压器
    • 输入电压范围:4.5V 至 36V
    • 输出电流:3.5A
    • 5.1V 输出电压,精度为 ±1%
    • 电流模式控制
    • 频率可调节:300 kHz 至 2.2 MHz
    • 与外部时钟频率同步
    • 具有扩频频谱抖动的 FPWM
    • 内置补偿功能,便于使用
  • 符合 USB-IF 标准
    • USB Type-C® 1.3 版
      • CC 逻辑、VCONN 拉电流和放电电流
      • USB 电缆极性保护 (POL)
    • 符合 USB BC1.2 规范的 CDP/SDP 模式
    • 符合 MFI 过流限制
  • 针对 USB 电源和通信进行了优化
    • 用户可编程的 USB 电流限制
    • 高达 1.5V 的电缆压降补偿
    • DP 和 DM 上的高带宽数据开关
    • 可用于进行 USB 固件更新的客户端模式
  • 集成保护
    • VBUS 对 VBAT 短路保护
    • DP_IN、DM_IN、CCx 对 VBAT 短路(仅 TPS25830A-Q1)
    • DP_IN、DM_IN、CCx 对 VBUS 短路
    • 符合 CCx IEC 61000-4-2 标准的 DP_IN、DM_IN
      • ±8kV 接触放电和 ±15kV 空气放电
  • 故障标志报告
  • 具有可湿性侧面的 32 引脚 QFN 封装
FunctionType-C, USB2, USB3
TypeCC controller, DC/DC converter
Power roleSource
Alternate modeNo
External power-path controlNo
Data roleDFP
Internal power path5 V 3 A
TI functional safety categoryFunctional Safety-Capable
RatingAutomotive
Operating temperature range (°C)-40 to 125
VQFN (RHB)3225 mm² 5 x 5
产品购买
  • 商品型号
  • 封装
  • 工作温度
  • 包装
  • 价格
  • 现货库存
  • 操作
10s
温馨提示:
订单商品问题请移至我的售后服务提交售后申请,其他需投诉问题可移至我的投诉提交,我们将在第一时间给您答复
返回顶部