h1_key

TI(德州仪器) TPS65982DMC
德州仪器 (TI) 全系列产品在线购买
  • TI(德州仪器) TPS65982DMC
  • TI(德州仪器) TPS65982DMC
  • TI(德州仪器) TPS65982DMC
  • TI(德州仪器) TPS65982DMC
  • TI(德州仪器) TPS65982DMC
  • TI(德州仪器) TPS65982DMC
立即查看
您当前的位置: 首页 > 接口 > USB IC > USB Type-C 和 USB 电力传输 IC > TPS65982DMC
TPS65982DMC

TPS65982DMC

正在供货

坞站管理控制器

产品详情
  • 说明
  • 特性
  • 参数
  • 封装 | 引脚 | 尺寸

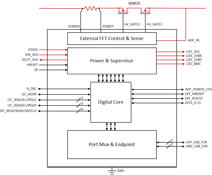
TPS65982DMC 是一种坞站管理控制器,用于实现 TI PD 控制器的坞站、集线器和监视器。TPS65982DMC 包括一个 USB 低速端点,能够接收系统 PD 控制器的固件更新。固件更新使用 SHA-256 和 RSA-3072 身份验证安全地执行。此外,端点还提供 USB 广告牌功能。TPS65982 DMC 集成了背对背 NFET 驱动器,用于通过外部适配器控制系统电源。DMC 监控通过适配器输入路径以及系统其他点的电流,并调整受管 PD 控制器的功率通告,以确保外部适配器不会过载。当包含在 USB4 系统中时,TPS65982DMC 会监控上行端口的连接状态并更新下行端口的连接状态,以确保整个系统的数据行为一致。

  • 安全固件更新
    • 通过 USB 低速安全更新 TPS65982DMC 和其他 TI PD 控制器
    • SHA-256 和 RSA-3072
    • I2C 引导适用于 TI PD 控制器 - 一个闪存适用于所有器件
    • 支持不安全固件更新
  • 桶形插孔输入控制
    • 具有过压检测的集成式 NFET 栅极驱动
    • 软启动
  • 智能电源策略管理器
    • 管理所有坞站电源 - USB Type-C、USB Type-A、系统电源
    • 可配置智能电源策略管理器
  • USB4 连接管理器
    • 根据 UFP 主机连接更新 DFP 端口
    • 重新配置 PD 控制器并发出正确的连接更改
    • 供系统使用的可配置 GPIO
  • NFBGA 封装
    • 0.5mm 间距
    • 通孔对于所有引脚均兼容
FunctionUSB2
TypePassive switch
External power-path controlNFET
RatingCatalog
Operating temperature range (°C)-10 to 85
NFBGA (ZBH)9636 mm² 6 x 6
产品购买
  • 商品型号
  • 封装
  • 工作温度
  • 包装
  • 价格
  • 现货库存
  • 操作
10s
温馨提示:
订单商品问题请移至我的售后服务提交售后申请,其他需投诉问题可移至我的投诉提交,我们将在第一时间给您答复
返回顶部