h1_key

TI(德州仪器) TPS65988DK
德州仪器 (TI) 全系列产品在线购买
  • TI(德州仪器) TPS65988DK
  • TI(德州仪器) TPS65988DK
  • TI(德州仪器) TPS65988DK
  • TI(德州仪器) TPS65988DK
  • TI(德州仪器) TPS65988DK
  • TI(德州仪器) TPS65988DK
立即查看
您当前的位置: 首页 > 接口 > USB IC > USB Type-C 和 USB 电力传输 IC > TPS65988DK
TPS65988DK

TPS65988DK

正在供货

适用于 USB4 器件且具有集成电源开关的双端口 USB Type-C® 和 USB PD 控制器

产品详情
  • 说明
  • 特性
  • 参数
  • 封装 | 引脚 | 尺寸

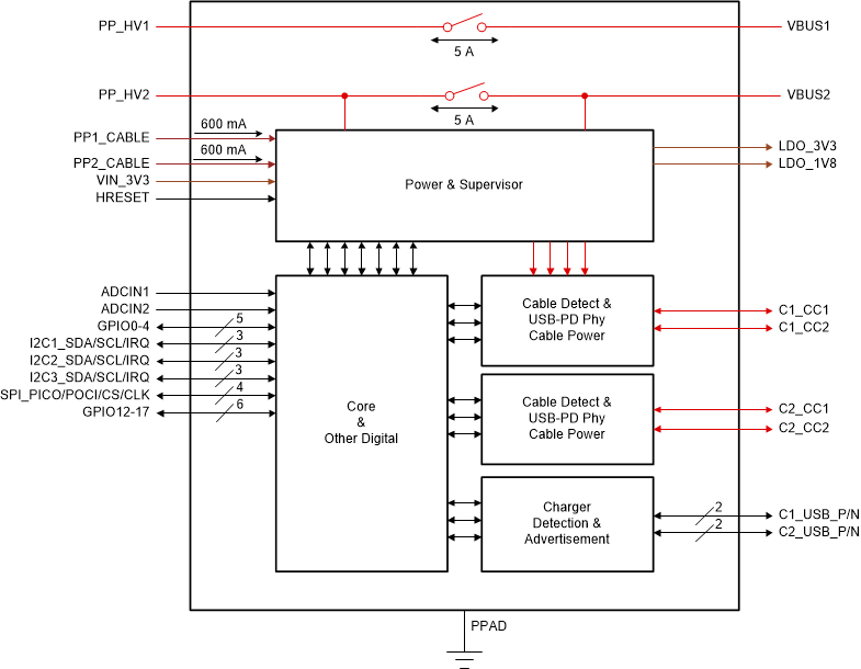
TPS65988DK 是一款高度集成的独立式双端口 USB Type-C 和电力传输 (PD) 控制器,并针对 USB4 和 TBT4 器件进行了优化。 TPS65988DK 集成了全面管理的电源路径与强大的保护功能,可提供完整的 USB-C PD 解决方案。进行线缆检测时, TPS65988DK 会使用 USB PD 协议在 CC 线路上进行通信。在线缆检测和 USB PD 协商完成后, TPS65988DK 会启用合适的电源路径并为外部多路复用器配置交替模式设置。Intel 的 USB4 和 TBT4 器件终端设备参考设计使用了此器件,确保 PD 控制器在这类设计中提供适当的系统级交互,从而显著降低系统设计的复杂性,并缩短上市时间。

  • 该器件由 USB-IF 进行了 PD3.0 认证
    • 认证新的 USB PD 设计时需使用 PD3.0 器件
      • TID#:5431
    • 有关 PD2.0 与 PD3.0 的文章
  • TPS65988DK 是 USB4 和 Thunderbolt 4 (TBT4) 器件 PD3.0 控制器
    • 此 PD 控制器仅适用于 USB4 器件设计
    • 请参考 Intel 参考设计,文档编号 631605
    • 如果设计的不是 USB4 器件,请访问 www.ti.com/usb-c 参阅选型指南和入门信息,以及 E2E 指南
  • 全面管理的集成电源路径:
    • 集成两个 5V 至 20V、5A、25mΩ 双向开关
    • UL2367 认证编号:20190107-E169910
    • IEC62368-1 认证编号:US-34617-UL
  • 集成强大的电源路径保护
    • 20V/5A 电源路径配置为接收端口时,集成了反向电流保护、欠压保护、过压保护和压摆率控制
    • 20V/5A 电源路径配置为源端口时,集成了欠压保护、过压保护和提供浪涌电流保护的电流限制
  • USB Type-C 电力传输 (PD) 控制器
    • 13 个可配置 GPIO
    • 获得 USB PD 3.0 认证
    • 获得 USB Type-C 规范认证
    • 线缆连接和方向检测
    • 集成式 VCONN 开关
    • 物理层和策略引擎
    • 3.3V LDO 输出,在电池电量耗尽时提供支持
    • 通过 3.3V 或 VBUS 源供电
    • 1 个 I2C 主要或次级端口
      • 只有 1 个 I2C 主要端口
      • 只有 1 个 I2C 次级端口
FunctionType-C
TypePD controller
Power roleDRP, Sink, Source
Alternate modeYes
External power-path controlGPIO, I2C
Data roleDFP, DRD, UFP
Internal power path20 V 5 A
RatingCatalog
Dead battery supportYes
Operating temperature range (°C)-10 to 75
VQFN (RSH)5649 mm² 7 x 7
产品购买
  • 商品型号
  • 封装
  • 工作温度
  • 包装
  • 价格
  • 现货库存
  • 操作
10s
温馨提示:
订单商品问题请移至我的售后服务提交售后申请,其他需投诉问题可移至我的投诉提交,我们将在第一时间给您答复
返回顶部