h1_key

TI(德州仪器) TPD3S713-Q1
德州仪器 (TI) 全系列产品在线购买
  • TI(德州仪器) TPD3S713-Q1
  • TI(德州仪器) TPD3S713-Q1
  • TI(德州仪器) TPD3S713-Q1
  • TI(德州仪器) TPD3S713-Q1
  • TI(德州仪器) TPD3S713-Q1
  • TI(德州仪器) TPD3S713-Q1
立即查看
您当前的位置: 首页 > 接口 > 应用特定端口保护 IC > TPD3S713-Q1
TPD3S713-Q1

TPD3S713-Q1

正在供货

汽车类 USB 0.05A 至 0.6A 可调节电流限制和 VBUS/D+/D- VBATT 短路保护

产品详情
  • 说明
  • 特性
  • 参数
  • 封装 | 引脚 | 尺寸

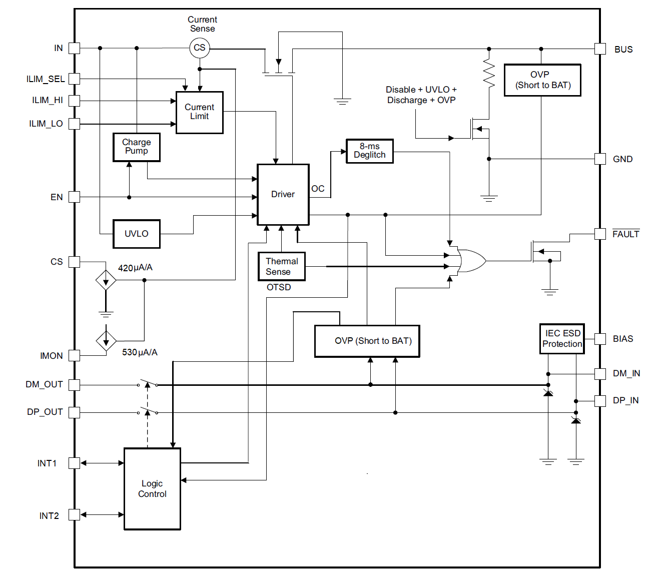
TPD3S713x-Q1 是一款单芯片解决方案,在汽车 USB 集线器、音响主机、远程信息处理和媒体接口应用中为高速数据和电力线提供电池短路、短路和 ESD 保护。集成的数据开关提供了同类最佳的带宽,能够在 USB 发生电池短路时最大限度地减少信号衰减。高达 1.2GHz 的带宽可利用汽车 USB 环境中常见的长系留线缆来实现干净的 USB 2.0 高速 480Mbps 眼图。

电池短路保护可隔离内部系统电路,防止其受到 V BUS、DP_IN 和 DM_IN 引脚上任何过压情况的影响。在这些引脚上,TPD3S713x-Q1 可处理热插拔和直流事件高达 18V 的过压,并关闭内部开关,保护上游收发器免受有害电压和电流尖峰的影响。

V BUS 引脚还提供灵活的可调节限流负载开关(从 50mA 到 600mA),如果端口只需要数十毫安的电流,可节省系统功率预算。

TPD3S713x-Q1 器件具有一个能够控制上行电源的电流检测输出,因此可在连接长 USB 电缆的远程 USB 端口保持 5V 的电压。

  • 符合面向汽车应用的 AEC-Q100 标准:
    • 器件温度等级 1:–40°C 至 +125°C 环境工作温度范围
    • 器件 HBM ESD 分类等级 H2
    • 器件 CDM ESD 分类等级 C5
  • V BUS 引脚上的电池短路保护(高达 18V)和接地短路保护功能
  • DM_IN、DP_IN 引脚上的电池短路保护(高达 18V)和 V BUS 短路保护功能
  • 符合 IEC 61000-4-2 标准的 DP_IN、DM_IN 和 V BUS
    • ±8kV 接触放电和 ±15kV 空气放电
  • 符合 ISO 10605(330pF,330Ω)标准的 DP_IN、DM_IN 和 V BUS
    • ±8kV 接触放电和 ±15kV 空气放电
  • 高速数据开关(1230MHz 带宽)
  • 4.5V 至 5.5V 输入电压工作范围
  • 50mA 至 600mA 可调节电流限值(200mA 时精度为 ±13.5%)
  • 集成 73mΩ(典型值)高侧 MOSFET
  • 500mA 最大连续输出电流
  • V BUS 电缆补偿
  • 20 引脚 QFN (3mm × 4mm) 封装
Number of switches1
IO capacitance (typ) (pF)10.9
IEC 61000-4-2 contact (±V)8000
IEC 61000-4-2 air-gap (±V)15000
FeaturesCurrent limit, Short-to-battery protection
Bi-/uni-directionalUnidirectional
RatingAutomotive
Operating temperature range (°C)-40 to 125
TI functional safety categoryFunctional Safety-Capable
Interface typeUSB 2.0
WQFN (RVC)2012 mm² 4 x 3
产品购买
  • 商品型号
  • 封装
  • 工作温度
  • 包装
  • 价格
  • 现货库存
  • 操作

很抱歉,暂时无法提供与“TPD3S713-Q1”系列相匹配的产品,您可以联系专属客服快速找货或在现货搜索框中重新搜索。

10s
温馨提示:
订单商品问题请移至我的售后服务提交售后申请,其他需投诉问题可移至我的投诉提交,我们将在第一时间给您答复
返回顶部