h1_key

TI(德州仪器) TPS65994AD
德州仪器 (TI) 全系列产品在线购买
  • TI(德州仪器) TPS65994AD
  • TI(德州仪器) TPS65994AD
  • TI(德州仪器) TPS65994AD
  • TI(德州仪器) TPS65994AD
  • TI(德州仪器) TPS65994AD
  • TI(德州仪器) TPS65994AD
立即查看
您当前的位置: 首页 > 接口 > USB IC > USB Type-C 和 USB 电力传输 IC > TPS65994AD
TPS65994AD

TPS65994AD

正在供货

具有集成电源开关的双端口 USB Type-C® 和 USB PD 控制器

产品详情
  • 说明
  • 特性
  • 参数
  • 封装 | 引脚 | 尺寸

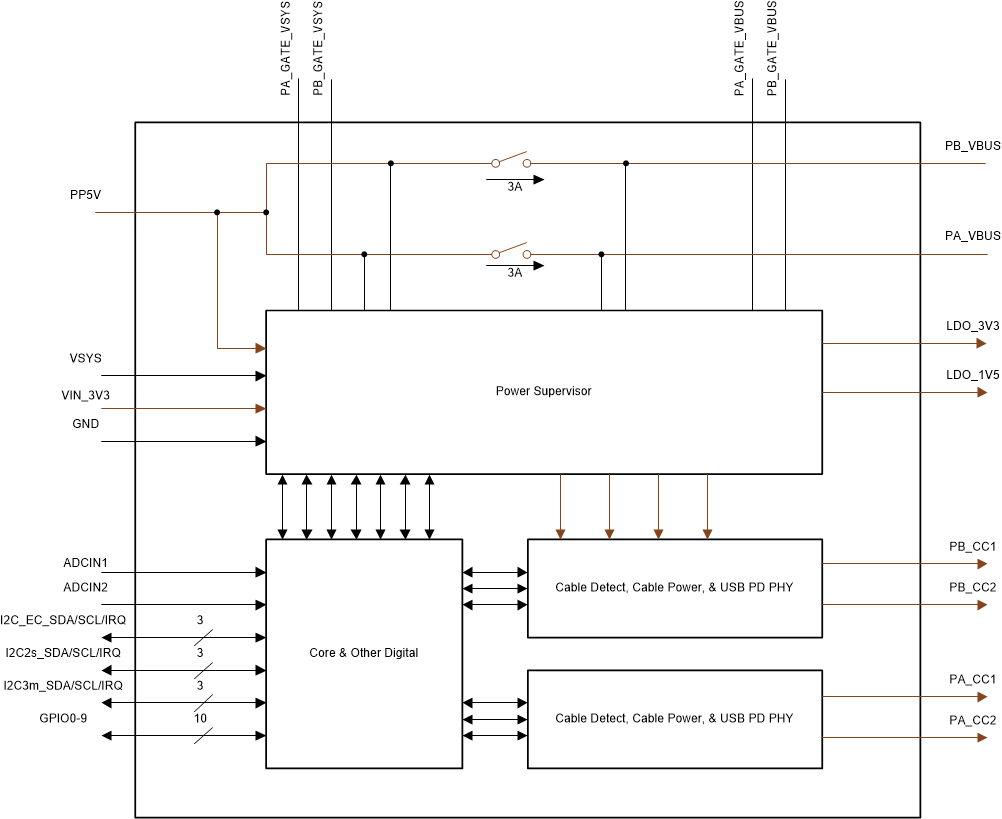
TPS65994AD 是一款高度集成的独立式双端口 USB Type-C 和电力输送 (PD) 控制器,针对 PC 和笔记本电脑应用进行了优化。 TPS65994AD 集成了完全管理的电源路径与强大的保护功能,可提供完整的 USB-C PD 解决方案。 TPS65994AD Intel 和 AMD 的 PC 和笔记本电脑终端设备参考设计使用了此器件,确保 PD 控制器在这类设计中提供适当的系统级交互。此功能显著降低系统设计的复杂性,并缩短上市时间。

  • 该器件由 USB-IF 进行了 PD3.0 认证
    • 认证新的 USB PD 设计时需使用 PD3.0 器件
      • TID#:3495
    • 有关 PD2.0 与 PD3.0 的文章
  • TPS65994AD 是完全可配置的双端口 USB4 和 Thunderbolt 4 (TBT4) PD3.0 控制器
    • 此器件可用于 USB4 主机和器件设计
    • 支持工业工作温度范围
    • 用于为各种应用轻松配置 TPS65994AD 的 GUI 工具
    • 支持 DisplayPort 拉电流、Thunderbolt 和用户可配置交替模式
    • 有关更详尽的选择指南和入门信息,请参阅 www.ti.com/usb-c 和 E2E 指南
  • 完全管理的集成电源路径:
    • 集成两个 5V、3A、38mΩ 电源开关
    • UL2367 认证编号:E169910
    • IEC62368-1 认证编号:US-34737-M3-UL
  • 集成强大的电源路径保护
    • 为拉电流路径集成了过压保护、欠压保护、反向电流保护和可调节限流功能
    • 为灌电流路径集成了过压保护、欠压保护和反向电流保护
  • USB Type-C 功率传输 (PD) 控制器
    • 10 个可配置 GPIO
    • 符合 USB PD 3.0 标准
    • 符合 USB Type-C 规范
    • 线缆连接和方向检测
    • 集成式 VCONN 开关
    • 集成式无电电池 Rd
    • 物理层和策略引擎
    • 3.3V LDO 输出,在电池电量耗尽时提供支持
    • 通过 3.3V 或 VBUS 源供电
    • 1 个 I2C 主端口
    • 2 个 I2C 次级端口
FunctionType-C
TypePD controller
Power roleDRP, Sink, Source
Alternate modeYes
External power-path controlNFET
Data roleDFP, DRD, UFP
Internal power path5 V 3 A
RatingCatalog
Dead battery supportYes
Operating temperature range (°C)-40 to 125
VQFN (RSL)4836 mm² 6 x 6
产品购买
  • 商品型号
  • 封装
  • 工作温度
  • 包装
  • 价格
  • 现货库存
  • 操作
10s
温馨提示:
订单商品问题请移至我的售后服务提交售后申请,其他需投诉问题可移至我的投诉提交,我们将在第一时间给您答复
返回顶部