h1_key

TI(德州仪器) OPA180-Q1
德州仪器 (TI) 全系列产品在线购买
  • TI(德州仪器) OPA180-Q1
  • TI(德州仪器) OPA180-Q1
  • TI(德州仪器) OPA180-Q1
  • TI(德州仪器) OPA180-Q1
  • TI(德州仪器) OPA180-Q1
  • TI(德州仪器) OPA180-Q1
立即查看
您当前的位置: 首页 > 放大器 > 运算放大器 (op amps) > 精密运算放大器 (Vos<1mV) > OPA180-Q1
OPA180-Q1

OPA180-Q1

正在供货

通过汽车认证的 0.1μV/°C 温漂、低噪声、RRO、36V 零温漂运算放大器

产品详情
  • 说明
  • 特性
  • 参数
  • 封装 | 引脚 | 尺寸

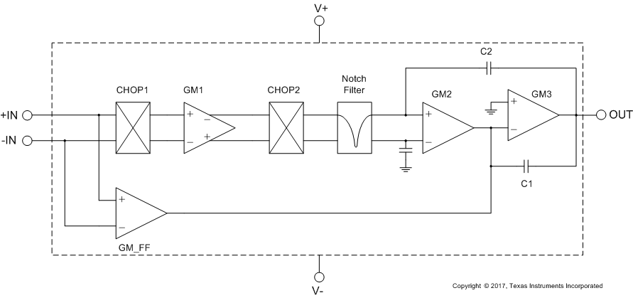
OPA180-Q1 和 OPA2180-Q1 运算放大器采用 TI 的专有零漂移技术,可同时提供低失调电压 (75µV),并随时间推移和温度变化实现接近零漂移的性能。这些高精度、低静态电流微型运算放大器提供高输入阻抗和摆幅在电源轨 18mV 之内的轨至轨输出。输入共模范围包括负电源轨。电压范围为 4V 至 36V(±2V 至 ±18V)的单电源或双电源均可使用。

单通道和双通道版本均采用 VSSOP-8 封装。单封装产品 (OPA180-Q1) 的额定温度范围为 –40°C 至 +125°C,双封装 (OPA2180-Q1) 的额定温度范围为 –40°C 至 +105°C。

  • 符合汽车类应用的 要求
  • 具有符合 AEC-Q100 标准的下列特性:
    • OPA180-Q1 器件温度等级 1:
      –40°C 至 +125°C 环境运行温度范围
    • OPA2180-Q1 器件温度等级 2:
      –40°C 至 +105°C 环境运行温度范围
    • 器件 HBM ESD 分类等级 1C
    • 器件 CDM ESD 分类等级 C5
    • 宽电源电压:±2V 至 ±18V
    • 低失调电压:75µV(最大值)
    • 零漂移:0.1µV/°C
    • 低噪声:10 nV/√Hz
    • 极低 1/f 噪声
    • 出色的直流精度:
      • 电源抑制比 (PSRR);126dB
      • 共模抑制比 (CMRR):114dB
      • 开环路增益 (AOL):120dB
    • 静态电流:525µA(最大值)
    • 轨至轨输出:
      输入包括负电源轨
    • 低偏置电流:250pA(典型值)
    • 已过滤射频干扰 (RFI) 的输入
    • MicroSIZE 封装
Number of channels1
Total supply voltage (+5 V = 5, ±5 V = 10) (max) (V)36
Total supply voltage (+5 V = 5, ±5 V = 10) (min) (V)4
Vos (offset voltage at 25°C) (max) (mV)0.075
GBW (typ) (MHz)2
FeaturesEMI Hardened, Zero Drift
Slew rate (typ) (V/µs)0.8
Rail-to-railIn to V-, Out
Offset drift (typ) (µV/°C)0.1
Iq per channel (typ) (mA)0.45
Vn at 1 kHz (typ) (nV√Hz)10
CMRR (typ) (dB)114
RatingAutomotive
Operating temperature range (°C)-40 to 105
Input bias current (max) (pA)1700
Iout (typ) (A)0.018
ArchitectureCMOS
Input common mode headroom (to negative supply) (typ) (V)0
Input common mode headroom (to positive supply) (typ) (V)-1.5
Output swing headroom (to negative supply) (typ) (V)0.25
Output swing headroom (to positive supply) (typ) (V)-0.25
THD + N at 1 kHz (typ) (%)0.0001
VSSOP (DGK)814.7 mm² 3 x 4.9
产品购买
  • 商品型号
  • 封装
  • 工作温度
  • 包装
  • 价格
  • 现货库存
  • 操作
10s
温馨提示:
订单商品问题请移至我的售后服务提交售后申请,其他需投诉问题可移至我的投诉提交,我们将在第一时间给您答复
返回顶部