h1_key

TI(德州仪器) THVD2410
德州仪器 (TI) 全系列产品在线购买
  • TI(德州仪器) THVD2410
  • TI(德州仪器) THVD2410
  • TI(德州仪器) THVD2410
  • TI(德州仪器) THVD2410
  • TI(德州仪器) THVD2410
  • TI(德州仪器) THVD2410
立即查看
您当前的位置: 首页 > 接口 > RS-485 和 RS-422 收发器 > THVD2410
THVD2410

THVD2410

正在供货

具有 IEC ESD 保护功能的 3.3V 至 5V、RS-485 ±70V 故障保护收发器

产品详情
  • 说明
  • 特性
  • 参数
  • 封装 | 引脚 | 尺寸

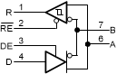
THVD2410 和 THVD2450 是 ±70V 故障保护、半双工、RS-422/RS-485 收发器,由 3V 至 5.5V 的单电源供电。在所有运行模式下均可保护总线接口引脚不受过压条件破坏,可确保在恶劣的工业环境中实现稳定可靠的通信。

这些器件具有集成式 IEC ESD 保护,无需外部系统级保护组件。在更长的电缆敷设长度和/或存在大接地环路电压的情况下,扩展 ±25V 输入共模范围可保证数据通信稳定可靠。增强型 250mV 接收器迟滞可确保实现高噪声抑制。此外,当输入同时开路或短路时,接收器失效防护功能可保证处于逻辑高电平。

THVD24x0 器件采用小型 VSSOP 和 VSON 封装,适用于空间受限型应用。这些器件在自然通风环境下的额定温度范围为 –40°C 至 125°C。

  • 符合或超过 TIA/EIA-485A 和 TIA/EIA-422B 标准的要求
  • 提供功能安全
    • 可帮助进行功能安全系统设计的文档
  • 3V 至 5.5V 电源电压
  • 差分输出超过 2.1V,在 5V 电源下 与 PROFIBUS 兼容
  • 总线 I/O 保护
    • ±70V 直流总线故障
    • ±16kV HBM ESD
    • ±12kV IEC 61000-4-2 接触放电
    • ±12kV IEC 61000-4-2 空气间隙放电
    • ±4kV IEC 61000-4-4 快速瞬变脉冲
  • 提供两种速度等级的 半双工器件
    • THVD2410:500kbps
    • THVD2450:50Mbps
  • 工作环境 温度范围:-40°C 至 125°C
  • 扩展级运行 共模范围:±25 V
  • 增强型接收器迟滞, 可获得抗噪能力
  • 低功耗
    • 低待机电源电流:< 1µA
    • 运行期间的电流:<5.6 mA
  • 适用于热插拔功能的无干扰上电/断电
  • 开路、短路和空闲总线失效防护
  • 热关断
  • 1/8 单位负载(多达 256 个总线节点)
  • 小型 VSON 和 VSSOP 封装(可节省布板空间)或 SOIC 封装(可实现快插兼容性)
Number of receivers1
Number of transmitters1
DuplexHalf
Supply voltage (nom) (V)3.3, 5
Signaling rate (max) (MBits)0.5
IEC 61000-4-2 contact (±V)12000
Fault protection (V)-70 to 70
Common-mode range (V)-25 to 25
Number of nodes256
FeaturesExtended common mode, Fault protection, IEC ESD protection
IsolatedNo
Supply current (max) (µA)5600
RatingCatalog
Operating temperature range (°C)-40 to 125
TI functional safety categoryFunctional Safety-Capable
SOIC (D)829.4 mm² 4.9 x 6
VSON (DRB)89 mm² 3 x 3
VSSOP (DGK)814.7 mm² 3 x 4.9
产品购买
  • 商品型号
  • 封装
  • 工作温度
  • 包装
  • 价格
  • 现货库存
  • 操作
10s
温馨提示:
订单商品问题请移至我的售后服务提交售后申请,其他需投诉问题可移至我的投诉提交,我们将在第一时间给您答复
返回顶部