h1_key

TI(德州仪器) OPA2188-Q1
德州仪器 (TI) 全系列产品在线购买
  • TI(德州仪器) OPA2188-Q1
  • TI(德州仪器) OPA2188-Q1
  • TI(德州仪器) OPA2188-Q1
  • TI(德州仪器) OPA2188-Q1
  • TI(德州仪器) OPA2188-Q1
  • TI(德州仪器) OPA2188-Q1
立即查看
您当前的位置: 首页 > 放大器 > 运算放大器 (op amps) > 精密运算放大器 (Vos<1mV) > OPA2188-Q1
OPA2188-Q1

OPA2188-Q1

正在供货

通过汽车认证的 0.03µV/°C 温漂、6µV Vos、低噪声、RRO、36V 零温漂运算放大器

产品详情
  • 说明
  • 特性
  • 参数
  • 封装 | 引脚 | 尺寸

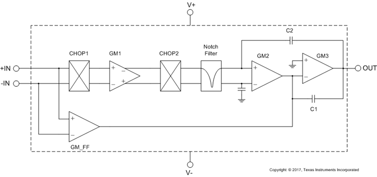
OPAx188-Q1 运算放大器系列采用 TI 的专有零漂移技术,以提供低失调电压(最大为 25µV)并随时间推移和温度变化而实现接近零漂移的性能。此高精度低静态电流微型放大器系列提供高输入阻抗和摆幅为电源轨 15mV 之内的轨到轨输出。输入共模范围包括负电源轨。单电源或双电源可在 4V 至 36V(±2V 至 ±18V)范围内使用。

OPA188-Q1 和 OPA2188-Q1 均采用 VSSOP-8 封装。单通道版本
(OPA188-Q1) 的完整额定工作温度范围为 -40°C 至 +125°C,双通道版本 (OPA2188-Q1) 的完整额定工作温度范围为 -40°C 至 +105°C。

  • 符合汽车应用 要求
  • 具有符合 AEC-Q100 标准的下列结果:
    • OPA188-Q1 器件温度等级 1:
      –40°C 至 +125°C
    • OPA2188-Q1 器件温度等级 2:
      –40°C 至 +105°C
    • 器件人体模型 (HBM) 静电放电 (ESD) 分类等级 1C
    • 器件 CDM ESD 分类等级 C5
  • 宽电源电压:±2V 至 ±18V
  • 低失调电压:25µV(最大值)
  • 零漂移:0.03µV/°C
  • 低噪声:8.8 nV/√Hz
    • 0.1Hz 至 10Hz 噪声:0.25µVPP
  • 出色的 DC 精度:
    • 电源抑制比 (PSRR);142dB
    • 共模抑制比 (CMRR):146dB
    • 开环路增益:136dB
  • 增益带宽:2MHz
  • 静态电流:510µA(最大值)
  • 宽电源电压:±2V 至 ±18V
  • 轨至轨输出
  • 输入包括负电源轨
  • 已过滤射频干扰 (RFI) 的输入
Number of channels2
Total supply voltage (+5 V = 5, ±5 V = 10) (max) (V)36
Total supply voltage (+5 V = 5, ±5 V = 10) (min) (V)4
Vos (offset voltage at 25°C) (max) (mV)0.025
GBW (typ) (MHz)2
FeaturesEMI Hardened, Zero Drift
Slew rate (typ) (V/µs)0.8
Rail-to-railIn to V-, Out
Offset drift (typ) (µV/°C)0.03
Iq per channel (typ) (mA)0.45
Vn at 1 kHz (typ) (nV√Hz)8.8
CMRR (typ) (dB)126
RatingAutomotive
Operating temperature range (°C)-40 to 125
Input bias current (max) (pA)1400
Iout (typ) (A)0.018
ArchitectureCMOS
Input common mode headroom (to negative supply) (typ) (V)0
Input common mode headroom (to positive supply) (typ) (V)-1.5
Output swing headroom (to negative supply) (typ) (V)0.22
Output swing headroom (to positive supply) (typ) (V)-0.22
THD + N at 1 kHz (typ) (%)0.0001
VSSOP (DGK)814.7 mm² 3 x 4.9
产品购买
  • 商品型号
  • 封装
  • 工作温度
  • 包装
  • 价格
  • 现货库存
  • 操作
10s
温馨提示:
订单商品问题请移至我的售后服务提交售后申请,其他需投诉问题可移至我的投诉提交,我们将在第一时间给您答复
返回顶部