h1_key

TI(德州仪器) ISO1500
德州仪器 (TI) 全系列产品在线购买
  • TI(德州仪器) ISO1500
  • TI(德州仪器) ISO1500
  • TI(德州仪器) ISO1500
  • TI(德州仪器) ISO1500
  • TI(德州仪器) ISO1500
  • TI(德州仪器) ISO1500
立即查看
您当前的位置: 首页 > 隔离 > 隔离式接口 IC > 隔离式 RS-485 收发器 > ISO1500
ISO1500

ISO1500

正在供货

1Mbps、半双工、3kVrms 超小型隔离式 RS-485 和 RS-422 收发器

产品详情
  • 说明
  • 特性
  • 参数
  • 封装 | 引脚 | 尺寸

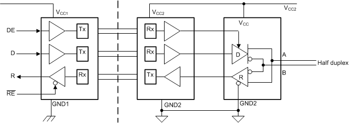
ISO1500 器件是适用于 TIA/EIA RS-485 和 RS-422 应用的电隔离差动线路 收发器。该器件采用超小型 16 引脚 SSOP 封装,具有一个 3 通道数字隔离器和一个 RS-485 收发器。该收发器的总线引脚受到 IEC ESD 接触放电和 IEC EFT 事件保护。接收器输出具有针对总线开路、短路和空闲情况的失效防护。与其他集成的隔离式 RS-485 解决方案或采用光耦合器和非隔离式 RS-485 收发器的分立式实施相比,ISO1500 的小解决方案尺寸可极大地减少所需的布板空间。

该器件用于长距离通信。隔离会破坏通信节点之间的接地回路,从而获得更大的共模电压范围。经测试,每个器件的对称隔离层可在总线收发器和逻辑电平接口之间按照 UL 1577 标准提供为时 1 分钟的 3000VRMS 隔离。

ISO1500 器件可由 1 侧的 1.71V 至 5.5V 电压供电,从而使器件可与低压 FPGA 和 ASIC 相连接。2 侧的电源电压范围为 4.5V 至 5.5V。该器件支持 -40°C 至 +125°C 的宽工作环境温度范围。

  • 符合或超出 TIA/EIA-485-A 要求
  • 半双工收发器
  • 低 EMI 1Mbps 数据速率
  • 总线 I/O 保护
    • ±16kV HBM ESD
  • 1.71V 至 5.5V 逻辑侧电源 (VCC1),4.5V 至 5.5V 总线侧电源 (VCC2)
  • 1/8 单位负载:多达 256 个总线节点
  • 失效防护接收器(总线开路、短路和空闲)
  • 100kV/µs(典型值)高共模瞬态抗扰度
  • 扩展温度范围为 -40°C 至 +125°C
  • 适用于热插拔功能的无干扰加电和断电
  • 超小型 SSOP (DBQ-16) 封装
  • 安全相关认证:
    • 符合 DIN VDE V 0884-11:2017-01 标准的 4242VPK VIOTM 和 566VPK VIORM
    • 符合 UL 1577 标准且长达 1 分钟的 3000 VRMS 隔离
    • IEC 60950-1、IEC 62368-1 和 IEC 61010-1 认证
    • CQC、TUV 和 CSA 认证
    • VDE、UL、CQC 和 TUV 认证完成;等待 CSA 审批
RatingCatalog
Integrated isolated powerNo
Isolation ratingBasic
DuplexHalf
Data rate (max) (Mbps)1
Working isolation voltage (VIOWM) (Vrms)400
Surge isolation voltage (VIOSM) (VPK)4000
Transient isolation voltage (VIOTM) (VPK)4242
Withstand isolation voltage (VISO) (Vrms)2500
ESD HBM (kV)16
VCC1 (min) (V)1.71
VCC1 (max) (V)5.5
VCC2 (min) (V)4.5
VCC2 (max) (V)5.5
Fail safeIdle, Open, Short
CMTI (min) (kV/µs)85
Operating temperature range (°C)-40 to 125
Creepage (min) (mm)3.7
Clearance (min) (mm)3.7
SSOP (DBQ)1629.4 mm² 4.9 x 6
产品购买
  • 商品型号
  • 封装
  • 工作温度
  • 包装
  • 价格
  • 现货库存
  • 操作
10s
温馨提示:
订单商品问题请移至我的售后服务提交售后申请,其他需投诉问题可移至我的投诉提交,我们将在第一时间给您答复
返回顶部